Curiosii for ever!
: Car repair manuals for everyone.
Home
>>
Isuzu Truck
>>
1999
>>
Rodeo S 2WD L4-2.2L
>>
Repair and Diagnosis
>>
Specifications
>>
Mechanical Specifications
>>
Heating and Air Conditioning
>>
System Specifications
>>
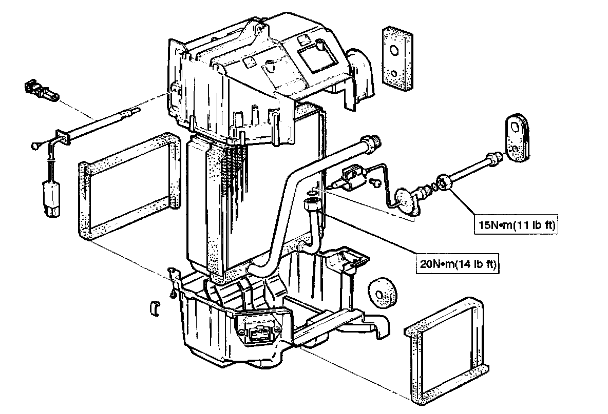
Torque Specifications
Torque Specifications