Curiosii for ever!
: Car repair manuals for everyone.
Home
>>
Isuzu Truck
>>
1999
>>
Rodeo S 2WD L4-2.2L
>>
Repair and Diagnosis
>>
Diagrams
>>
Exploded Views
>>
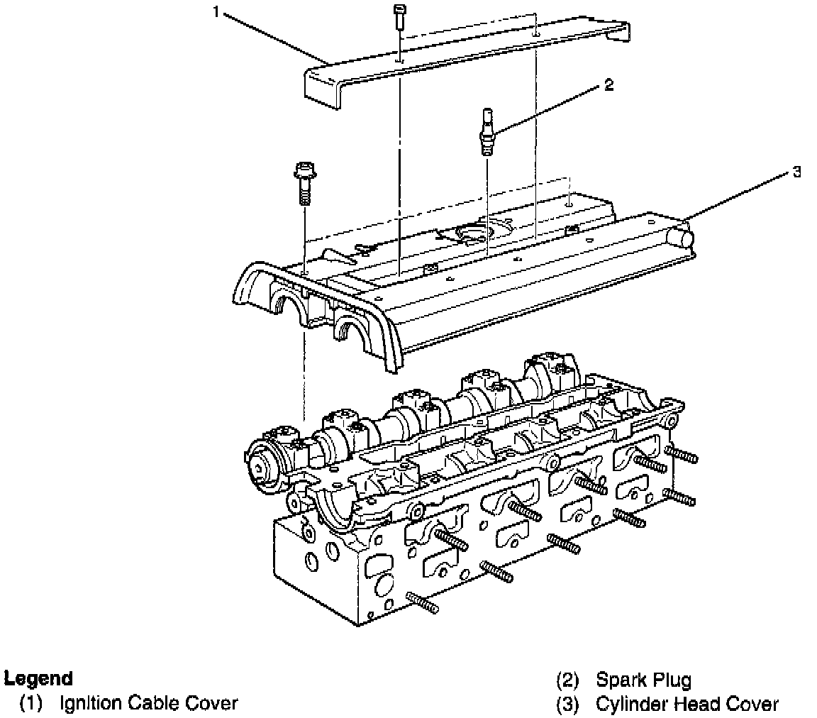
Cylinder Head Assembly
>>
System Diagram
System Diagram
Cylinder Head Cover And Associated Parts: