Curiosii for ever!: Car repair manuals for everyone.

Unit Overhaul Part 3






39. Inspect extension housing oil seal and replace if necessary, using J-36797 extension housing oil seal installer.
- Rotate transmission to horizontal position, with valve body side down.
- Inspect parking wheel seal ring. Replace if necessary.
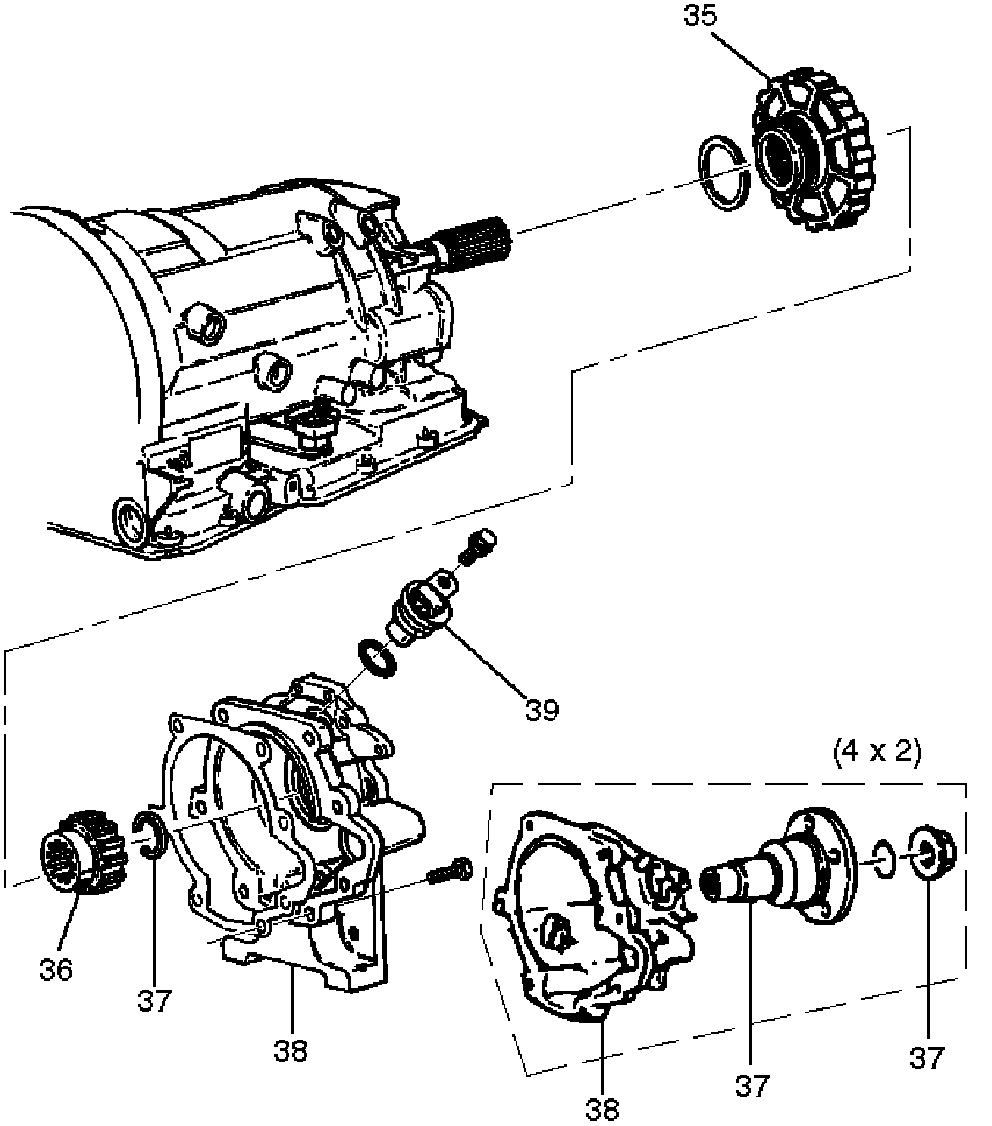
- Install wheel parking lock assembly (35).





40. Install speed wheel (36) and snap ring (37). (4x4)

NOTE: Use extra long, needle nose pliers.

- Install flange, O-ring and nut. (4x2)
41. Install gasket onto extension assembly with a thin coating of oil.
- Install extension housing assembly (38), and align parking pawl shaft.
- Install actuator assembly into extension assembly.
- Install seven 8 mm hexagon socket head screws.

Torque: 32 Nm (24 ft. lbs.)

42. Inspect speed sensor O-ring. Replace if necessary. Install speed sensor assembly (39) and 10 mm screw.

Torque: 9 Nm (78 inch lbs.)





43. Main case end play measurement.
1. Attach axial play checking tool on the extension housing and set indicator to zero on output shaft.
2. Manually push output shaft upwards.

End play: 0.36 mm - 0.80 mm (0.014 inch - 0.031 inch)

3. Remove axial play checking tool.
4. If end play is not correct, repeat selective washer selection.

44. Inspect servo piston seal ring. Replace if necessary.
- Ensure brake band is correctly positioned. Rotate output shaft if necessary.
- Install J-38428 servo piston fitter in servo bore.
- Install apply rod (40), round end toward band, return spring (41) and piston assembly (42).





45. Install the J-23075 servo spring compressor with offset to rear of case.
- Compress servo piston seal ring, using fitter while tightening the tool screw.
- Install servo piston retaining ring (43).
- Remove tool.
- Adjust the brake band by tightening the servo adjusting screw to 4.5 Nm torque. Be certain the lock nut is loose, then back-off the screw five turns exactly. Hold piston sleeve with wrench and tighten lock nut to 18.5 Nm torque. Be certain the adjusting screw does not turn.





46. Install two check balls (44).
47. Inspect main case electrical connector and seal, replace if necessary.
- Install electrical 4 pin connector/main case and wiring harness.
48. Install two J-25025-B guide pins into main case.
- Install main case valve body complete assembly (45) and manual valve link.

NOTE: Valve must be extended as the short end of manual valve link is connected to the range selector lever. Long end of link goes into valve.

- Install seven 13 mm screws, tighten the specified torque.

Torque: 20 Nm (15 Ft. lbs.)

- Pass ground wire of adapter case wiring harness assembly through the hole joining adapter fluid area and main case fluid area.





- Assemble 8.5 mm connector of ground wire under the head of this valve body bolt and reinstall it.
- Remove two guide pins.
49. Install servo cover gasket, cover (46) and four 13 mm screws.

Torque: 25 Nm (18 Ft. lbs.)

50. Connect wiring harness (47) to band control, shift solenoids, and main case 4 pin connector.
51. Install manual detent roller and spring assembly (48) with clip.
- Install two 13 mm screws.

Torque: 20 Nm (15 Ft. lbs.)

52. Install oil filter (49) and three 13 mm screws.

Torque: 20 Nm (15 Ft. lbs.)

53. Install oil pan gasket, magnet, main oil pan (50), sixteen 10 mm screws.

Torque: 11 Nm (96 Inch lbs.)

54. Inspect adapter case electrical connector and seal. Replace if necessary.
- Install electrical five pin connector and harness assembly (52) in bottom of adapter case.





55. Install gasket, transfer plate, and gasket.
- Install adapter case valve body (51) complete and seven 13 mm screws.

Torque: 20 Nm (15 Ft. lbs.)

56. Connect wiring harness assembly (52) to converter clutch solenoid, force motor, and 5 pin connector.
57. Install oil pan gasket, adapter case oil pan (53), and twelve 10 mm screws.

Torque: 11 Nm (96 Inch lbs.)

- Rotate transmission, with bottom pan facing down.
58. Install mode switch (54), two 10 mm screws, selector lever nut, and cover.

10 mm screw
Torque: 13 Nm (113 Inch lbs.)
Nut
Torque: 23 Nm (17 Ft. lbs.)


- Adjust using setting tool.
59. Install O-ring (55) on turbine shaft.
60. Install torque converter (56)
The converter assembly must be replaced under any of the following conditions:
a. Evidence of damage to the pump assembly.
b. Metal particles are found after flushing the cooler lines.
c. External leaks in hub weld area.
d. Converter pilot broken, damaged, or poor fit into crankshaft.
e. Converter hub scored or damaged.
f. Internal failure in stator.
g. Contamination from engine coolant.
h. Excess end play.
- Rotate transmission, bell housing up. Spin converter to insure proper fit.
61. Fill transmission through the overfill screw hole of oil pan, using DEXRON III Automatic transmission fluid.

CONVERTER HOUSING AND OIL PUMP ASSEMBLY





Disassembled View

Disassembly

1. Remove oil pump assembly from converter housing.
2. Remove outer seal ring.
3. Remove gasket.
4. Remove wear plate.
5. Remove oil seal ring.

Inspection And Repair
Visual Check:
If any damage, deformation, or local wear is found in a converter housing, outer seal ring, wear plate, or oil seal ring, replace it.

Reassembly
1. Install wear plate onto oil pump assembly.





2. Install converter housing onto complete oil pump assembly. Align with two short J-38588 guide pins on outer bolt holes.
- Loosely install five 13mm bolts.
- Center converter housing using J-38557 centering tool.
- Tighten five inner 13mm bolts in an alternating pattern.

Torque: 20 Nm (15 Ft. lbs.)

3. Install oil seal ring (3 screws).

Torque: 3 Nm (26 Inch lbs.)

4. Install gasket.
5. Install outer seal ring.

OIL PUMP





Disassembled View

Disassembly

1. Remove oil pump drive gear (1) and driven gear (2).
2. Remove pin (3) from oil pump assembly (18).
3. Remove plug (4), spring (5), and converter clutch control valve (6).
4. Remove snap ring (7) from oil pump assembly (18).
5. Remove spring seat (8), spring (9), and throttle signal accumulator piston (10).
6. Remove sleeve pin (11) from oil pump assembly (18).
7. Remove sleeve (12), boost valve (13), spring seat (114), valve spring (15), spring seat (16), and pressure regulator valve (17).

Inspection And Repair
Visual Check:
If any damage, deformation or wear is found, replace the damaged part.

Reassembly
1. Lubricate and preinstall pressure regulator spring seat (16) on valve (17), with the flat side against shoulder.
2. Install pressure regulator valve (17) and spring seat (16) assembly, valve spring (15), and spring seat (14) with the flat side away from spring to oil pump assembly (18).
3. Assemble boost valve (13) into sleeve (12).
4. Install boost valve and sleeve assembly, and sleeve pin (11) to oil pump assembly (18).
5. Install throttle signal accumulator piston (10), spring (9), and spring seat (8), with the flat side away from the spring, and snap ring (7) to oil pump assembly (18).
6. Install converter clutch control valve (6), spring (5), plug (4), and pin (3) to oil pump assembly (18).
7. Install oil pump driven gear (2) and drive gear (1).

MAIN CASE VALVE BODY





Disassembled View

Disassembly
1. Remove two 11 mm bolts from valve body (28), then remove gaskets and transfer plate (1).
2. Remove manual valve (2).
3. Push in band control solenoid (3) to compress waved washer (5), and remove pin (4).
4. Remove band control solenoid (3) and waved washer (5).
5. Remove spring pin (6) with a 3 mm dia. punch.
6. Remove solenoid A (7) by grasping the metal tip. Do not grasp the connector housing.
7. Remove retainer (8), 1-2/3-4 shift valve (9) and spring (10).
8. Remove spring pin (11) with a 3 mm dia. punch.
9. Remove solenoid B (12) by grasping the metal tip. Do not grasp the connector housing.
10. Remove retainer (13), 2-3 shift valve (14), and spring (15).
11. Remove spring pin (16), plug (17), spring (18) and low pressure control valve (119).
12. Remove spring pin (20), plug (21), and band control screen assembly (22).
13. Remove spring pin (23), plug (24), 1-2 accumulator valve (25), and 1-2 accumulator control valve (26).
14. Remove 1 check ball (27) from valve body (28).

Inspection And Repair
Inspect for the following, and replace any damaged or worn parts:
1. Damage or wear to each valve.
2. Damage in oil passages.
3. Cracks or damage to valve body.
4. Valve operations.
5. Spring fatigue.

Reassembly
1. Install 1-2 accumulator control valve (26), 1-2 accumulator valve (25), plug (24), and spring pin (23).
2. Install band control screen assembly (22), plug (21), and spring pin (20).
3. Install low pressure control valve (19), spring (18), plug (17), and spring pin (16).
4. Install spring (15), 2-3 shift valve (14), retainer (13), solenoid B (12), and spring pin (11).
5. Install spring (10), 1-2/3-4 shift valve (9), retainer (8), solenoid A (7), and spring pin (6).
6. Install waved washer (5), band control solenoid (3), and pin (4).
7. Install manual valve (2).
8. Install check ball (27) to valve body (28).





9. Install gasket (valve body/transfer plate) and transfer plate using two J-3387-2 guide pins.
- Install two 11mm bolts.

Torque: 13 Nm (1113 Inch lbs.)

- Install gasket (transfer plate/main case).


ADAPTER CASE VALVE BODY





Disassembled View

Disassembly
1. Remove 11 mm bolt from valve body.
- Remove converter control solenoid assembly (1).
2. Remove 11 mm bolt and retainer (2) from valve body.
- Remove force motor solenoid (3).
3. Remove retainer (4), plug (5), 3/4 accumulator valve (6), and 3/4 accumulator control valve (7).
4. Remove spring (8), retaining ring (9), and feed limit valve (10).
5. Remove plug retainer (11), O-ring (12), plug (13), and force motor screen assembly (14).
- Use 5 mm bolt to pull plug.

Inspection And Repair
Inspect for the following, and replace any damaged or worn parts:
1. Damage or wear to each valve.
2. Damage in oil passages.
3. Cracks or damage to valve body.
4. Valve operations.
5. Spring fatigue.

Reassembly
1. Install force motor screen assembly (14), plug (13), O-ring (12), and plug retainer (11).
2. Install feed limit valve (10), retaining ring (9), and spring (8).
3. Install 3/4 accumulator control valve (7), 3/4 accumulator valve (6), plug (5), and retainer (4).
4. Install force motor solenoid (3).
- Place solenoid terminals pointing towards mating face.
- Install retainer (2) and bolt.

Torque: 10 Nm (87 Inch lbs.)

5. Install converter clutch solenoid assembly with two O-rings (1) to valve body.
- Install bolt.

Torque: 10 Nm (87 Inch lbs.)

THIRD CLUTCH AND SPRAG UNIT





Disassembled View

Disassembly
1. Place the third clutch drum and intermediate shaft assembly upright, using the overdrive internal gear as a support.





2. Locate the end of the sprag retaining ring, compress near the end using a screwdriver through the side slot, and slide one tool blade of J-38450 (6 pieces) third clutch spring retaining ring tool between the ring and housing to hold the ring clear of the groove.
3. Repeat with a second tool blade near the other end of the retaining ring.
4. Repeat with a third tool blade opposite the first two.
5. Repeat with two further blades equally spaced apart.
6. Pull the input sun gear assembly unit (2) until the sprag retaining ring (1) clears the ring groove.
7. Remove the tool blades.
8. Remove input sun gear and sprag unit assembly (11 and 2) from the third clutch drum assembly (8).
9. Remove retaining washer (3), bearing (4), thrust washer (5), and clutch plates (6 and 7) from the third clutch drum assembly (8).

Inspection And Repair
Visual Check:
If any damage, deformation or wear is found, replace the damaged part.

Reassembly
1. Place third clutch drum and intermediate shaft assembly upright, using the overdrive internal gear as a support.
2. Install third clutch spring cushion plate (7), bevel face down.
3. Install third clutch plates (6) into third clutch drum assembly (8). Start with the steel clutch plate and alternate with lined plates.
4. Install thrust washer (5), bearing (4) and retaining washer (3).
5. Fully engage the hub spline of the input sun gear and sprag unit assembly (2) into the third clutch inner tangs.
- Simultaneously rotate the outer sprag race to engage into the third clutch drum assembly (8).





6. Install a tool blade of J-38450 (6 pieces) into the third clutch retaining ring tool at each extremity of the retaining ring (1).
7. Compress the retaining ring (1) with a screwdriver opposite the tool blades while pushing down on the outer sprag race.
8. Engage retaining ring (1) into groove.
9. Remove tool blades.

THIRD CLUTCH





Disassembled View

Disassemble





1. Compress spring seat using the J-23075 spring compressor and J-23075-12 adapter tool.

NOTE: Do not overstress the springs and seat. This will cause damage to the spring seat.
- Remove the tool.
- Remove retaining ring (1).

2. Release the spring seat (2).

NOTE: Do not let the spring seat catch in the ring groove.
- Remove spring seat (2) and springs (3).

3. Remove piston assembly (4) from third clutch drum (5).

Inspection And Repair
Visual Check:
If any damage, deformation or wear is found, replace the damaged part.

Operation Check:
Shake the piston and listen for check ball movement. Movement indicates proper check ball operation. Replace the piston if the check ball is missing or falls out.

Reassembly
1. The lip of the piston seal must point toward the front of the transmission. Lubricate the seal lip with transmission fluid.





- Install piston assembly (4) into the third clutch drum (5). Use the J-23084 third clutch piston installer to protect the outer seal during installation.
- Remove the seal installer.

2. Install twelve springs (3) and spring seat (2).
3. Place retaining ring (1) onto spring seat.
- Compress the piston springs, using the J-23075 piston spring compressor and J-23075-12 adapter.

CAUTION: Do not overstress the springs and seat. Do not let the spring seat catch in the ring groove. This may cause damage to the spring seat.

- Install spring seat retaining ring (1).
- Remove the piston spring compressor and adapter.

SPRAG UNIT





Disassembled View

Disassembly
1. Remove the sprag outer race, retaining ring, and sprag assembly from the third clutch hub and sun gear assembly.
2. Remove the rings and sprag assembly from the sprag outer race.

Inspection And Repair
Visual Check:
If any damage, deformation or local wear is found, replace the damaged part.

Reassembly

NOTE: Flared shoulder of the sprag cage faces the sun gear. This procedure must be followed exactly to be sure that the sprag assembly is installed properly.

1. Install rings and sprag assembly onto the third clutch hub and sun gear.
2. Install sprag outer race and retaining ring assembly over the sprag cage assembly.
- Place third clutch hub and sun gear assembly on a flat surface, sun gear facing up. Place sprag outer race and sprag assembly over the sun gear assembly, push down and turn the input sun counterclockwise at the same time.





NOTE: Check correct rotation by holding the sun gear in your left hand and turning the outer race. The outer sprag race should turn freely towards you and should lock turning away from you.


SECOND CLUTCH





Disassembled View

Disassembly
1. Remove retaining ring (1) from second clutch drum (11).
2. Remove ring gear (2), retaining ring (3), and spacer (4).
3. Remove clutch plates (5) and waved washer (6).





4. Remove retaining ring (7) using J-23327 compressor to compress the spring seat (8).
5. Remove spring seat (8), springs (9) and piston assembly (10) from second clutch drum (11).

Inspection And Repair
Visual Check:
If any damage, deformation or wear is found, replace the damaged part.

Operation Check:
Shake the piston and listen for check ball movement. Movement indicates proper check ball operation. Replace the piston if the check ball is missing or falls out.

Reassembly





1. Install piston assembly (10) into the second clutch drum (11).
- Lubricate the lip seal with transmission fluid. Use the J-23080-A second clutch piston installer to protect the outer piston lip seal.

NOTE: Lip of the seal should point toward front of transmission.

- Remove the installer.

2. Install twenty-two piston springs (9) and spring seat (8) on the second clutch piston (10). Place retaining ring (7) onto spring seat.
- Use the J-23327 compressor to compress the piston springs.

NOTE: Do not let spring seat catch in ring groove.

- Remove the compressor.

3. Install waved plate (6) and clutch plates (5). Start with a steel plate and alternate with lined plates.
- Align second clutch inner tangs.
4. Install spacer (4), with the fluted end toward clutch plates.
5. Install retaining ring (3), ring gear (2) and retaining ring (1).

3-4 ACCUMULATOR PISTON





Disassembled View

Disassembly





1. Install the J-38559-A cover compressor on adapter case.
- Compress piston cover then remove snap ring.
2. Install the J-41096 cover remover and J-38584 adapter to center hole of cover.





- Use the J-23907 slide hammer to remove cover.
3. Remove spring and piston assembly.

Inspection And Repair
Visual Check:
If any damage, deformation or wear is found, replace the damaged part.

Reassembly





1. Place the J-38553 piston fitter into adaptor case and push the piston into position, using suitable diameter tube.
- Remove the piston fitter.
2. Install spring and cover.





3. Install snap ring, using the J-38559-A compressor tool.
- Install snap ring in groove.
- Remove the compressor tool.

REVERSE CLUTCH PISTON AND CENTER SUPPORT





Disassembled View

Disassembly





1. Install the J-23327 compressor tool on spring seat, then compress the spring seat.
- Remove retaining ring (1).

NOTE: Do not over-stress the springs and seat, as this will cause damage to the spring seat.

- Remove the compressor tool.
2. Remove spring seat (2) and springs (3).
3. Remove piston assembly (4).
4. Remove 8 bolts from center support (5), then remove center support (5) from adapter case.
5. Remove gasket transfer plate/outer support (6), center support transfer plate (7), and gasket transfer plate/adapter case (8).
6. Remove restrictor (9) from adapter case housing.
7. Remove retainer plate (10), plug (11), spring (12), and overrun lock out valve (13) from center support (5).

Inspection And Repair
Visual Check:
If any damage, deformation or wear is found, replace the damaged part.

Reassembly
1. Install overrun lock out valve (13) and spring (12) to center support.

NOTE: Ensure correct assembly of valve. The spring should be located over the long small diameter end.

2. Install plug (11) and retainer plate (10).





3. Place restrictor (9) in the lube overdrive channel in the adapter case housing.

4. Install gasket transfer plate/adapter case (8), center support transfer plate (7), and gasket transfer plate/center support (6).
5. Install center support (5) with 8 bolts.

Torque: 25 Nm (18 ft. lbs.)

6. Install piston assembly (4) into center support (5).
7. Install twenty four springs (3), spring seat (2), and retaining ring (1).
- Install the J-23327 compressor and compress spring seat (2) and springs (3), then seat snap ring (1) in groove.
- Remove the tool.

OVERRUN CLUTCH AND TURBINE SHAFT





Disassembled View

Disassembly





1. Position overrun clutch assembly upright, using the overdrive internal gear as a support.
- Remove snap ring (1).
2. Remove overdrive carrier assembly (2), sun gear (3) and turbine shaft (4).
3. Remove snap ring (5), backing plate (6), and clutch plates (7).





4. Compress diaphragm spring with the J-23327-91 compressor then remove snap ring (8).
5. Remove overrun roller clutch cam (9) and roller clutch assembly (10).
6. Remove overrun clutch release spring retainer (11) and diaphragm spring (12).
7. Remove piston assembly (13) from overrun clutch drum (14).
8. Remove turbine shaft seal rings (15).

Inspection And Repair
Overdrive Carrier Check





- Check pinion end play with a feeler gauge.

Clearance: 0.24 mm - 0.64 mm (0.0094 inch - 0.025 inch)

If clearance is outside specified value, replace overdrive carrier assembly.

Visual Check:
If any damage, deformation or wear is found, replace the damaged part.

Reassembly





1. Install turbine shaft seal rings (15) with grease (petroleum jelly).








2. Install the J-38555 inner installer on the drum (14).
- Pre-install piston assembly into J-38555 outer installer.
- Install overrun clutch piston assembly (13). Use the outer installer while pushing piston into drum (14).
- Remove the installer.

3. Install diaphragm spring (12).
4. Install overrun clutch release spring retainer (111) (lip faces upwards), overrun roller clutch assembly (10) and cam (9).
5. Place snap ring loosely on spring retainer.
- Hold the J-23327-91 compressor in a vise and compress piston return spring with compressor.
- Set snap ring (8) in ring groove.
- Remove the compressor.
6. Install clutch plates (7), start with steel plate and alternate with lined plates.
7. Install backing plate (6).
8. Install snap ring (5).
9. Install overdrive sun gear with countersink pointing downwards.
10. Install the overdrive carrier assembly (2).

NOTE: Turn the assembly in a counter-clockwise direction only until roller clutch enters the outer race. After Installation, rotate the assembly and listen for loose rollers.

11. Install turbine shaft (4) and snap ring (1).