Curiosii for ever!: Car repair manuals for everyone.

Unit Overhaul Part 1

DISASSEMBLY

NOTE: During the disassembly and reassembly, perform the following:

- Wash each part thoroughly, and blow air through each oil passage and groove to eliminate blockage.
- Seal rings, roll pins, and gaskets should be replaced.
- When assembling the components, apply DEXRON III Automatic Transmission Fluid (ATF) to each seal, rotating part, and sliding part.
- Do not dip part facings, such as clutch or brake drive plates, in cleaner when washing it. Also, always coat parts with new ATF two or three times after cleaning with solvent.
1. Remove torque converter (1).
- Drain fluid from torque converter.





- Attach J-8763-02 holding fixture to the transmission and set it on J-3289-20 holding fixture base.

NOTE: Do not overtighten the tool, as case damage may result.





2. Remove O-ring (2) from turbine shaft.
3. Remove two 10 mm mode switch screws, selector lever nut, cover, and mode switch (3).
4. Remove twelve 10 mm adapter case oil pan (4) fixing screws, adapter oil pan, and gasket.
5. Disconnect electrical wiring connections (5) from solenoids and 5 pin connector of adapter case. Pull on connectors only, not on wiring harness.
6. Remove seven 13mm adapter case valve body (6) fixing screws, adapter case valve body assembly, transfer plate, and two gaskets.
- Remove wiring harness and 5 pin connector.
7. Remove sixteen 10mm main case oil pan (7) fixing screws, main oil pan, magnet, and gasket.
8. Remove three 13mm oil filter (8) fixing screws and oil filter.
9. Remove two 13mm manual detent (9) fixing screws, roller and spring, and manual detent.
10. Disconnect wiring harness assembly (10) from band apply solenoid, shift solenoids, and main case 4 pin connector.
Pull on connectors only, not on wiring harness.
11. Remove four 13mm servo cover (11) fixing screws, servo cover, and gasket.
12. Remove seven 13mm valve body screws and ground wire from main case.
- Remove wiring harness assembly (5) from the adapter case side.
- Remove main valve body assembly (12) with manual valve link and transfer plate. Note the position of the link (long end into valve, short end into range selector lever).
- Remove 4 pin connector.
- Remove gasket transfer plate from main case.
13. Remove two check balls (13) from main case.
14. Turn transmission to vertical position to drain fluid. Return back to horizontal position when drained.
- Install J-23075 servo piston spring compressor with offset to the rear of case.
- Compress servo piston assembly.
- Remove servo piston retaining ring (14).
- Slowly release servo piston assembly (15).
- Remove tool.





15. Remove servo piston assembly (15), return spring (16), and servo apply rod (17).
16. Rotate transmission to horizontal position, pan side down.
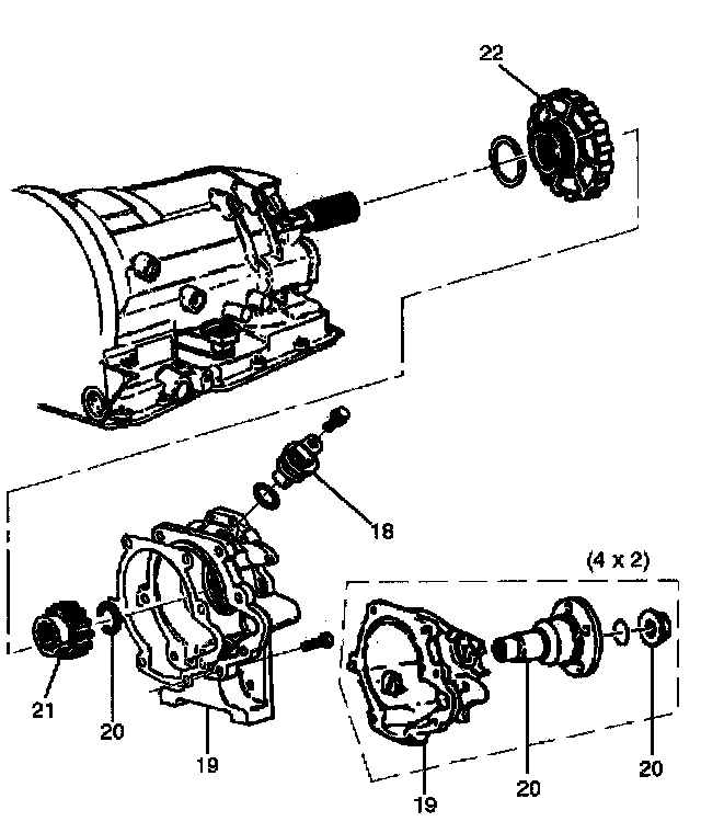
- Remove one 10 mm screw, and speed sensor (18) with "0" ring.
17. Remove seven 8mm extension housing hexagon socket head screws, extension housing assembly (19), and gasket.
18. Remove retaining ring (20). (4x4)

NOTE: Use extra long, needle nose pliers.
- Remove flange nut (20). (4x2)
- Remove flange and O-ring (20). (4x2)

19. Remove speed wheel (21).





20. Remove wheel parking lock (with seal ring) (22).
21. Rotate transmission to vertical position, converter housing up.
- Loosen the converter housing and oil pump assembly fixing screws, but do not remove, the five 13 mm inner screws unless oil pump disassembly is required.
- Remove seven outer screws.
- Remove converter housing and oil pump assembly (23).
22. Remove gasket (24).





23. Remove selective thrust washer (25).
24. Remove fourth clutch retainer (26).
25. Grasp turbine shaft and lift out the overrun clutch housing assembly (27) and fourth clutch plates (28).
26. Remove thrust bearing assembly (29).
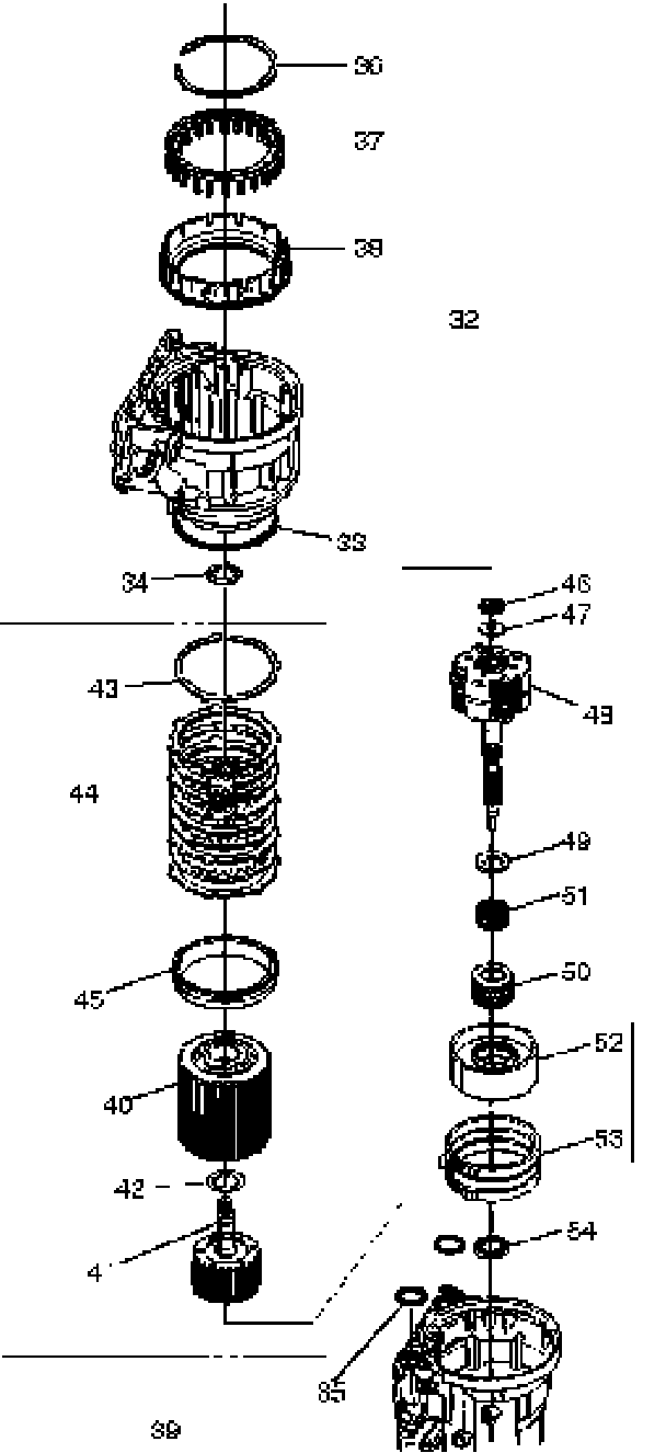
27. Remove overdrive internal gear (30).





28. Remove thrust washer (31).
29. Remove adapter case and center support assembly (with fourth clutch piston) (32).
30. Remove seal ring (33).
31. Remove selective thrust washer (34) and two O-ring seals (35) from main case.
32. Use J-23327 and J-23327-90 compressor to compress the fourth clutch spring retainer and springs (37).
- Release snap ring (36) from groove.
- Remove clutch compressor and snap ring (36).
33. Remove retainer and spring assembly (37).
34. Insert two converter housing/main case screws to hold adapter case while pulling out fourth clutch piston (38).
- Remove fourth clutch piston assembly (38) from the adapter case.
- Remove converter housing/main case screws.
35. Grasp intermediate shaft, twist and pull out the second and third clutch drum assemblies with reverse clutch plates while holding onto output shaft (39).
36. Separate second (40) and third clutch (41) assemblies.
37. Remove thrust washer (42).
38. Remove reverse clutch plates (43 and 44) and reverse clutch pressure plate (45).
39. Remove bearing (46) and washer (47).
40. Remove planetary carrier assembly (48).
41. Remove thrust bearing (49).
42. Remove reaction sun gear (50)
43. Remove needle bearing (51).
44. Remove brake drum (52).
45. Remove brake band (53).





46. Remove thrust bearing (54).
47. Rotate case to horizontal position, valve body side facing up.





- Remove spring pin (55), using cutting pliers, then remove parking lock and selector lever assembly (56).

NOTE: Insert wire in the center of the spring pin to prevent it from collapsing during removal. Be aware of pin height. Protect machined face of main case.

48. Remove parking lock and range selector lever 17 mm nut (57).
49. Remove parking lock and range selector lever (56), and actuator assembly.
50. Remove selector shaft (58).

NOTE: Inspect the shaft for burrs before removing to prevent damaging seal. If necessary, remove burrs by lightly sanding with an oilstone.