Curiosii for ever!
: Car repair manuals for everyone.
Home
>>
Isuzu Truck
>>
1999
>>
Rodeo LSE 2WD V6-3.2L
>>
Repair and Diagnosis
>>
Diagrams
>>
Electrical Diagrams
>>
Antilock Brakes / Traction Control Systems
>>
Electronic Brake Control Module
Electronic Brake Control Module
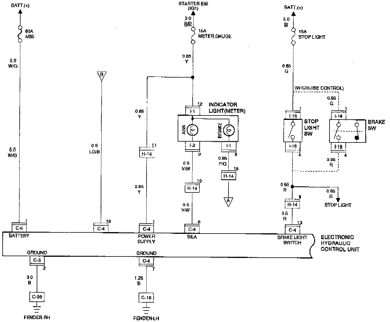
Electronic Brake Control Module Part 1 Of 3:
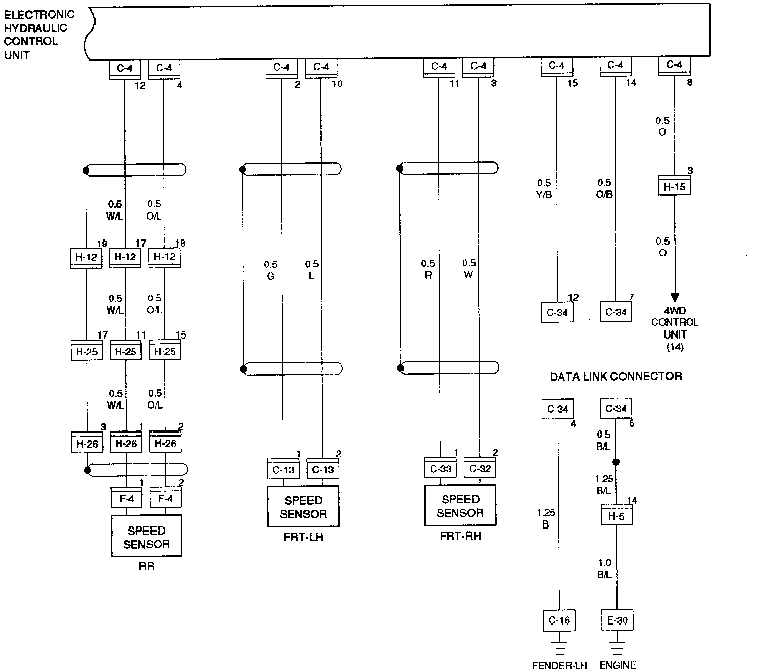
Electronic Brake Control Module Part 2 Of 3:
Electronic Brake Control Module Part 3 Of 3: