Curiosii for ever!
: Car repair manuals for everyone.
Home
>>
Isuzu Truck
>>
1999
>>
Amigo 2WD L4-2.2L
>>
Repair and Diagnosis
>>
Powertrain Management
>>
Computers and Control Systems
>>
Data Link Connector
>>
Diagrams
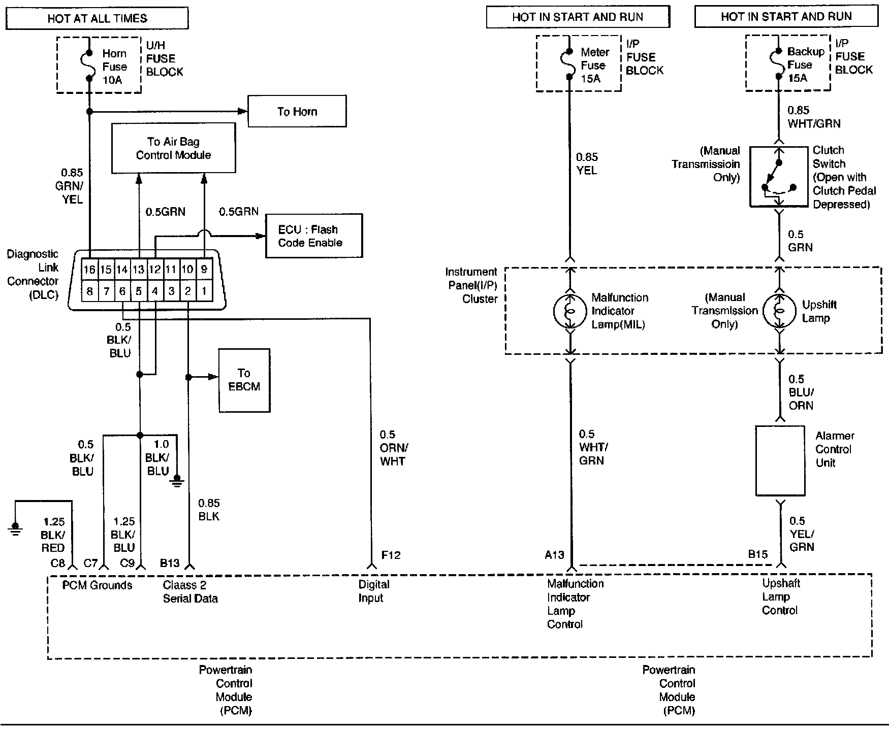
Data Link Connector: Diagrams
PCM Wiring Diagram (Part 1 Of 10):