Reading the Circuit Diagram
Each system has its own parts location illustration and circuit diagram.And harness connector faces used in the circuit diagram are shown separately.
Parts Location
The parts location shows the location of the connectors (1) and the harness (2) used in each harness routing (3).
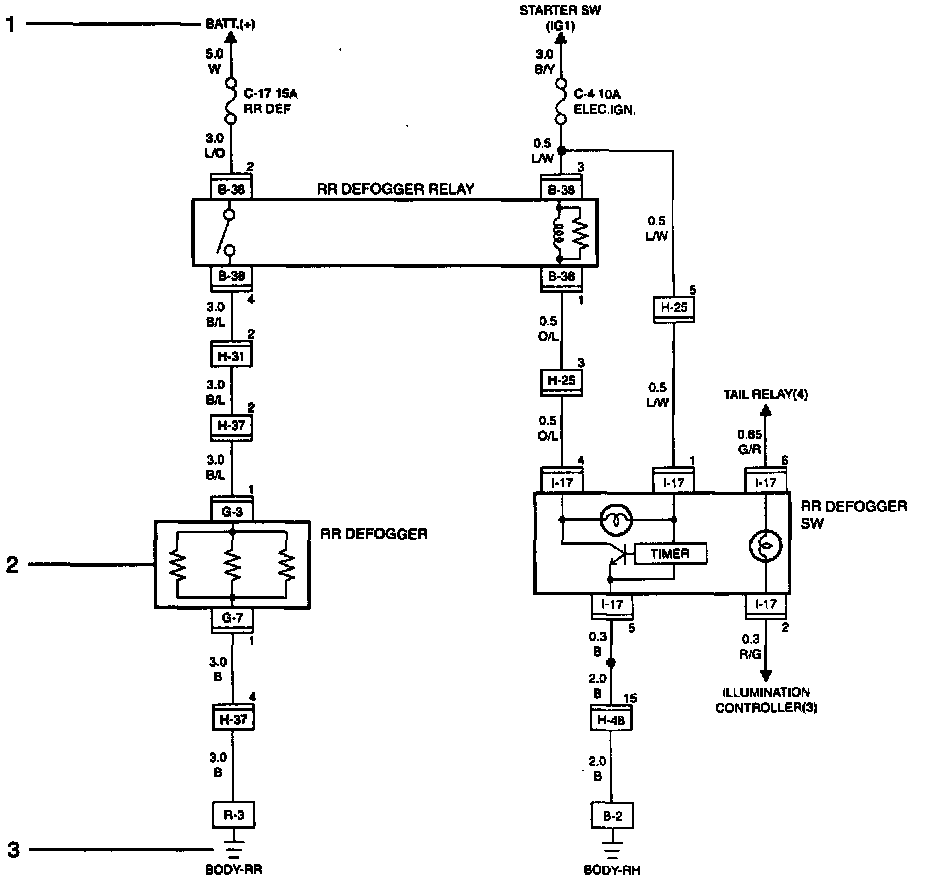
Circuit Diagram
The circuit diagram shows the power supply (1) the load or loads (2) and the grounding point(s) (3).
Harness Connector Faces
The harness connector faces show each connector's number (1), configuration (2) and the pin number (3).