Curiosii for ever!
: Car repair manuals for everyone.
Home
>>
Isuzu Truck
>>
1998
>>
Trooper LS V6-3.5L
>>
Repair and Diagnosis
>>
Diagrams
>>
Electrical Diagrams
>>
Powertrain Management
>>
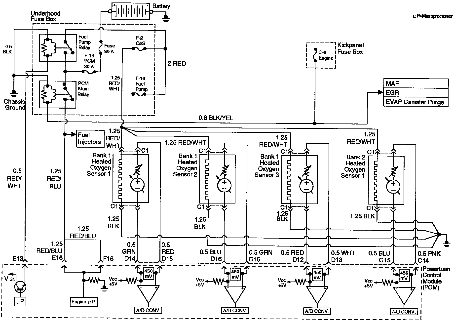
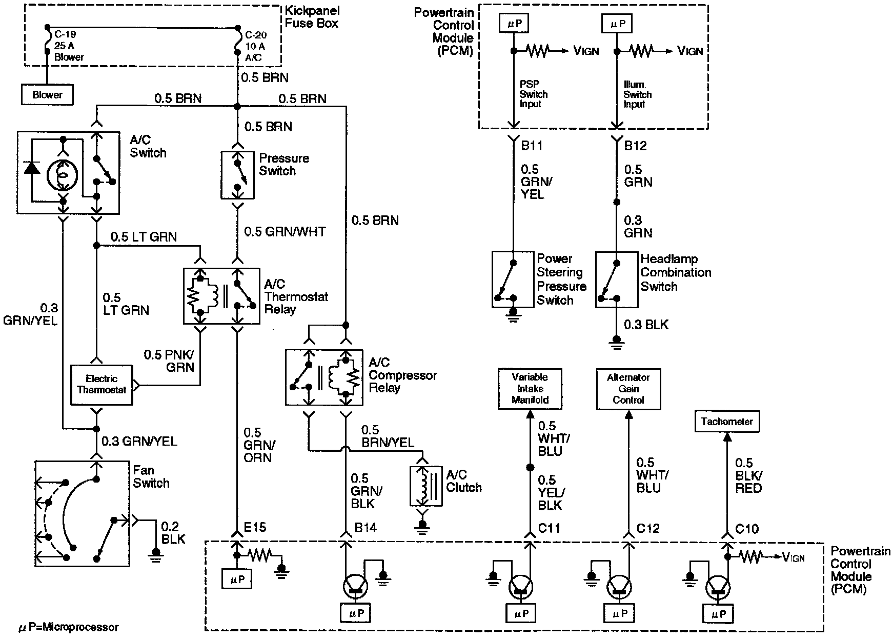
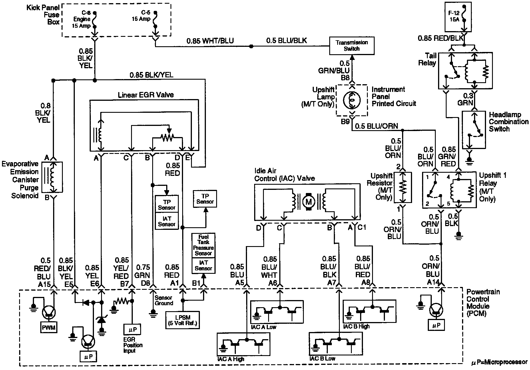
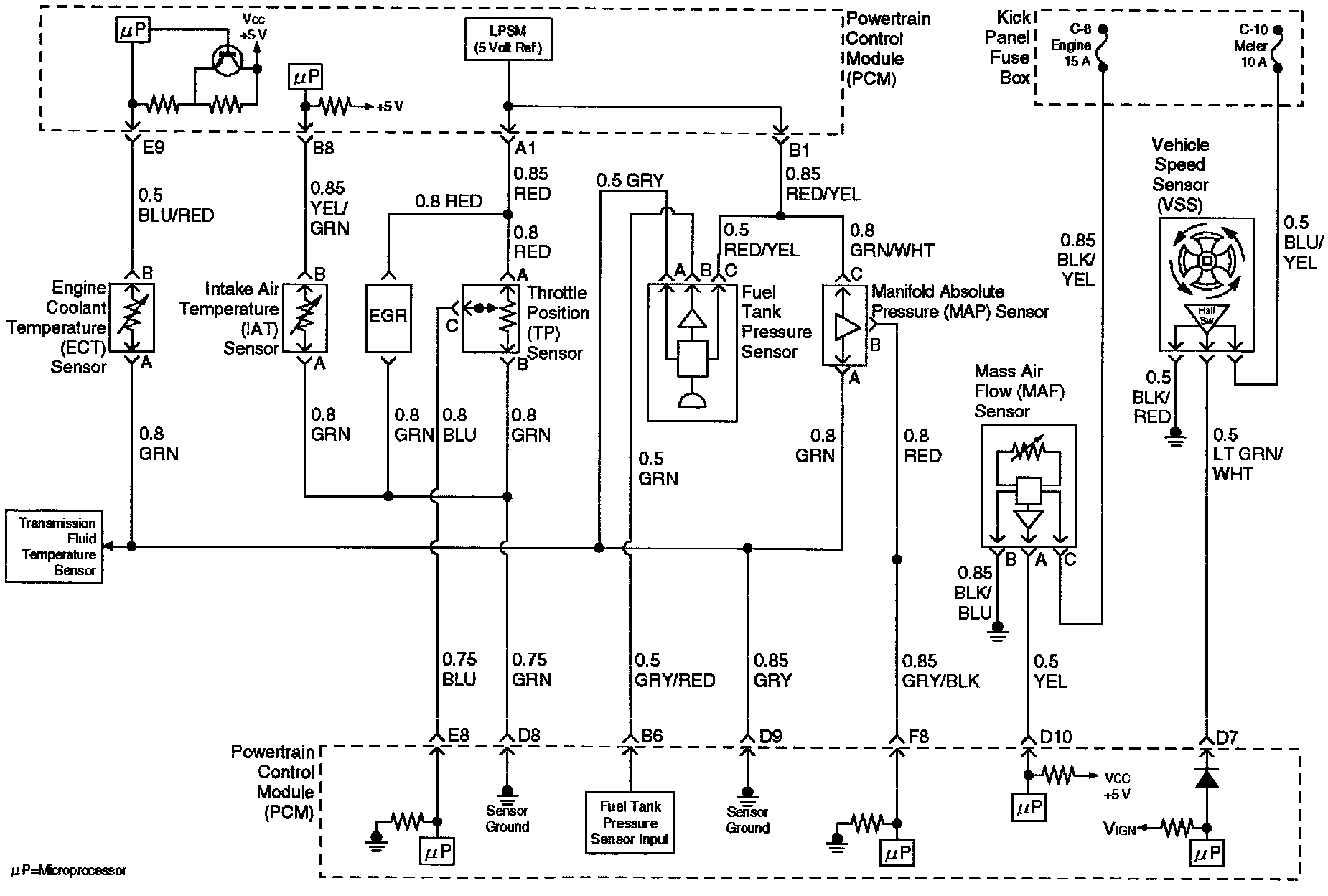
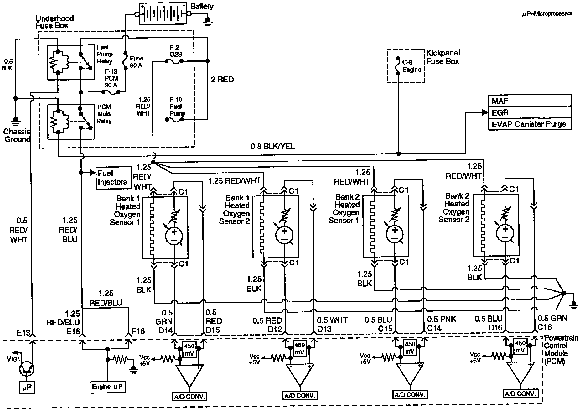
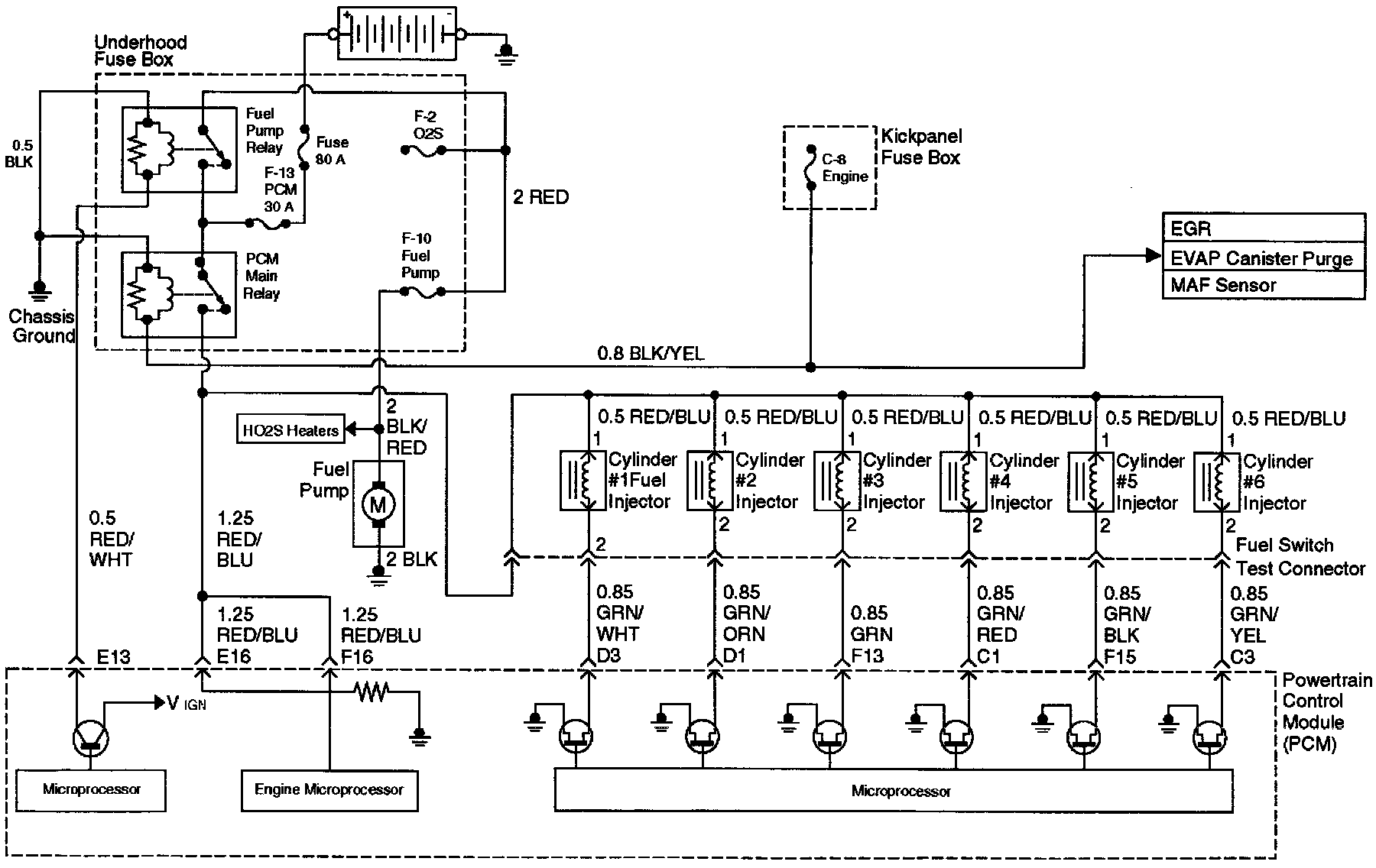
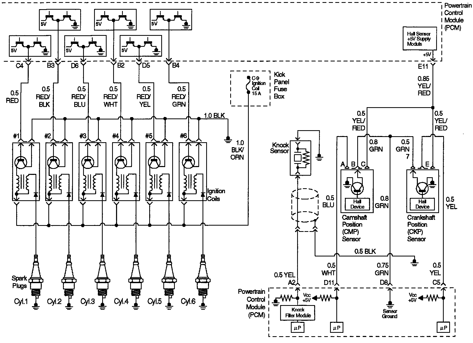
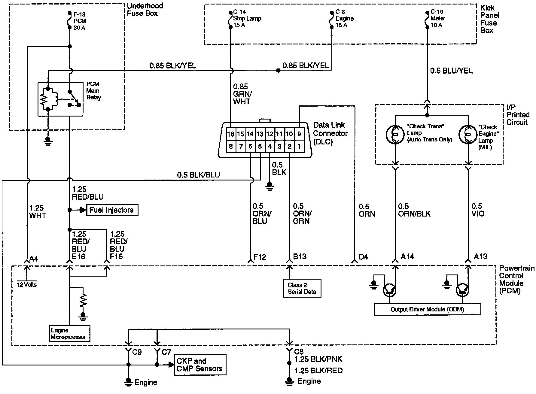
Engine Control Module
Engine Control Module