Curiosii for ever!: Car repair manuals for everyone.

Shift Light: Service and Repair

Removal
1. Disconnect the battery ground cable.




2. Remove the console assembly.
- Remove four screws.
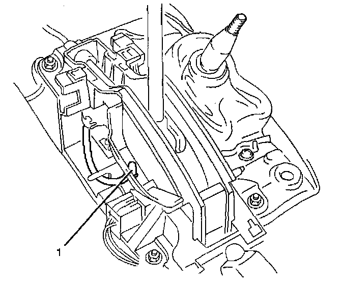
3. Remove the bulb (1).
- Turn the bulb socket counterclockwise.
- Pull out the bulb from the socket.

Installation
To install, follow the removal steps in the reverse order.