Curiosii for ever!
: Car repair manuals for everyone.
Home
>>
Isuzu Truck
>>
1998
>>
Rodeo LS 2WD V6-3.2L
>>
Repair and Diagnosis
>>
Specifications
>>
Mechanical Specifications
>>
Engine
>>
Engine Lubrication
>>
System Specifications
>>
System Specifications
System Specifications
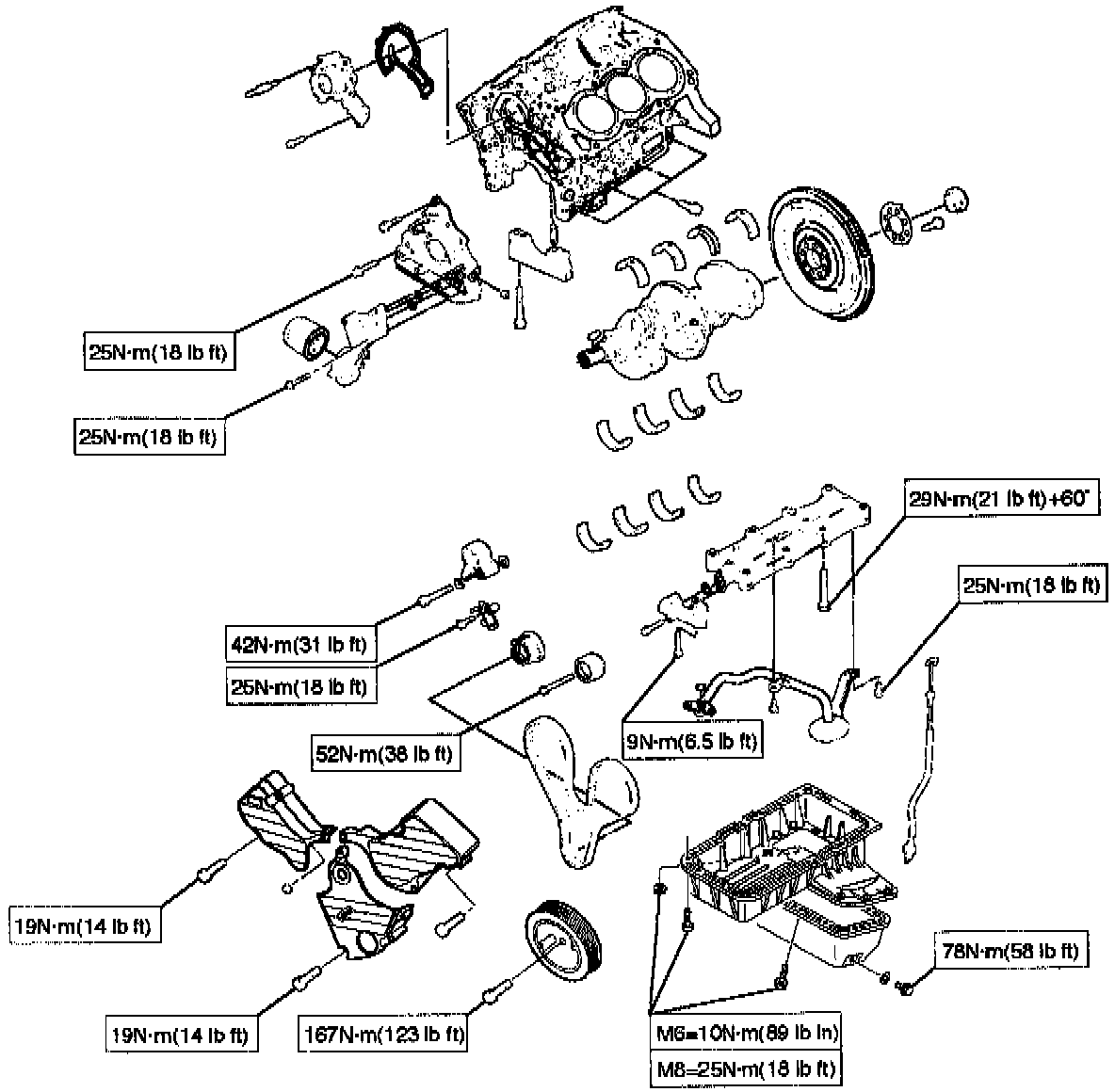
Crankcase, Oil Pan, Timing Belt Tensioner, Timing Pulley, Timing Belt Cover, Oil Pump, Oil Gallery, Oil Strainer: