Curiosii for ever!
: Car repair manuals for everyone.
Home
>>
Isuzu Truck
>>
1998
>>
Rodeo LS 2WD V6-3.2L
>>
Repair and Diagnosis
>>
Powertrain Management
>>
Transmission Control Systems
>>
Diagrams
>>
Diagnostic Aids
>>
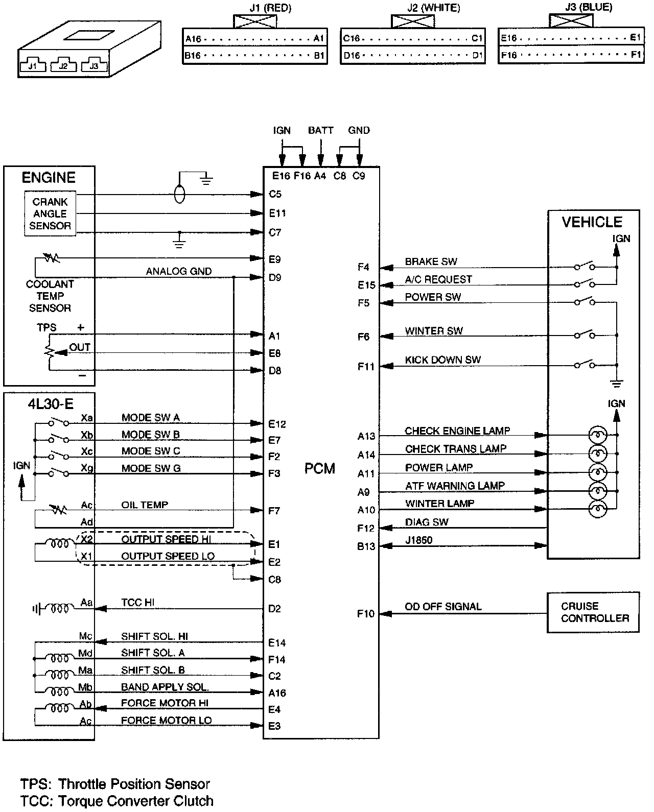
Powertrain Control Module(PCM)
Powertrain Control Module(PCM)