Curiosii for ever!: Car repair manuals for everyone.

PCM Related Circuits

Power And Ground - Powertrain Control Circuits:




Power And Ground

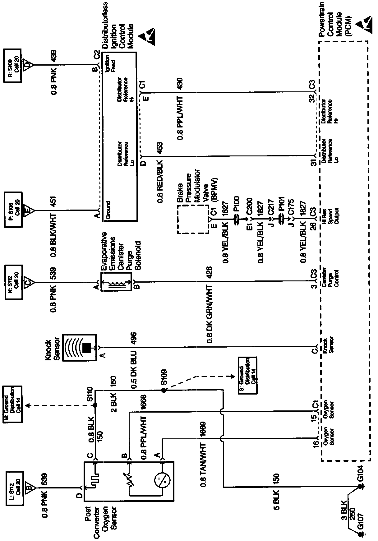
Ignition - Powertrain Control Circuits:




Ignition

Fuel Controls - Powertrain Control Circuits:




Fuel Controls

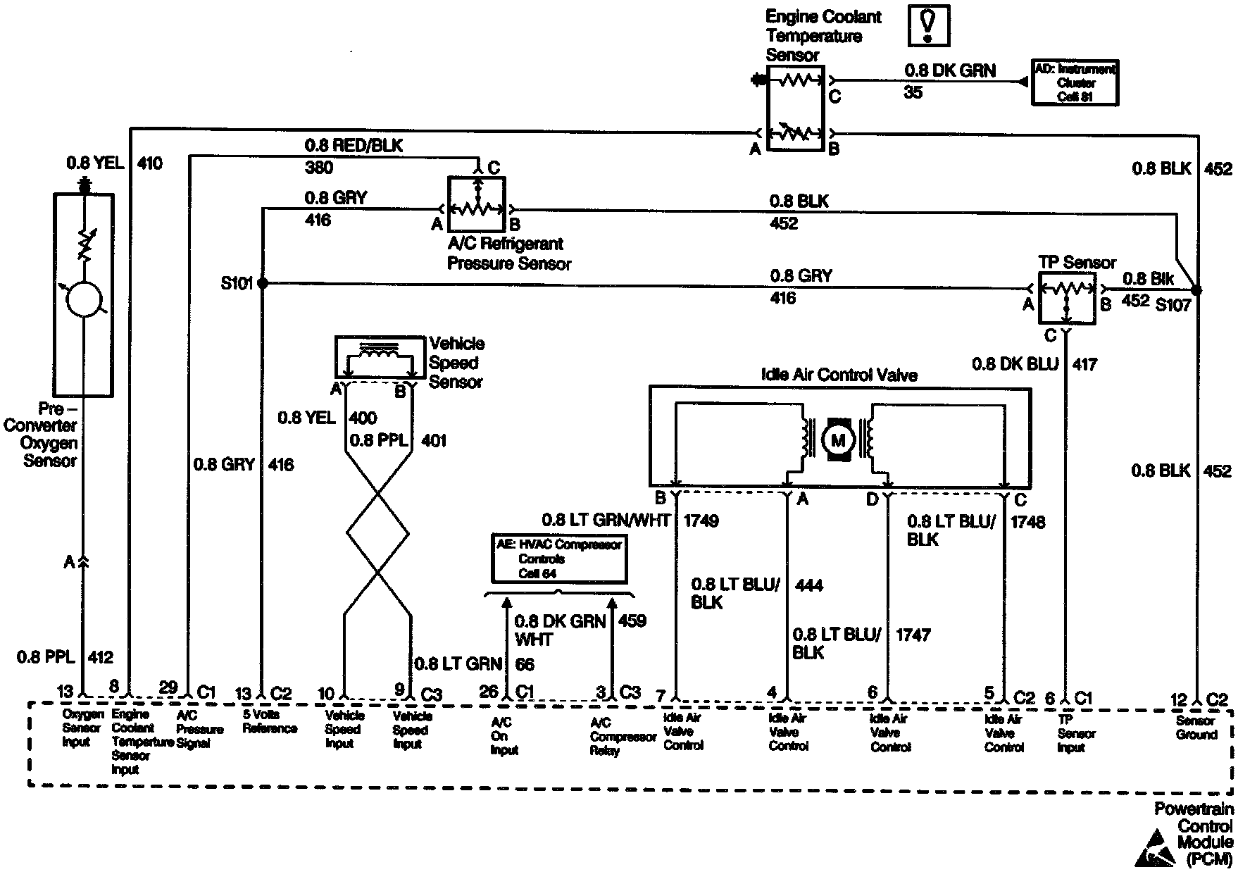
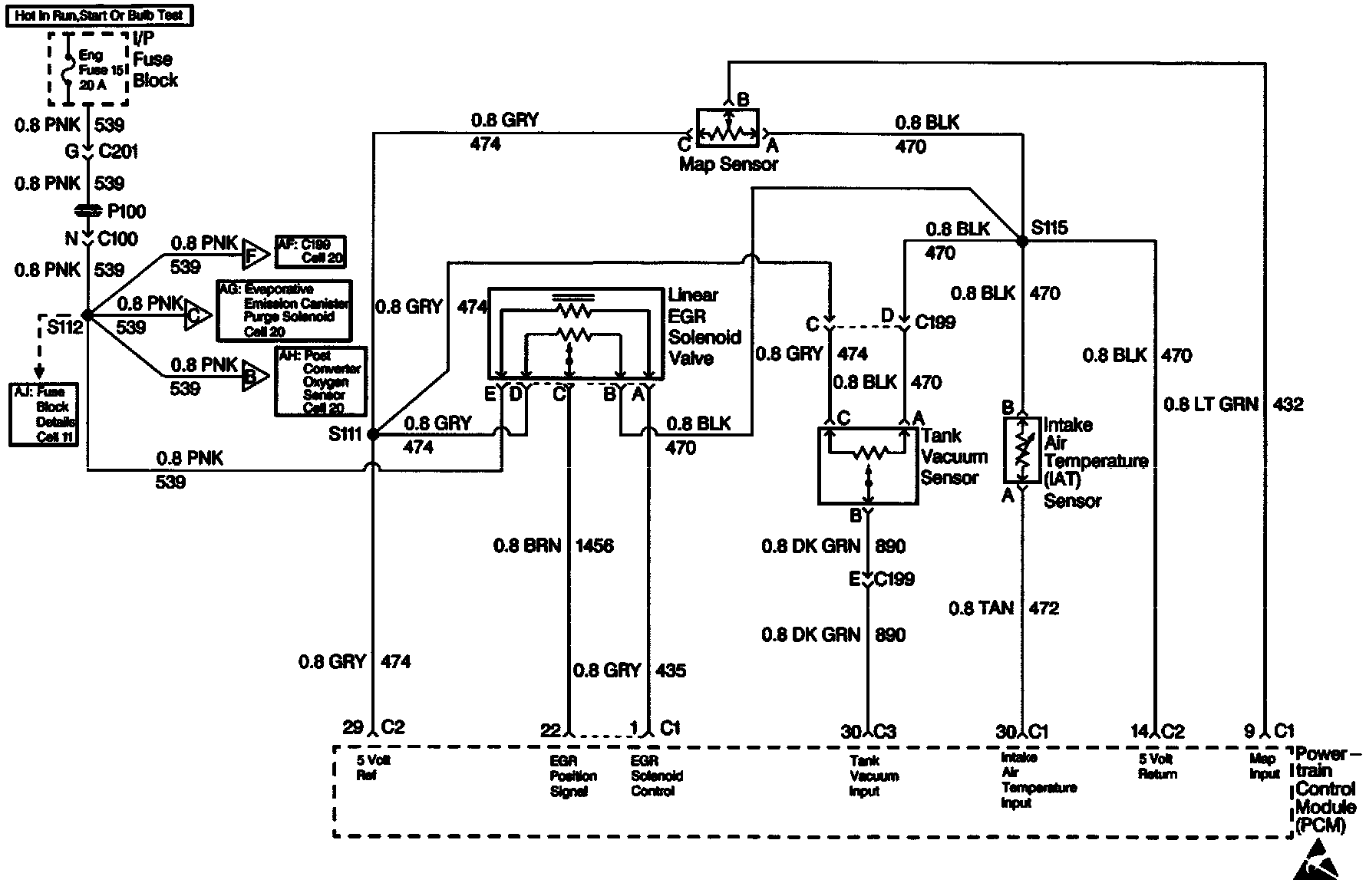
Sensors - Powertrain Control Circuits (1 Of 3):




Sensors - Powertrain Control Circuits (2 Of 3):




Sensors - Powertrain Control Circuits (3 Of 3):




Sensors

Circuit Reference Chart:




Circuit Reference Chart