Curiosii for ever!
: Car repair manuals for everyone.
Home
>>
Isuzu Truck
>>
1996
>>
Hombre L4-2.2L CPC
>>
Repair and Diagnosis
>>
Powertrain Management
>>
Computers and Control Systems
>>
Relays and Modules - Computers and Control Systems
>>
Engine Control Module
>>
Diagrams
>>
Electrical Diagrams
Electrical Diagrams
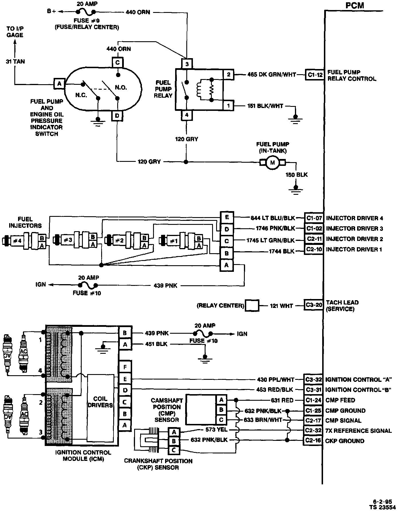
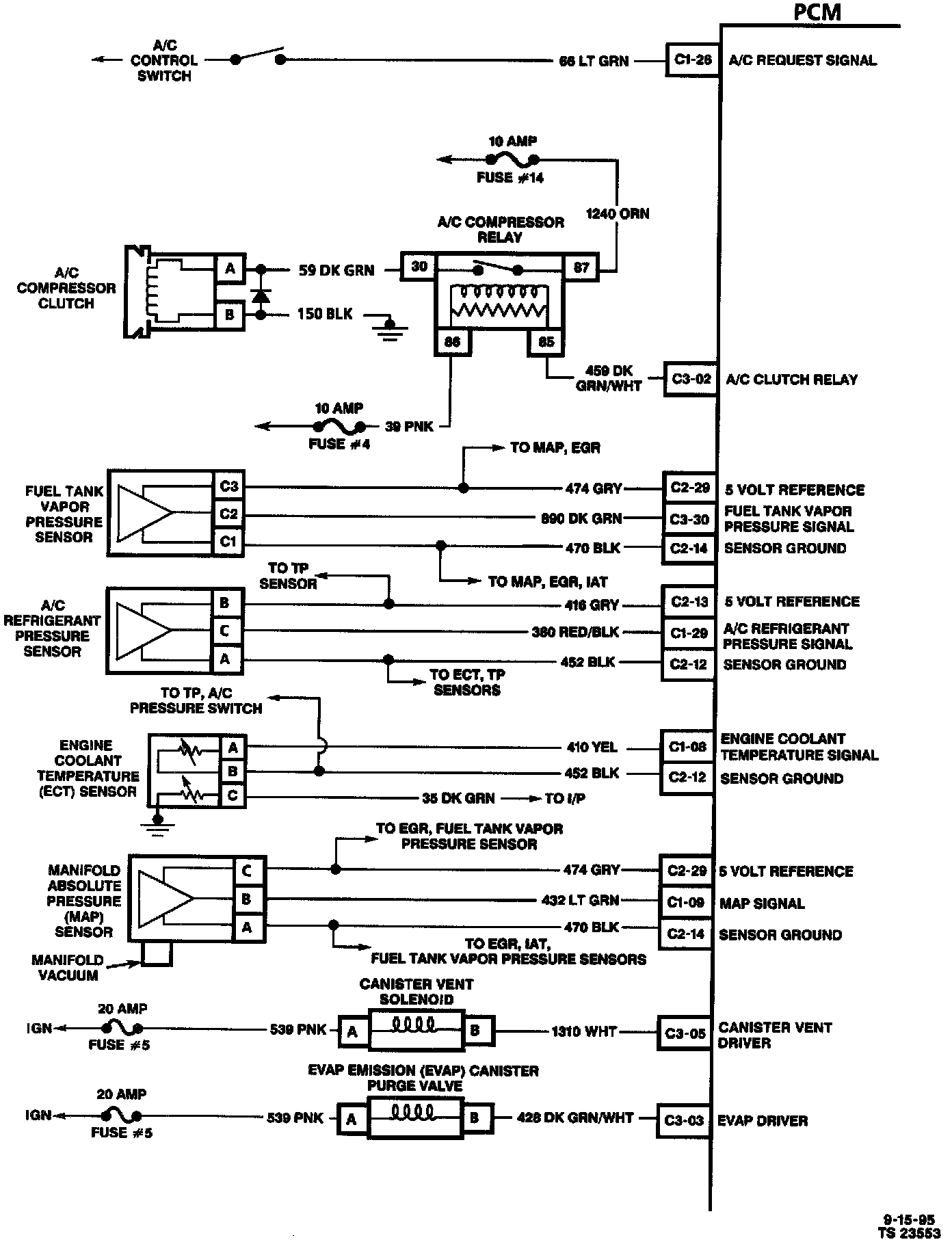
Powertrain Control Module Wiring Diagrams
PCM Circuits (1 Of 5):
Part 1 of 5
PCM Circuits (2 Of 5):
Part 2 of 5
PCM Circuits (3 Of 5):
Part 3 of 5
PCM Circuits (4 Of 5):
Part 4 of 5
PCM Circuits (5 Of 5):
Part 5 of 5