Curiosii for ever!: Car repair manuals for everyone.

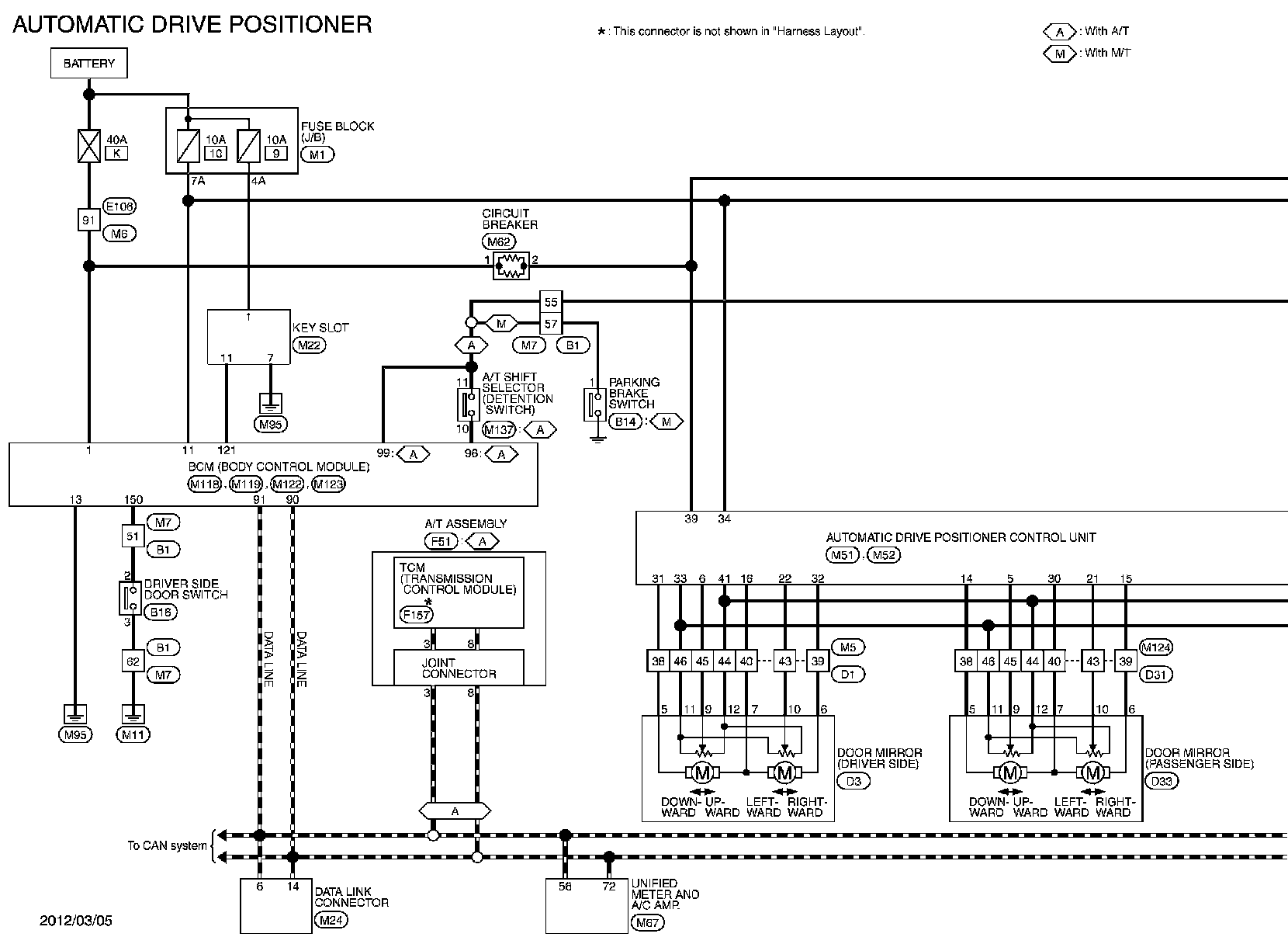
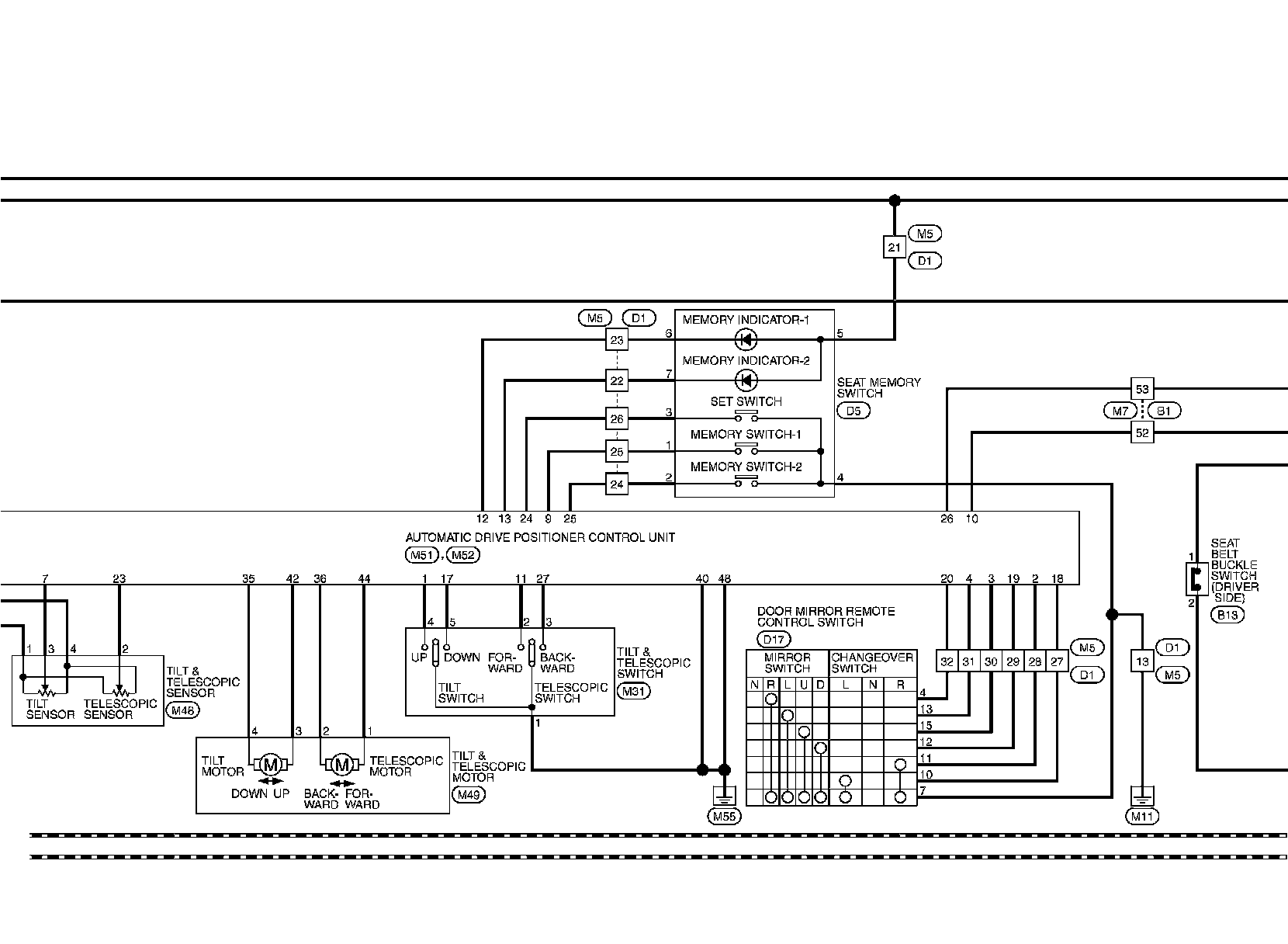
Automatic Drive Positioner Control Unit




AUTOMATIC DRIVE POSITIONER CONTROL UNIT

Wiring Diagram - AUTOMATIC DRIVE POSITIONER CONTROL SYSTEM

For connector terminal arrangements, harness layouts, and alphabets in a (option abbreviation; if not described in wiring diagram), refer to "Connector Information" Connector Information.