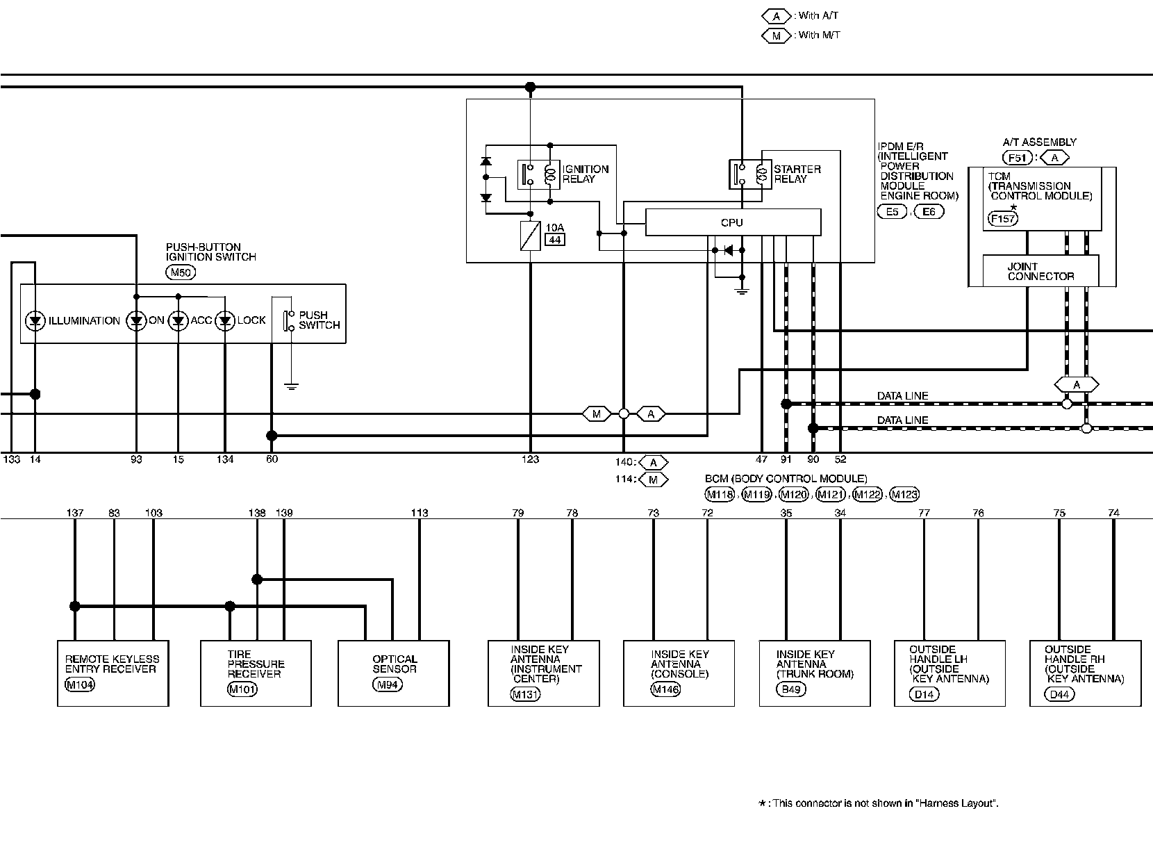
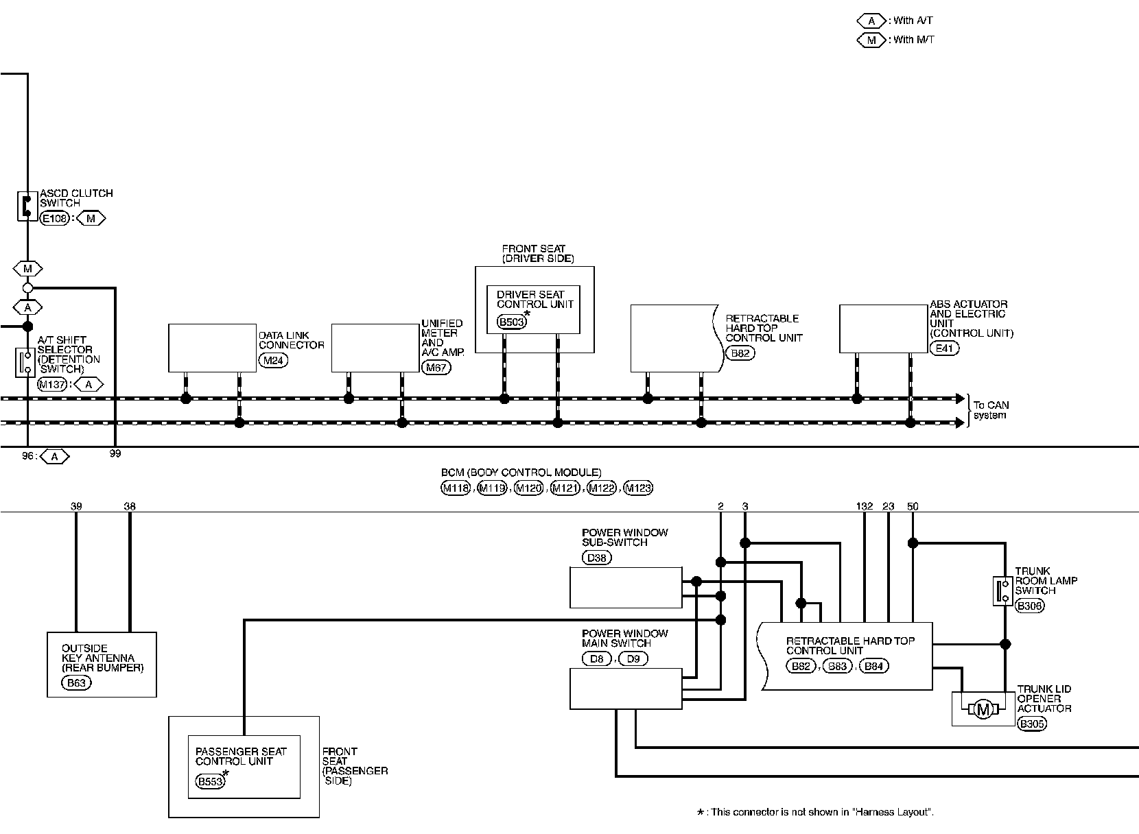
Curiosii for ever!: Car repair manuals for everyone.

BCM (Body Control Module)




BCM (BODY CONTROL MODULE)

Wiring Diagram - BCM

For connector terminal arrangements, harness layouts, and alphabets in a (option abbreviation; if not described in wiring diagram), refer to "Connector Information" Connector Information.