Curiosii for ever!
: Car repair manuals for everyone.
Home
>>
Infiniti
>>
2012
>>
G37 Convertible V6-3.7L (VQ37VHR)
>>
Repair and Diagnosis
>>
Transmission and Drivetrain
>>
Automatic Transmission/Transaxle
>>
Service and Repair
>>
Overhaul
>>
Transmission Assembly
>>
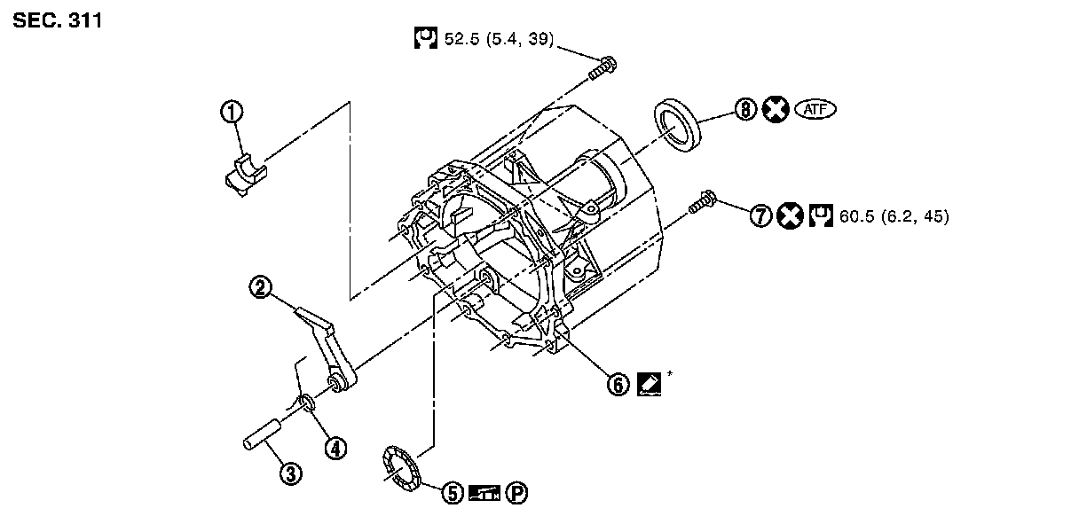
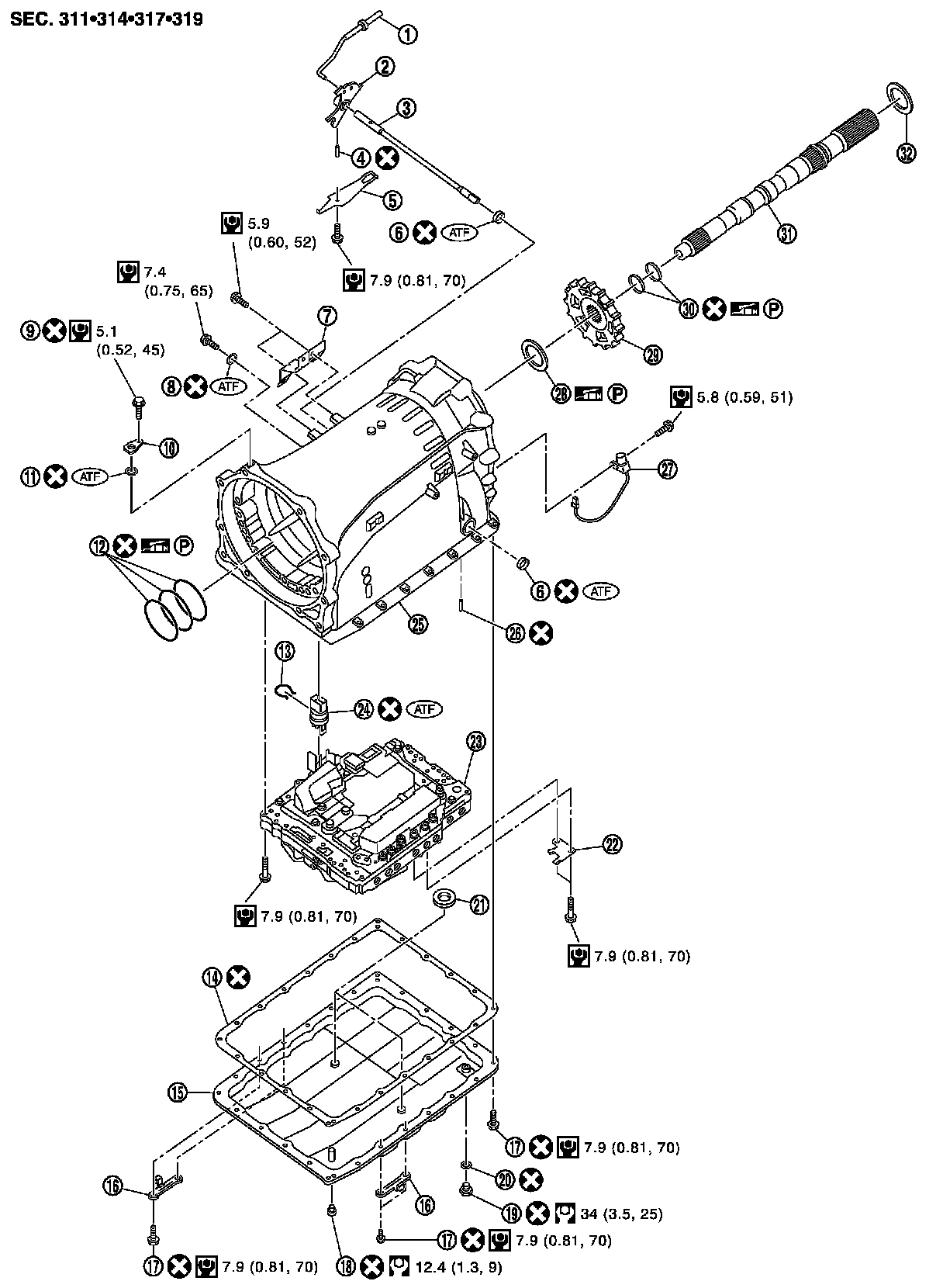
Exploded View
Exploded View
TRANSMISSION ASSEMBLY
Exploded View