Curiosii for ever!
: Car repair manuals for everyone.
Home
>>
Infiniti
>>
2012
>>
G37 Convertible V6-3.7L (VQ37VHR)
>>
Repair and Diagnosis
>>
Diagrams
>>
Electrical Diagrams
>>
Powertrain Management
>>
System Diagram
>>
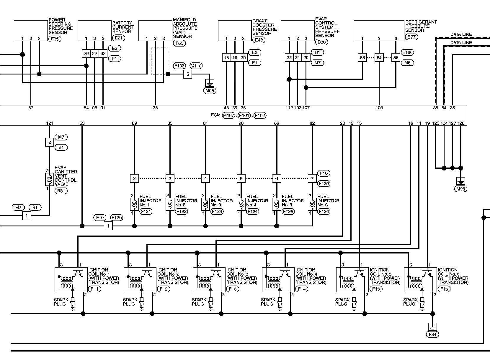
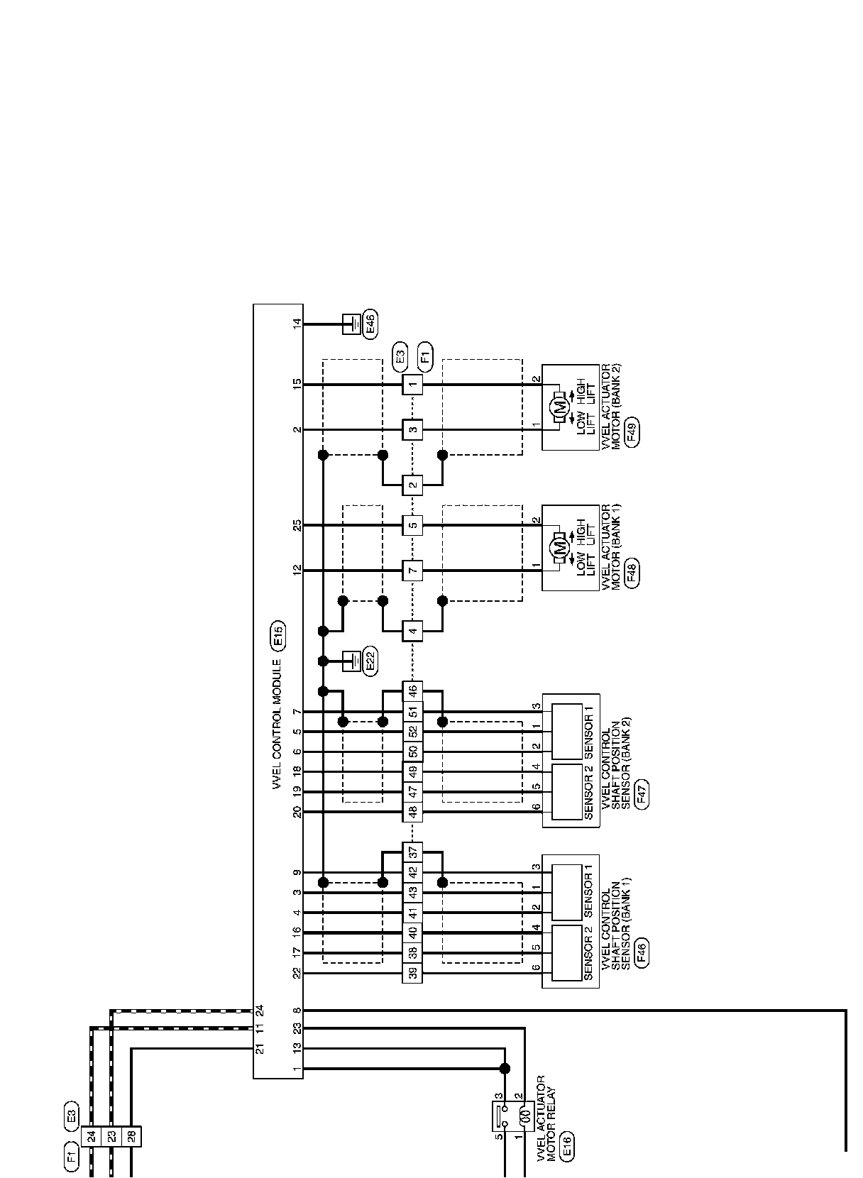
VVEL Control Module
VVEL Control Module
VVEL CONTROL MODULE
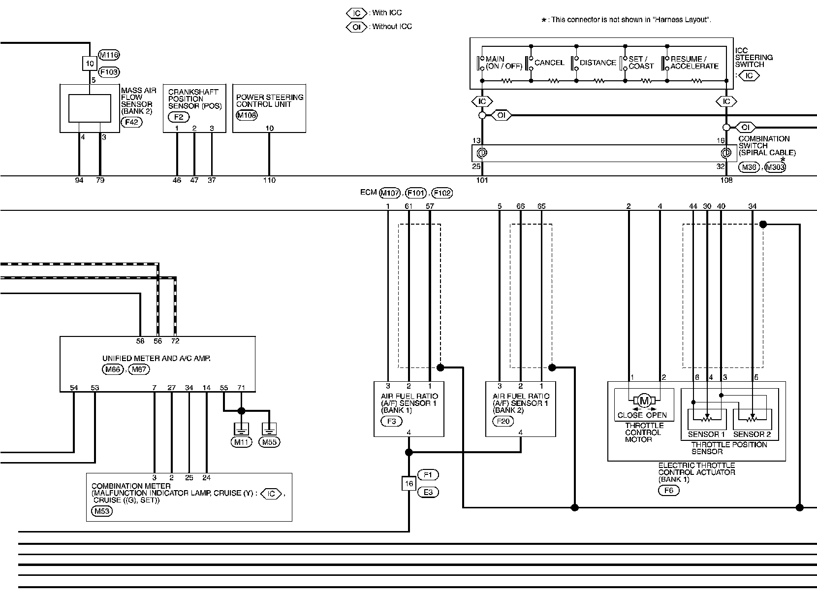
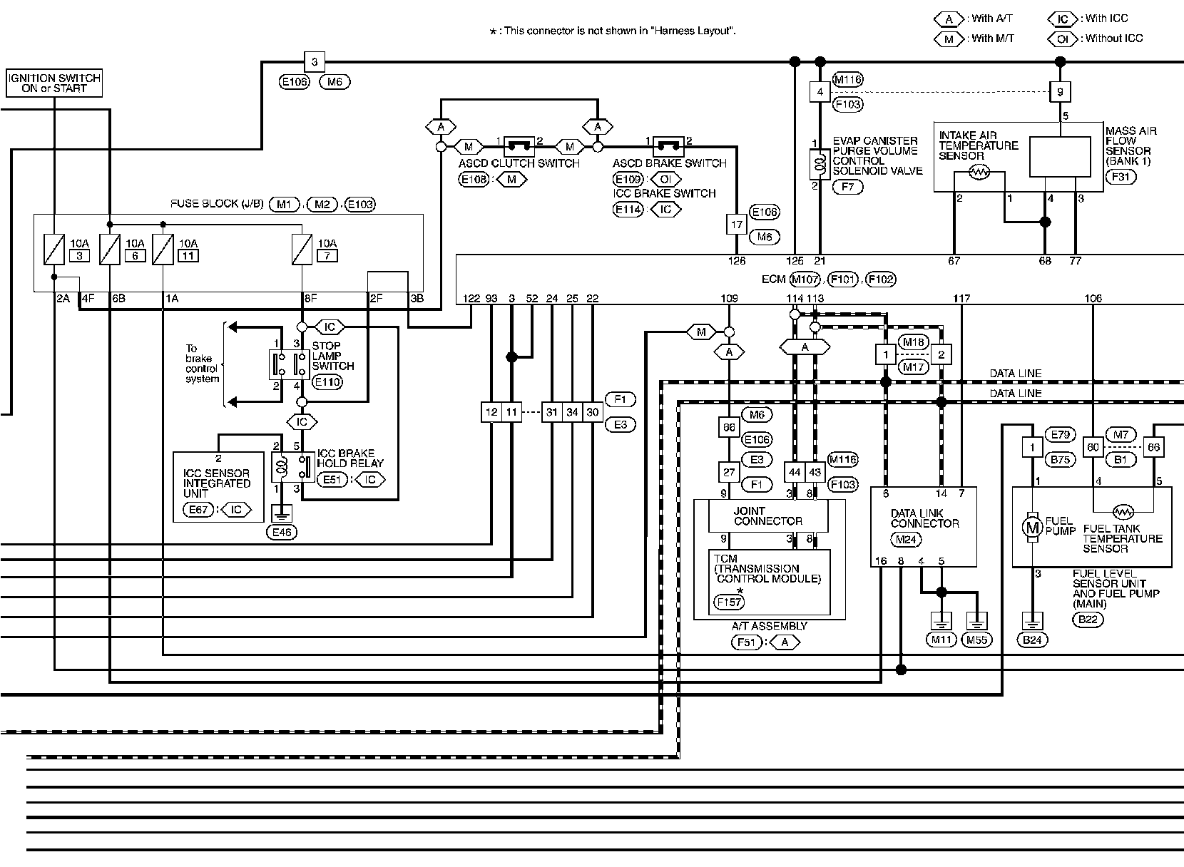
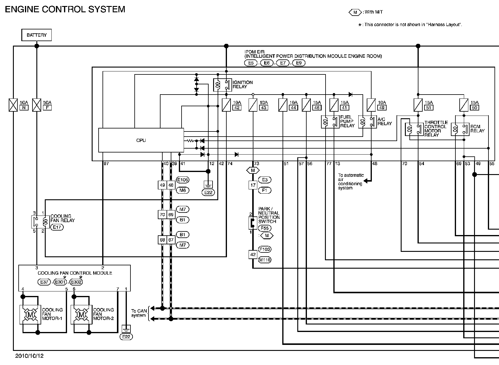
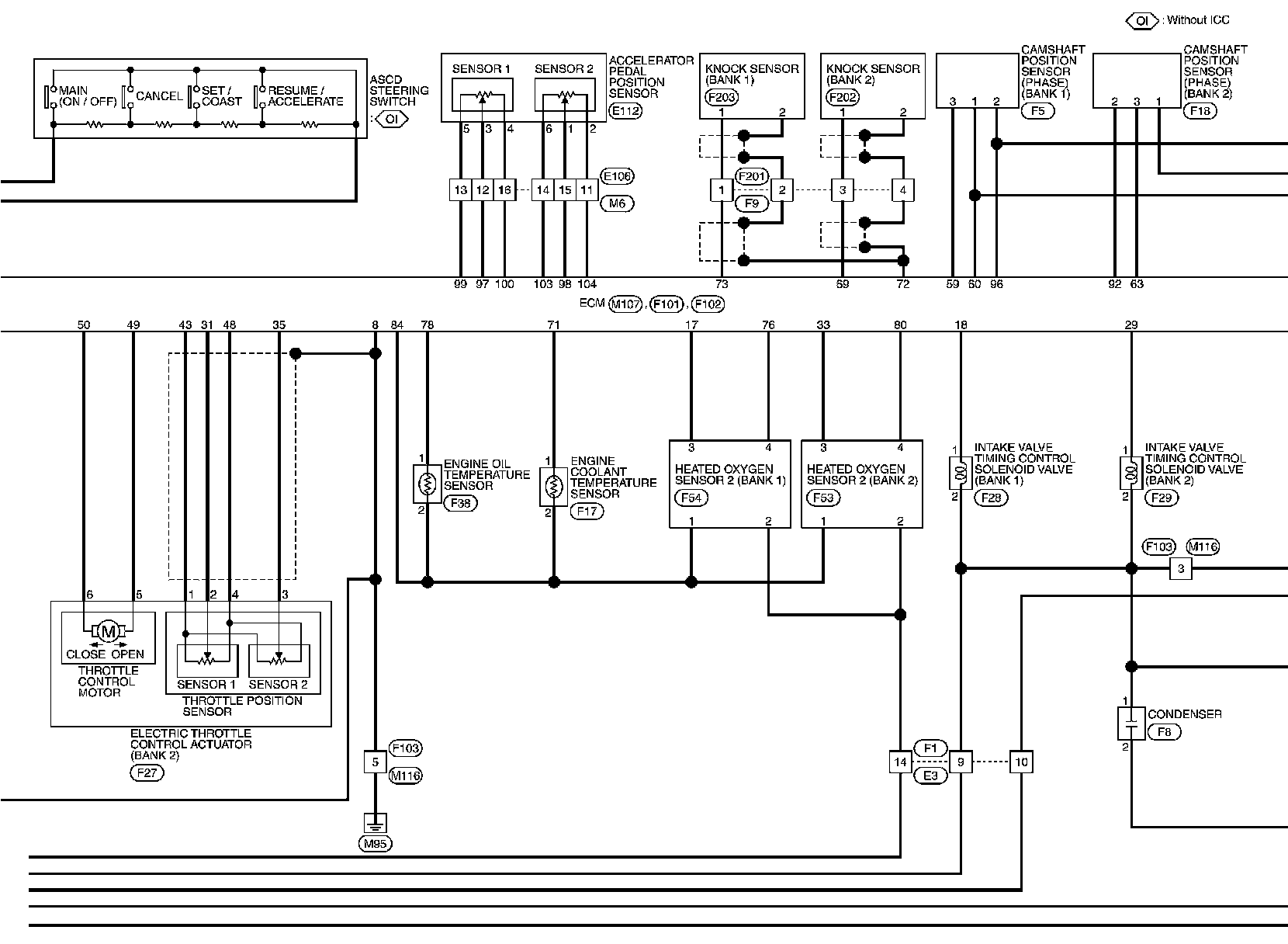
Wiring Diagram - ENGINE CONTROL SYSTEM