Curiosii for ever!
: Car repair manuals for everyone.
Home
>>
Infiniti
>>
2012
>>
G37 Convertible V6-3.7L (VQ37VHR)
>>
Repair and Diagnosis
>>
Diagrams
>>
Electrical Diagrams
>>
Memory Positioning Systems
>>
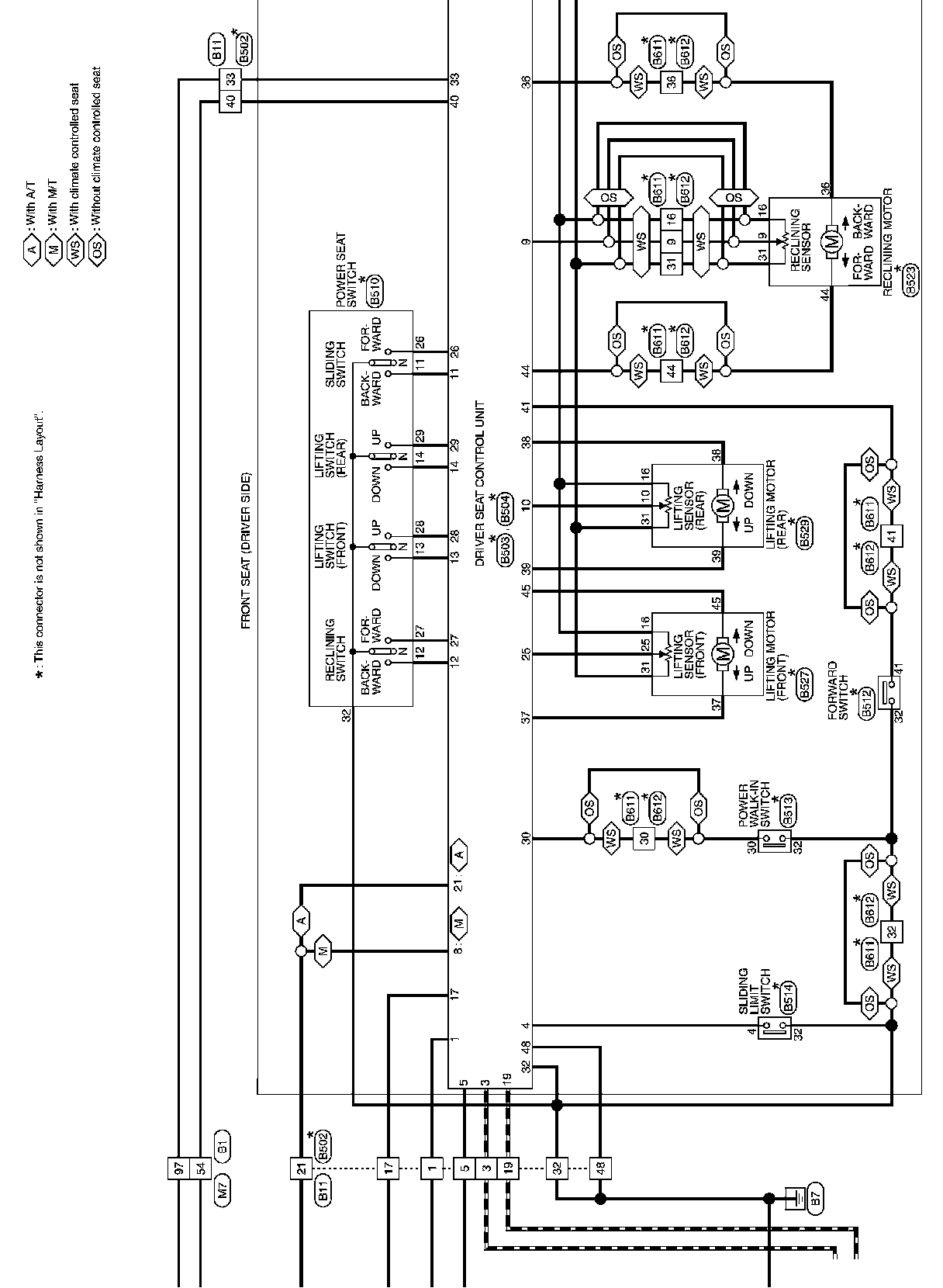
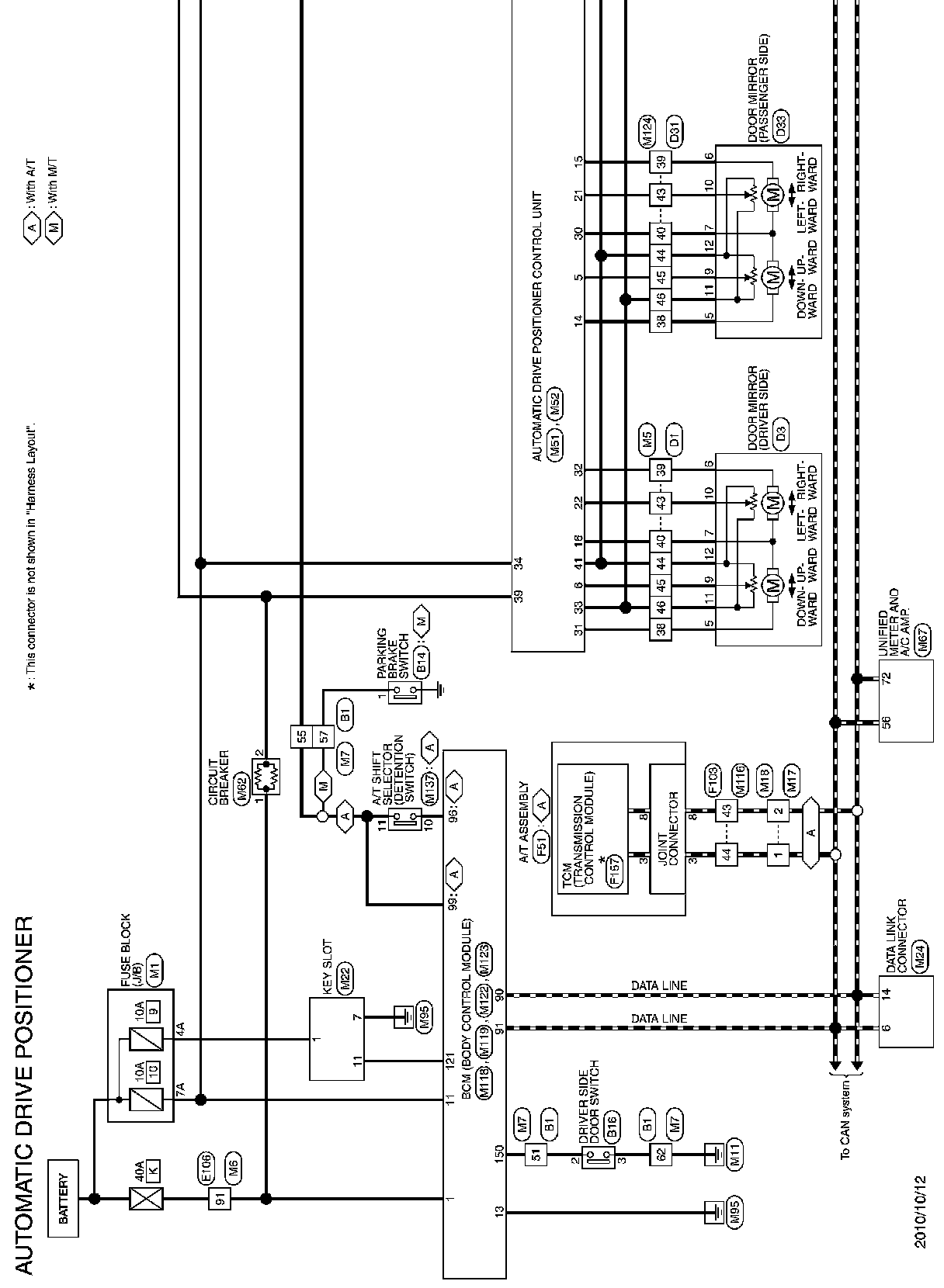
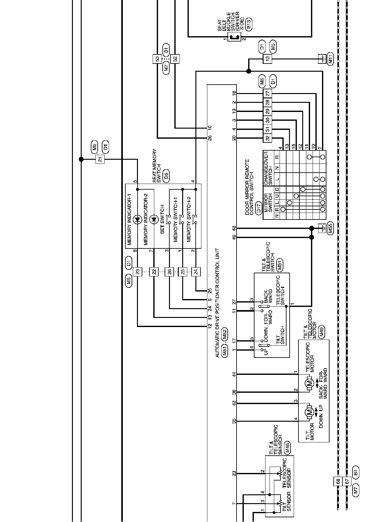
Automatic Drive Positioner Control Unit
Automatic Drive Positioner Control Unit
AUTOMATIC DRIVE POSITIONER CONTROL UNIT
Wiring Diagram - AUTOMATIC DRIVE POSITIONER CONTROL SYSTEM