Curiosii for ever!
: Car repair manuals for everyone.
Home
>>
Infiniti
>>
2011
>>
M56 V8-5.6L (VK56VD)
>>
Repair and Diagnosis
>>
Diagrams
>>
Electrical Diagrams
>>
Computers and Control Systems
>>
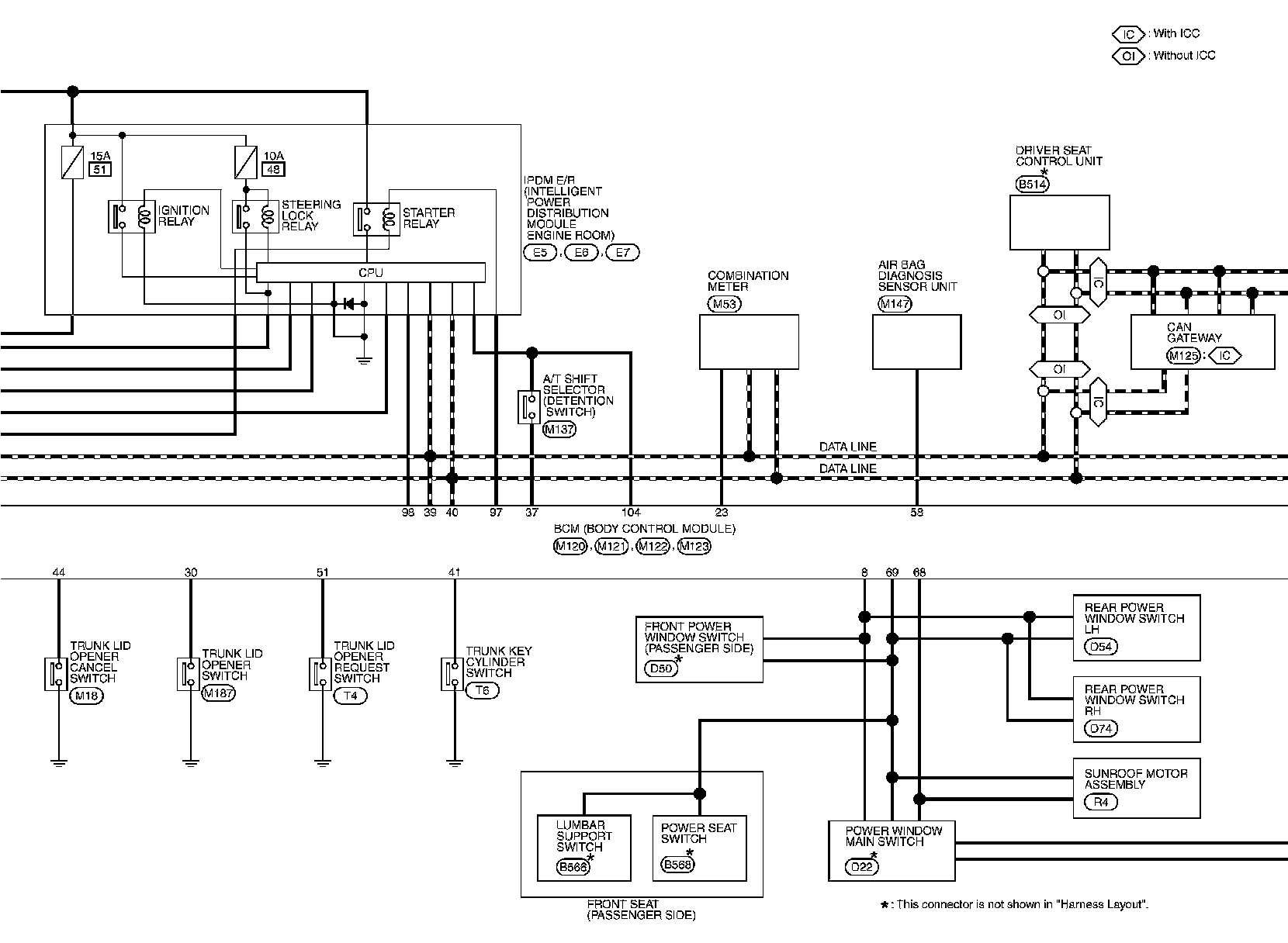
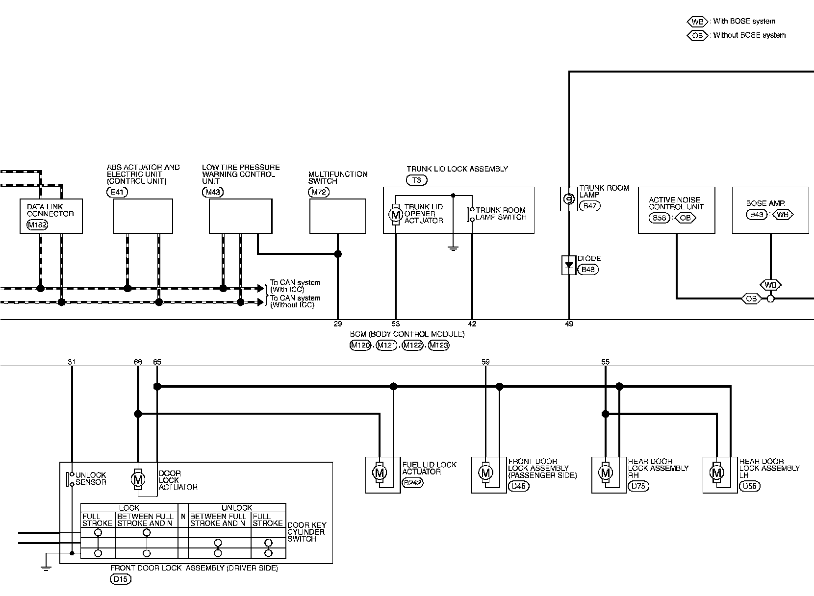
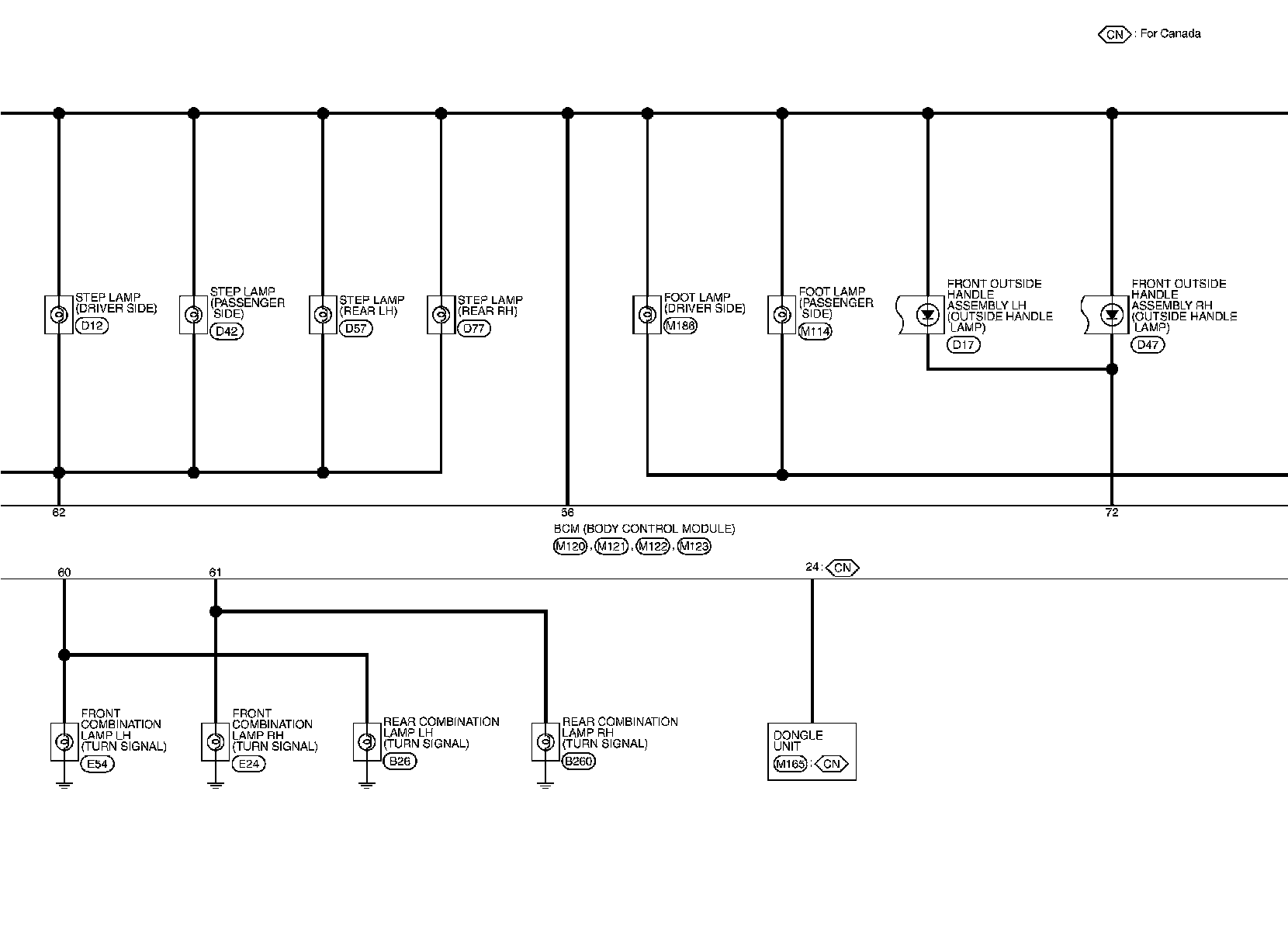
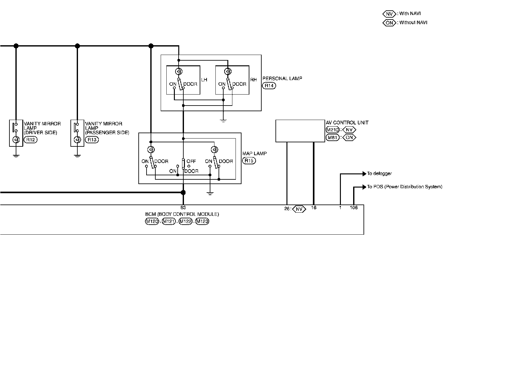
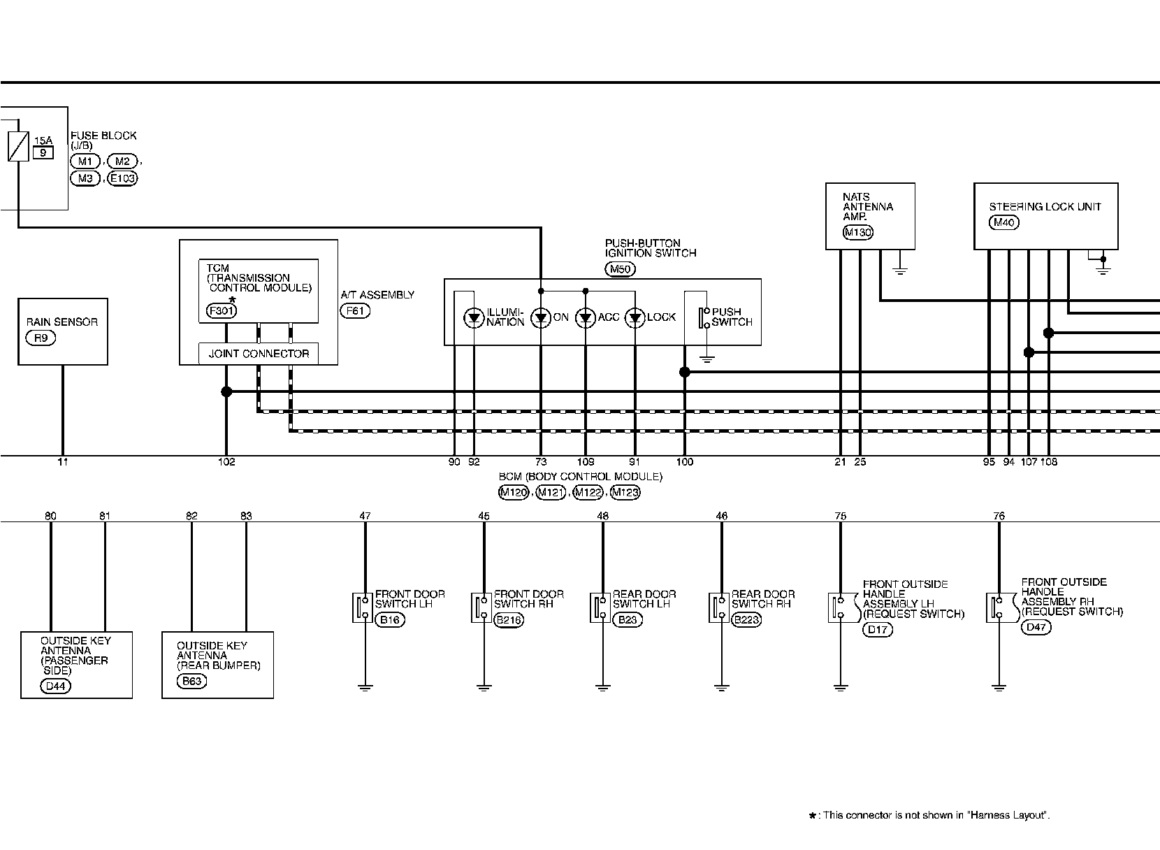
Body Control Module
Body Control Module
BCM
Wiring Diagram