Curiosii for ever!: Car repair manuals for everyone.

IVT Control Position Sensor





DTC P1140, P1145 IVT CONTROL POSITION SENSOR


Wiring Diagram


BANK 1





Specification data are reference values and are measured between each terminal and ground.
Pulse signal is measured by CONSULT-III.

CAUTION:
Never use ECM ground terminals when measuring input/output voltage. Doing so may result in damage to the ECM's transistor. Use a ground other than ECM terminals, such as the ground.






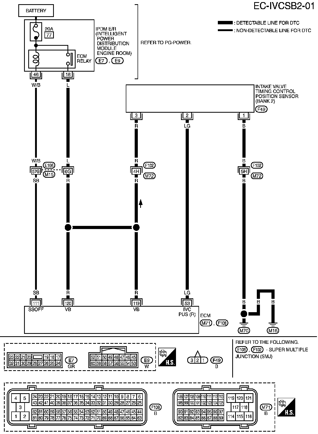
BANK 2





Specification data are reference values and are measured between each terminal and ground.
Pulse signal is measured by CONSULT-III.

CAUTION:
Do not use ECM ground terminals when measuring input/output voltage. Doing so may result in damage to the ECM's transistor. Use a ground other than ECM terminals, such as the ground.