Curiosii for ever!: Car repair manuals for everyone.

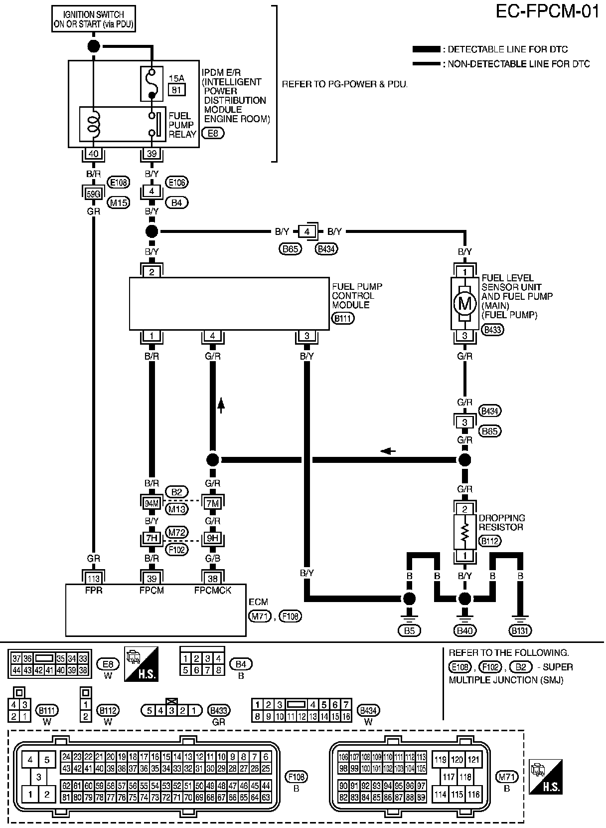
Fuel Pump Control Module (FPCM)





DTC P1220 FUEL PUMP CONTROL MODULE (FPCM)


Wiring Diagram






Specification data are reference values and are measured between each terminal and ground.

CAUTION:
Never use ECM ground terminals when measuring input/output voltage. Doing so may result in damage to the ECM's transistor. Use a ground other than ECM terminals, such as the ground.