Curiosii for ever!: Car repair manuals for everyone.

Refrigerant System Protection





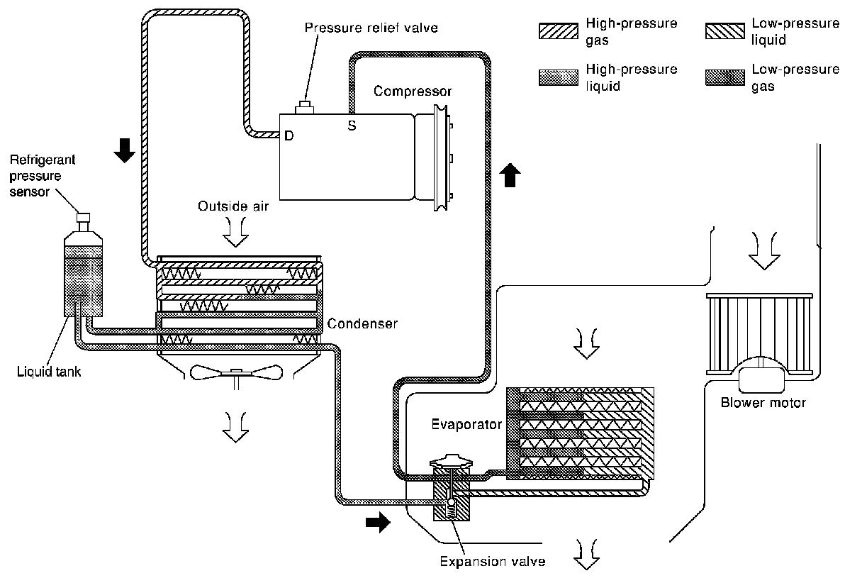
REFRIGERATION SYSTEM


Refrigerant System Protection


REFRIGERANT PRESSURE SENSOR
The refrigerant system is protected against excessively high- or low-pressures by the refrigerant pressure sensor, located on the liquid tank. If the system pressure rises above, or falls below the specifications, the refrigerant pressure sensor detects the pressure inside the refrigerant line and sends the voltage signal to the ECM.
ECM makes the A/C relay go OFF and stops the compressor when pressure on the high-pressure side detected by refrigerant pressure sensor is over about 3,119 kPa (31.8 kg/cm2, 452 psi), or below about 118 kPa (1.2 kg/cm2, 17 psi).

PRESSURE RELIEF VALVE
The refrigerant system is also protected by a pressure relief valve, located in the rear head of the compressor.
When the pressure of refrigerant in the system increases to an unusual level [more than 3,628 kPa (37 kg/cm2, 526 psi)], the release port on the pressure relief valve automatically opens and releases refrigerant into the atmosphere.