Curiosii for ever!
: Car repair manuals for everyone.
Home
>>
Infiniti
>>
2010
>>
M45 V8-4.5L (VK45DE)
>>
Repair and Diagnosis
>>
Diagrams
>>
Electrical Diagrams
>>
Keyless Entry
>>
Intelligent Key System/Engine Start Function
Intelligent Key System/Engine Start Function
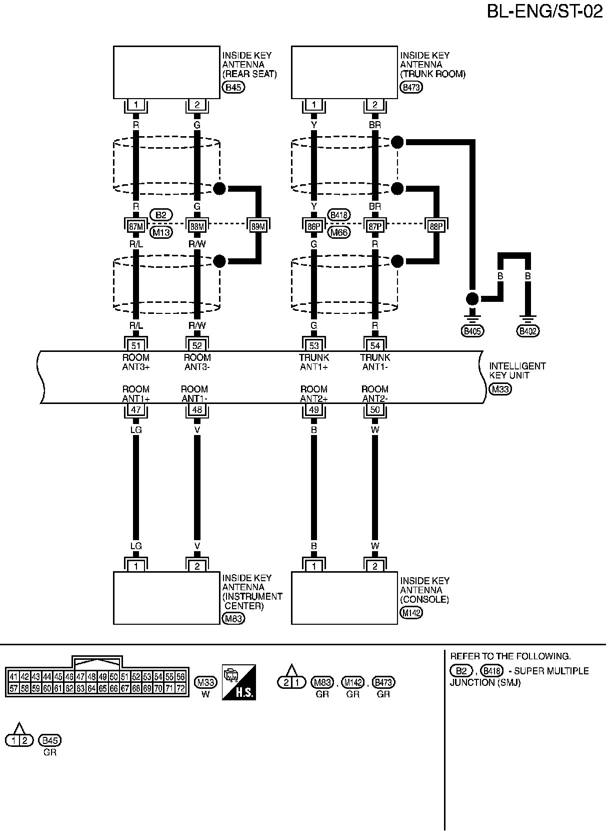
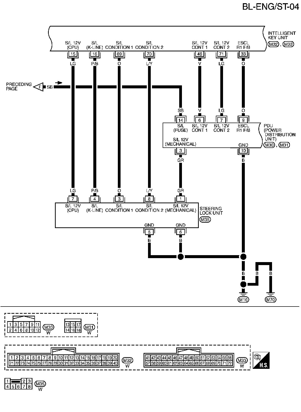
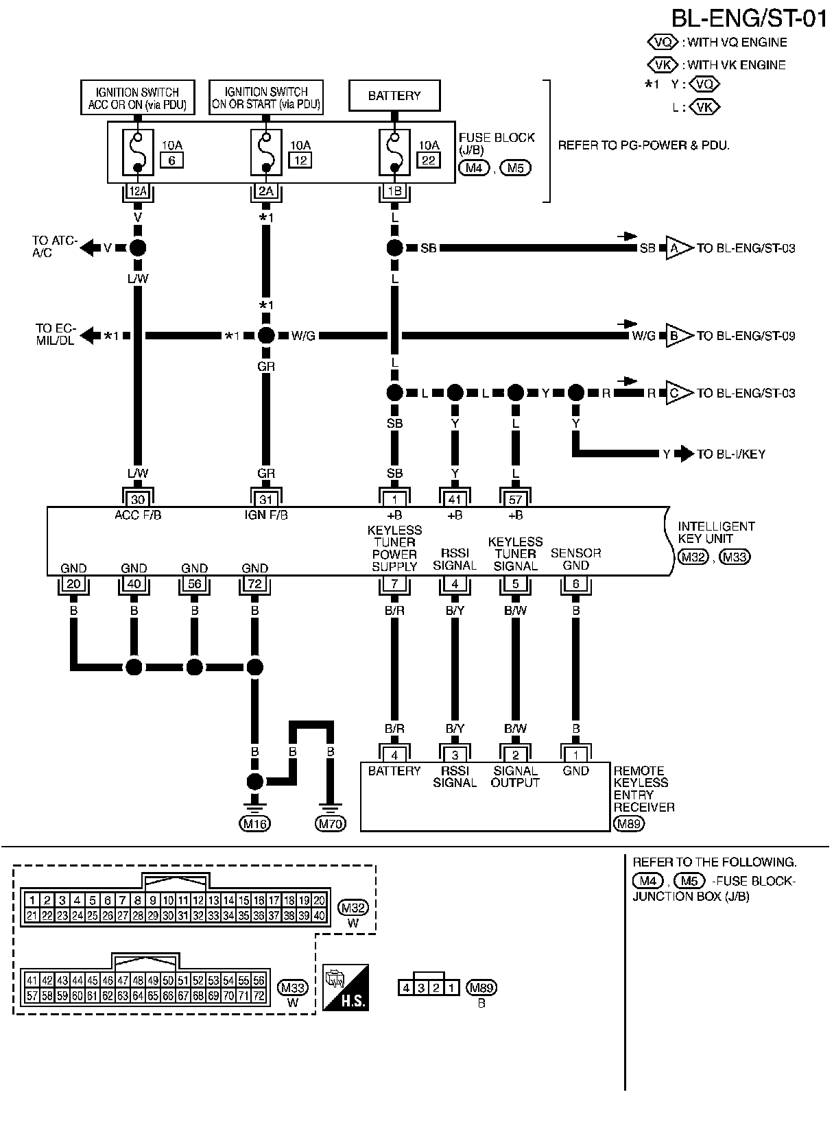
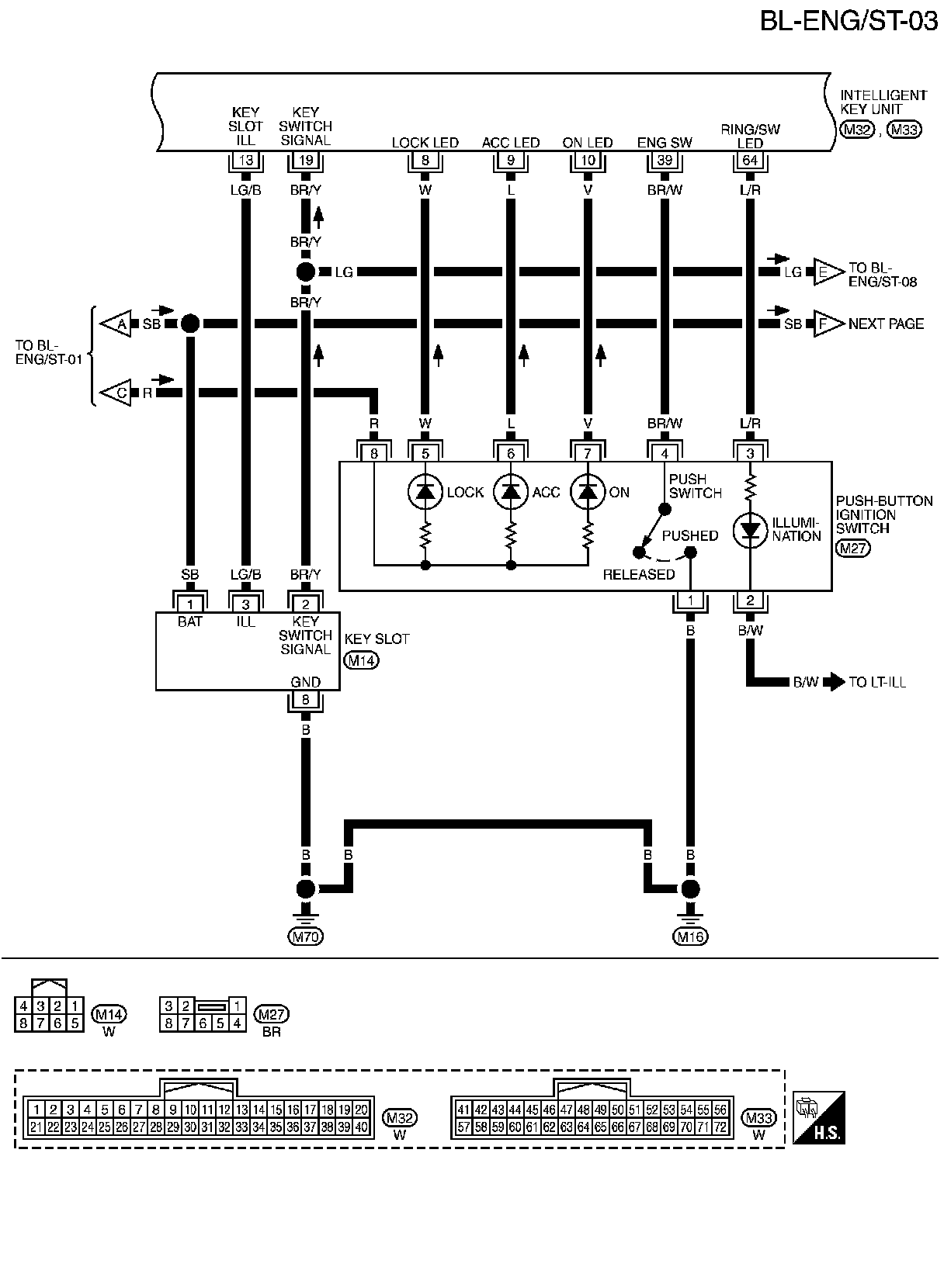
INTELLIGENT KEY SYSTEM/ENGINE START FUNCTION
Wiring Diagram - ENG/ST -