Curiosii for ever!
: Car repair manuals for everyone.
Home
>>
Infiniti
>>
2010
>>
M45 V8-4.5L (VK45DE)
>>
Repair and Diagnosis
>>
Body and Frame
>>
Locks
>>
Keyless Entry
>>
Description and Operation
>>
Intelligent Key System/Engine Start Function
>>
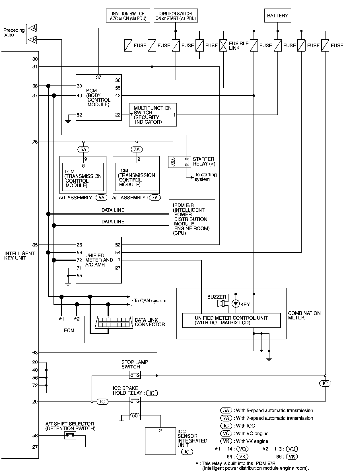
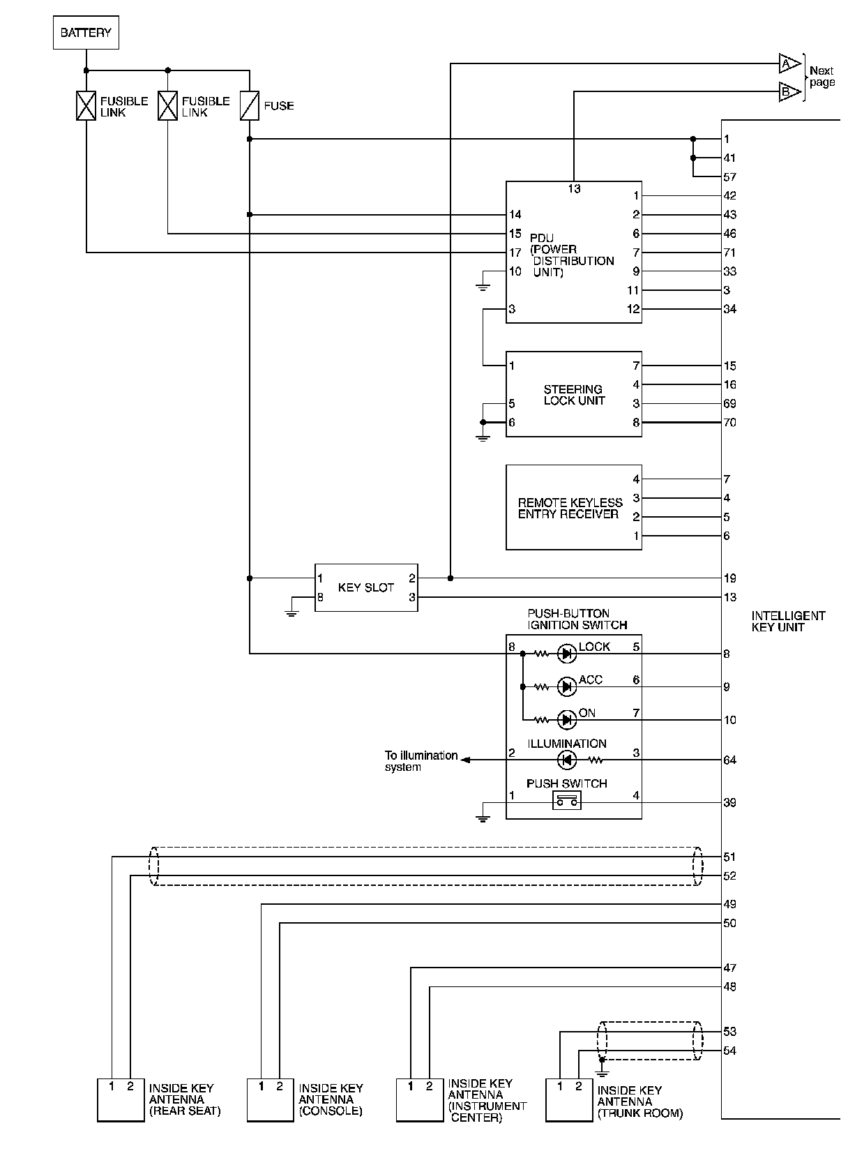
Schematic
Schematic
INTELLIGENT KEY SYSTEM/ENGINE START FUNCTION
Schematic