Curiosii for ever!
: Car repair manuals for everyone.
Home
>>
Infiniti
>>
2010
>>
M35 V6-3.5L (VQ35HR)
>>
Repair and Diagnosis
>>
Powertrain Management
>>
Computers and Control Systems
>>
Description and Operation
>>
Engine Control System
>>
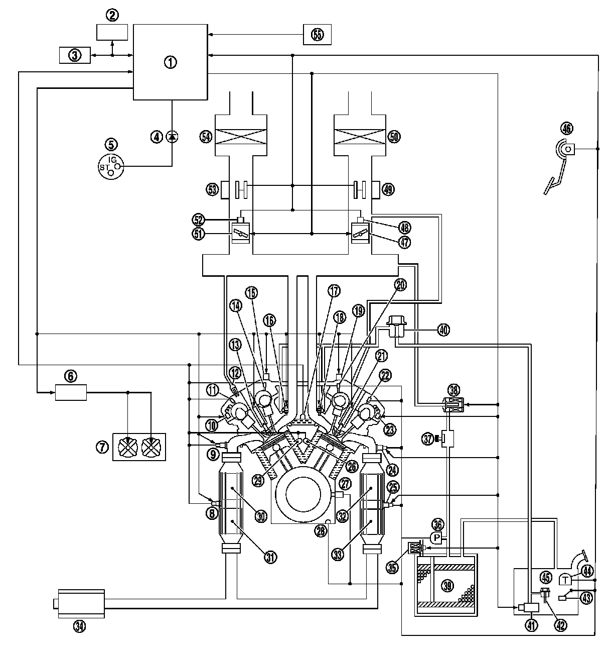
System Diagram
System Diagram
ENGINE CONTROL SYSTEM
System Diagram