Curiosii for ever!
: Car repair manuals for everyone.
Home
>>
Infiniti
>>
2010
>>
M35 V6-3.5L (VQ35HR)
>>
Repair and Diagnosis
>>
Diagrams
>>
Electrical Diagrams
>>
Computers and Control Systems
>>
System Diagram
>>
Engine Control System
Engine Control System
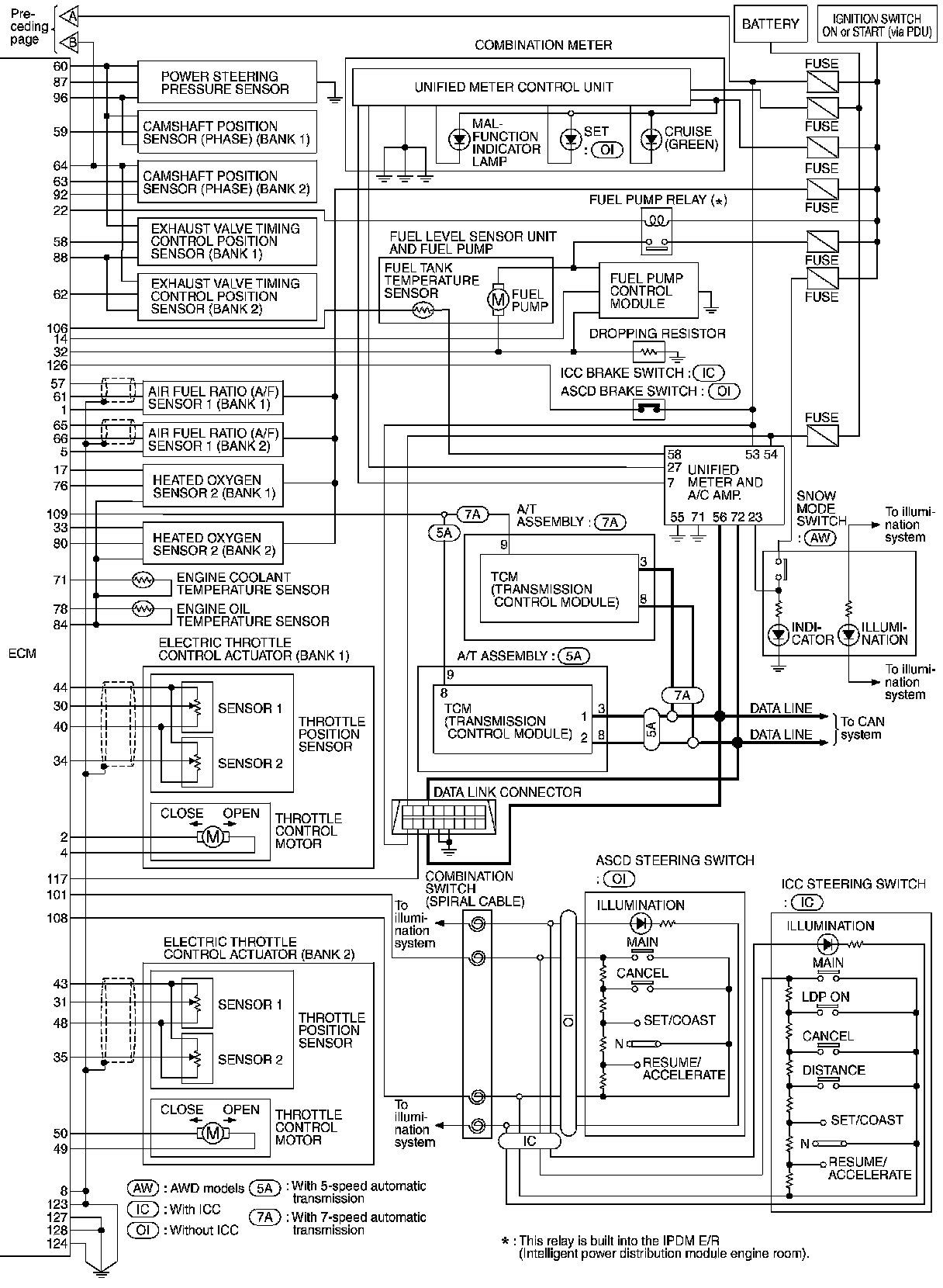
ECM
Wiring Diagram - ENGINE CONTROL SYSTEM -