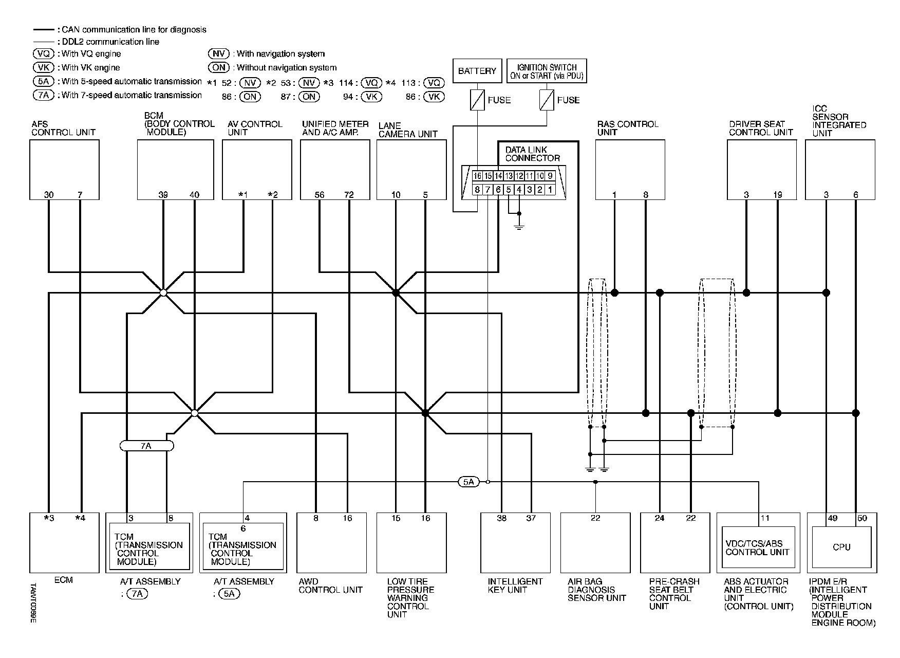
Consult-III/GST Data Link Connector (DLC) Circuit
CONSULT-III/GST CHECKING SYSTEM
CONSULT-III/GST Data Link Connector (DLC) Circuit
INSPECTION PROCEDURE
If the CONSULT-III/GST cannot diagnose the system properly, check the following items.
NOTE:
The DDL1 and DDL2 circuits from DLC pins 12, 13, 14 and 15 may be connected to more than one system. A short in a DDL circuit connected to a control unit in one system may affect CONSULT-III access to other systems.
3. If the GST cannot operate properly, check the circuit based on the information of SAE J1962 and ISO 15031-
CIRCUIT DIAGRAM