Curiosii for ever!
: Car repair manuals for everyone.
Home
>>
Infiniti
>>
2009
>>
M45 V8-4.5L (VK45DE)
>>
Repair and Diagnosis
>>
Powertrain Management
>>
Computers and Control Systems
>>
Diagrams
>>
Electrical Diagrams
>>
Engine Control System
Engine Control System
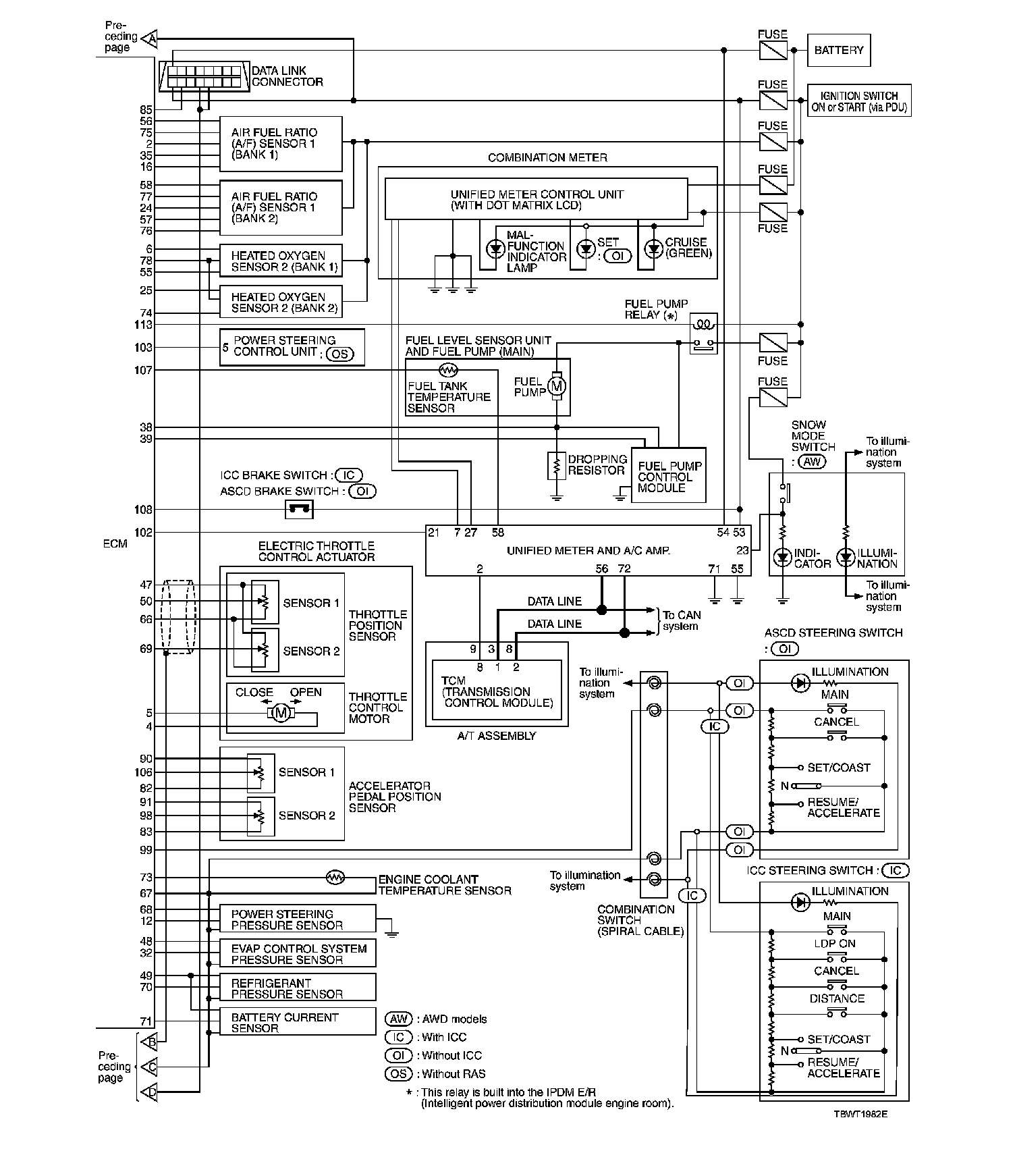
TROUBLE DIAGNOSIS
Circuit Diagram