Curiosii for ever!
: Car repair manuals for everyone.
Home
>>
Infiniti
>>
2009
>>
G37 Convertible V6-3.7L (VQ37VHR)
>>
Repair and Diagnosis
>>
Transmission and Drivetrain
>>
Manual Transmission/Transaxle
>>
Service and Repair
>>
Overhaul
>>
Transmission Assembly
>>
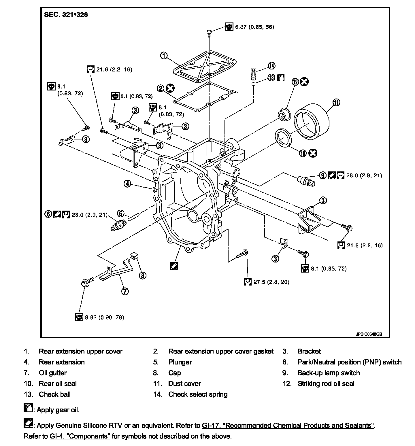
Exploded View
Exploded View
TRANSMISSION ASSEMBLY
Exploded View
CASE AND EXTENSION
SHAFT AND GEAR
SHIFT FORK AND FORK ROD