Curiosii for ever!
: Car repair manuals for everyone.
Home
>>
Infiniti
>>
2009
>>
G37 Convertible V6-3.7L (VQ37VHR)
>>
Repair and Diagnosis
>>
Diagrams
>>
Electrical Diagrams
>>
Memory Positioning Systems
>>
System Diagram
>>
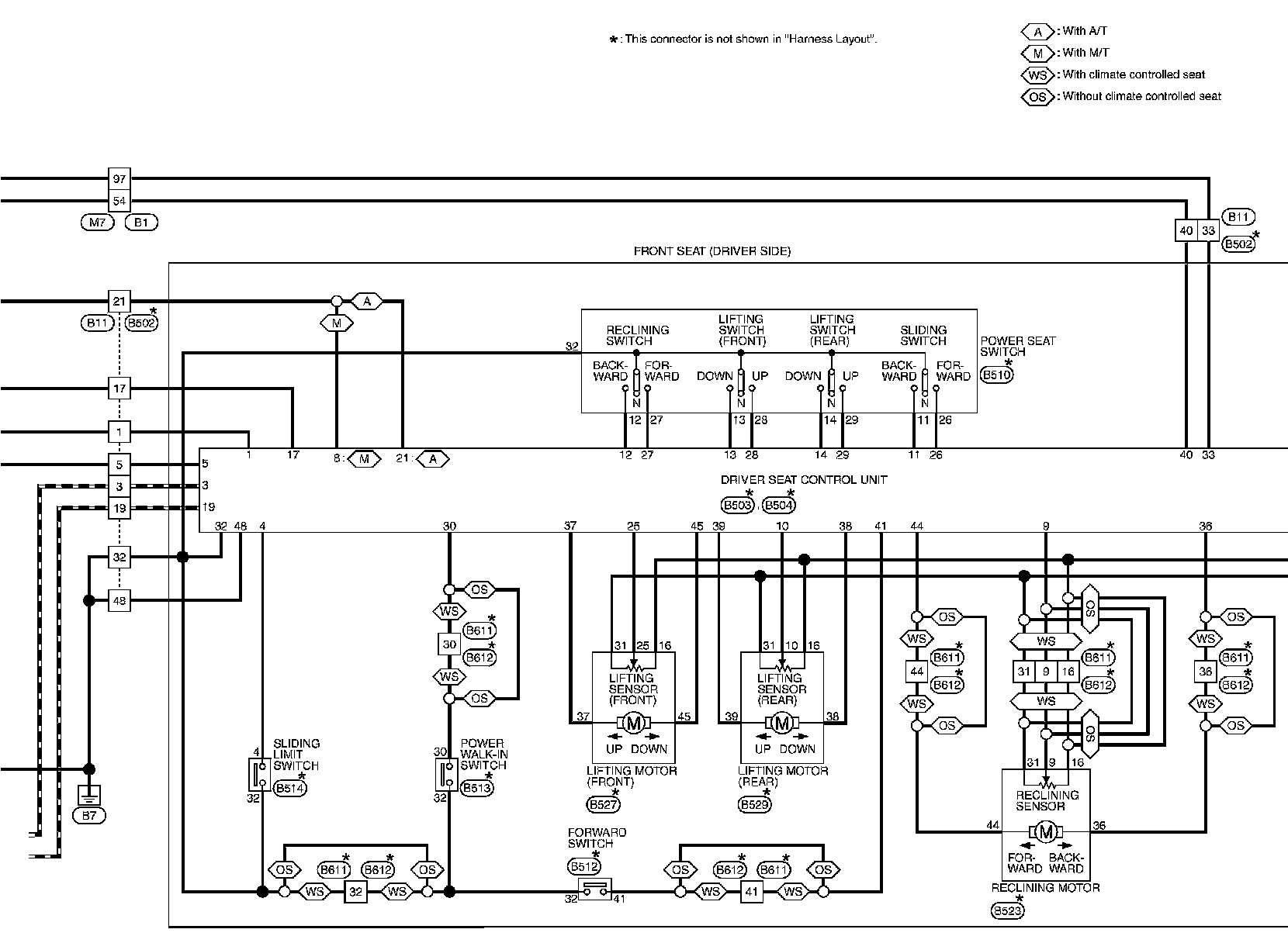
Driver Seat Control Unit (With Automatic Drive Positioner)
Driver Seat Control Unit (With Automatic Drive Positioner)
DRIVER SEAT CONTROL UNIT (WITH AUTOMATIC DRIVE POSITIONER)
Wiring Diagram - AUTOMATIC DRIVE POSITIONER CONTROL SYSTEM -