Curiosii for ever!: Car repair manuals for everyone.

Intelligent Key System/Engine Start Function

INTELLIGENT KEY SYSTEM/ENGINE START FUNCTION

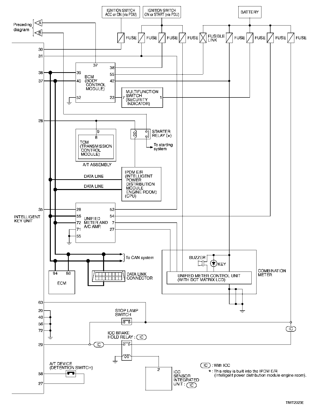
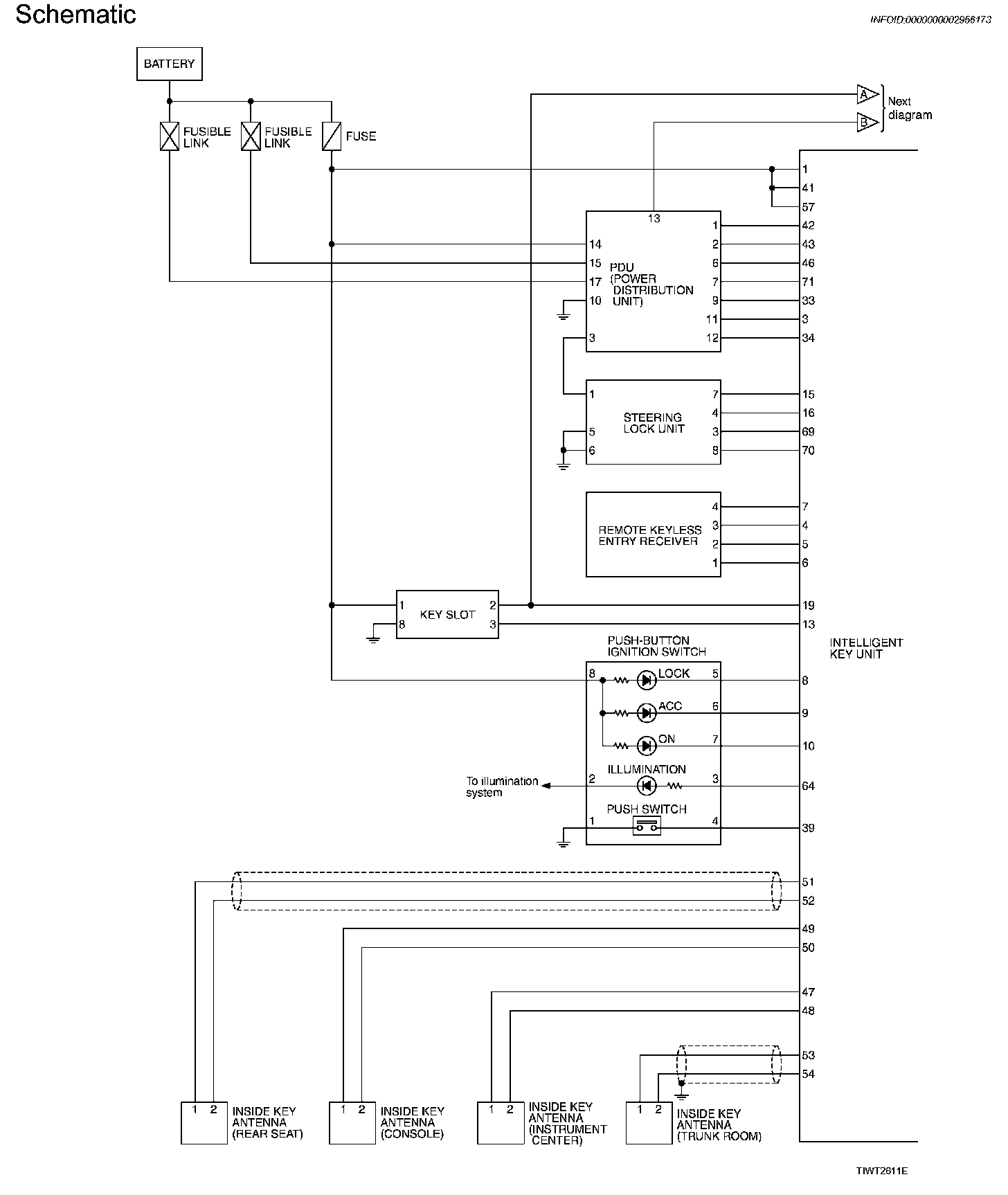
Schematic









System Description
- The engine start function of Intelligent Key system is a system that makes it possible to start and stop the engine without removing the key. It verifies the electronic ID using two-way communications when pressing the push-button ignition switch while carrying the Intelligent Key, which operates based on the results of electronic ID verification for Intelligent Key using two-way communications between the Intelligent Key and the vehicle (Intelligent Key unit).

NOTE: The driver should always carry the intelligent key at all times.

- Intelligent Key has 2 IDs (for Intelligent Key and for immobilizer). It can perform the door lock/unlock operation and the push-button ignition switch operation when carrying the registered Intelligent Key.
- When the Intelligent Key battery is discharged, it can be used as emergency by inserting the Intelligent Key to the key slot. At that time, perform the immobilizer ID verification. If it is used when carrying the Intelligent Key, perform the Intelligent Key ID verification.
- If the ID is successfully verified, and when push-button ignition switch is pressed, steering lock will be released and initiating the engine will be possible.
- If the door lock/unlock operation is performed when the Intelligent Key battery is discharged, all doors lock/unlock can be performed by operating the driver door key cylinder using the mechanical key set into the Intelligent Key.
- Intelligent Key can be registered up to 4 keys (Including the standard Intelligent Key) on request from the owner.

NOTE:
- Refer to BL-41 Intelligent Key System for any functions other than engine start function of Intelligent Key system.

PRECAUTIONS FOR INTELLIGENT KEY SYSTEM
- In the Intelligent Key system of model Y50, the transponder (the chip for immobilizer ID verification) is integrated into the Intelligent Key. (For the conventional models, it is integrated into the mechanical key.) Therefore, the mechanical key cannot perform the ID verification, and thus it cannot start the engine. Instead of it, the immobilizer ID verification can be performed by inserting the Intelligent Key into the key slot, and then it can start the engine.
- When registering the Intelligent Key, 2 registration procedures (immobilizer ID registration and Intelligent Key ID registration) should be performed. The immobilizer ID registration is the procedure that registers the ID stored into the transponder (integrated into Intelligent Key) to the BCM. The Intelligent Key ID registration is the procedure that registers the ID to the Intelligent Key unit. Each registration is a different procedure.
- When performing the Intelligent Key ID registration only, the engine cannot be started by inserting the key into the key slot. When performing the engine immobilizer ID registration only, the engine cannot be started by the operation when carrying the key. The registrations of both systems should be performed.

Operation Description

SYSTEM DIAGRAM






OPERATION WHEN INTELLIGENT KEY IS CARRIED

Description
1. When the push-button switch is pressed, the Intelligent Key unit signals the inside key antenna and sends the request signal to the Intelligent Key.
2. The Intelligent Key receives the request signal and sends the Intelligent Key ID signal to the Intelligent Key unit via the remote keyless entry receiver.
3. The Intelligent Key receives the Intelligent Key ID signal and verifies it with the registered ID.
4. If the ID is successfully verified, the Intelligent Key unit sends the steering unlock signal to the steering lock unit. Then, it sends each power supply request signal to PDU (Power Distribution Unit) after unlocking the steering lock.
5. If the Intelligent Key unit judges that the engine start condition is satisfied, it sends the starter request signal via CAN communication to IPDM E/R and turns the starter motor relay ON.
6. The steering lock unit unlocks the steering lock when receiving the signal. PDU starts the power supply distribution according to the push-button ignition switch operation when receiving the signal. If it enters the engine start permission mode, the power supply is supplied from PDU to the starter motor relay and the cranking is started.

CAUTION: If a malfunction is detected in the Intelligent Key system, the "KEY" warning lamp in the combination meter illuminates for 15 seconds. At that time, the engine cannot be started.

7. When Intelligent Key unit received feedback signal from ECM acknowledging the engine has been initiated, the Intelligent Key unit sends a stop signal to IPDM E/R and stops the cranking by turning OFF the starter motor relay. (If the engine initiating has failed, the cranking will stop automatically within 5 seconds.)

CAUTION: When the Intelligent Key is carried outside of the vehicle (inside key antenna detection area) with the power supply in ACC or ON position, even if the engine start condition* is satisfied, the engine cannot be started.


*:For the engine start condition, refer to "PUSH-BUTTON IGNITION SWITCH OPERATION PROCEDURE".

Operation Range
Engine can be started when Intelligent Key is inside the vehicle. However, sometimes engine might not start when Intelligent Key is on instrument panel or in glove box.

OPERATION WHEN KEY SLOT IS USED
When the Intelligent Key battery is discharged, it performs the immobilizer ID verification between the integrated transponder and BCM by inserting the Intelligent Key into the key slot, and then the engine can be started.

PUSH-BUTTON IGNITION SWITCH OPERATION PROCEDURE
The power supply position changing operation can be performed with the following operation.

NOTE:
- When an Intelligent Key is within the detection area of inside key antenna and when it is inserted to the key slot, it is equivalent to the operations below.
- When starting the engine, the Intelligent Key unit monitors the engine start conditions (brake pedal operating condition, A/T selector lever position, and vehicle speed).
- Unless each start condition is fulfilled, the engine will not respond regardless of how many times the engine switch is pushed. At that time, illumination repeats the position in the order of LOCK ---> ACC ---> ON ---> LOCK.






CAN Communication System Description
CAN (Controller Area Network) is a serial communication line for real time application. It is an on-vehicle multiplex communication line with high data communication speed and excellent error detection ability. Many electronic control units are equipped onto a vehicle, and each control unit shares information and links with other control units during operation (not independent). In CAN communication, control units are connected with 2 communication lines (CAN H line, CAN L line) allowing a high rate of information transmission with less wiring. Each control unit transmits/receives data but selectively reads required data only.

CAN Communication Unit
Refer to LAN-29, "CAN System Specification Chart". CAN System Specification Chart