Curiosii for ever!: Car repair manuals for everyone.

Headlamp Alignment Control Module: Description and Operation

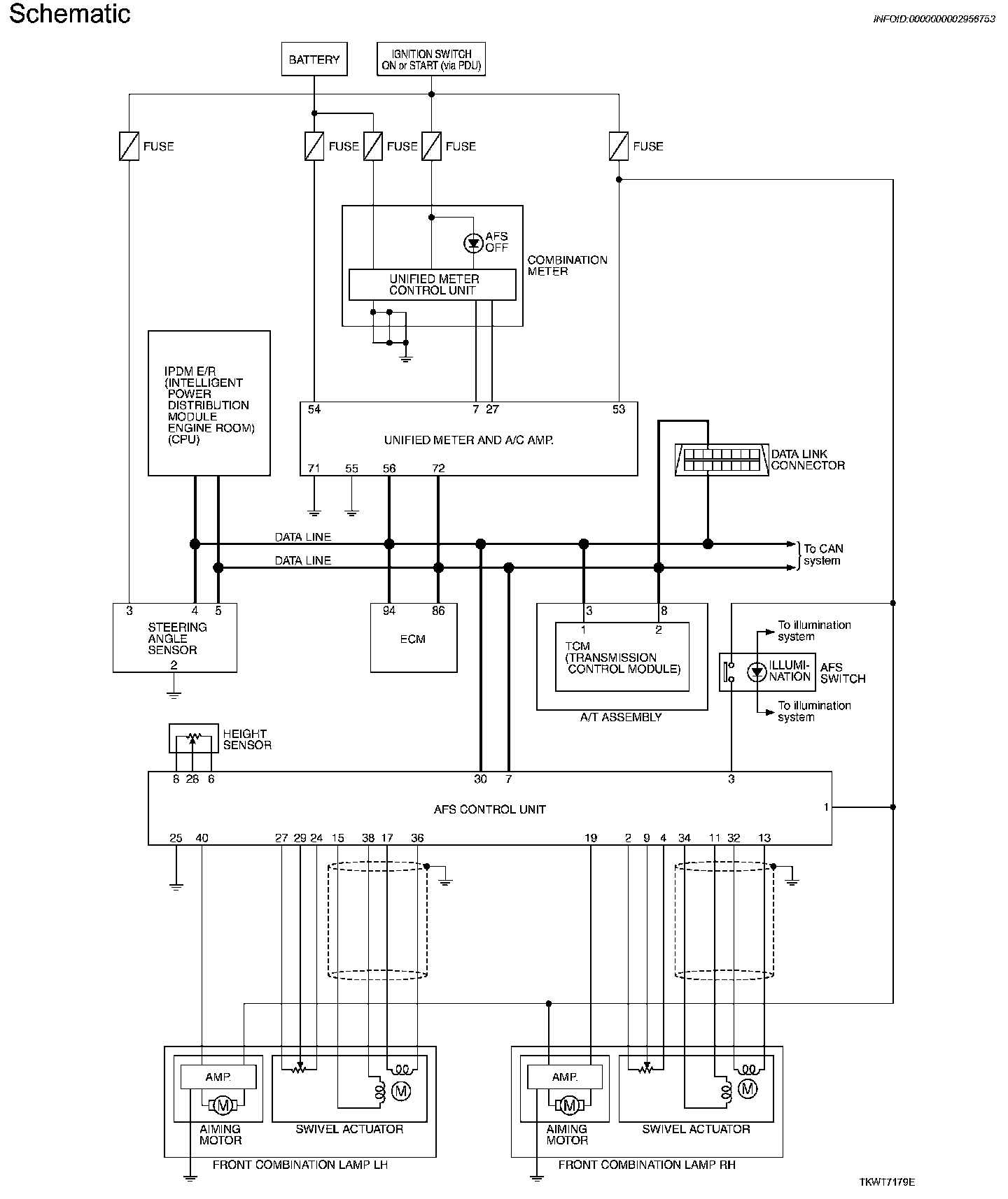
ACTIVE AFS SCHEMATIC






System Description
AFS control unit controls AFS and headlamp auto aiming.
The following signals are input to AFS control unit via CAN communication:
- Steering angle sensor signal
- A/T position indicator signal
- Low beam status signal
- Vehicle speed signal
- Engine speed signal

Other signals are input as follows:
- AFS switch signal from AFS switch connected to AFS control unit
- Height sensor signal from height sensor connected to AFS control unit
- Swivel position sensor signal from swivel position sensor built into both right and left swivel actuators connected to AFS control unit

In response to the state of control, AFS control unit switches commands of AFS off indicator signal sent to unified meter and A/C amp. via CAN communication; and then turns on/off or blinks AFS off indicator lamp built in the combination meter.

AFS (ADAPTIVE FRONT-LIGHTING SYSTEM)
AFS increases viewability of cornering direction by changing light axis automatically to the direction of travel with low beam headlamps during vehicle's cornering.
AFS switch allows AFS function to be stopped.

AFS control unit determines the current vehicle conditions by each received signals, and sends commands to the low beam headlamp to swivel. With the headlamps (HIGH/LOW) illuminated, the AFS switch on, engine running and the A/T select lever in any position but range P or range R, the low beam headlamps are operative by AFS control unit commands.

As the steering wheel is turned to the left (right), the left (right) low beam headlamp will automatically swivel angle in accordance with the steering angle and vehicle speed, and stop the operation when the steering wheel is returned to the straight-ahead position.

Swivel operation allows drive signal to be sent to the swivel actuator on the side that AFS control unit is actuated. STEP motor built in swivel actuator adjusts low beam projector of headlamp to swivel angle that matches drive signal. Swivel position sensor built in swivel actuator detects swivel angle and transmits a swivel position sensor signal to the AFS control unit. AFS control unit monitors if swivel operation is performed normally via swivel position sensor signal.

- Swivel operation






HEADLAMP AUTO AIMING






Headlamp auto aiming control automatically corrects vertical deviation of light axis that is brought by the change of vehicle height with changing number of passenger and laden weight, and relieves dazzle to oncoming vehicles.

AFS control unit determines the current vehicle conditions by each received signals, and sends commands to the low beam headlamps to auto aiming. With the headlamps (HIGH/LOW) illuminated and engine running, the low beam headlamps are operative by AFS control unit commands.
The height sensor is located on the left side of the rear suspension member and detects rear vehicle height change by sensing the displacement of the rear suspension arm. And transmits a height sensor signal to the AFS control unit.

With reference to the rear vehicle height under the empty condition, light axis of low beam with low rear vehicle height is relatively higher than that with the empty condition. AFS control unit switches drive signal corrects height of low beam axis to maintain height of light axis with empty condition.

Light axis of low beam with high rear vehicle height is relatively lower than that with empty condition. Light axis of low beam with empty condition is set as upper limit of headlamp auto aiming control operation. Control to correct deviation is not performed when light axis of low beam gets relatively higher than that with empty condition. Timing of control is switched in accordance with driving conditions.

- Headlamp auto aiming operation






OUTLINE
Power is supplied
When the ignition switch is ON or START position, power is supplied
- through 10 A fuse [No.12, located in fuse block (J/B)]
- to AFS control unit terminal 1
- to front combination lamp LH and RH terminal 13
- to AFS switch terminal 1
- to unified meter and A/C amp. terminal 53.

Ground is supplied
- to AFS control unit terminal 25
- through grounds M16 and M70,
- to front combination lamp LH and RH terminal 11
- through grounds E22 and E43.

AFS OPERATION
When The Steering Wheel Is Turned To The Left




Swivel motor driving signal (1-phase) is transmitted when the steering wheel is turned to left approximately more than 10° degrees (predetermined), with vehicle speed at approximately 25 km/h (15.5 MPH) or more, headlamps (HIGH/LOW) illuminated, AFS switch ON and the engine running and the A/T select lever in any position except range P or R.
*: Slightly different from the case when it is turned to the right.

Swivel motor driving signal (1-phase) is sent
- to front combination lamp LH terminal 17
- through AFS control unit terminal 15,
- to AFS control unit terminal 38
- through front combination lamp LH terminal 21.

And swivel motor driving signal (2-phase) is sent:
- to front combination lamp LH terminal 16
- through AFS control unit terminal 17,
- to AFS control unit terminal 36
- through front combination lamp LH terminal 20.

Swivel position sensor detects swivel angle during ignition switch ON, and transmits swivel position sensor signals to the AFS control unit:
When ignition switch is turn to ON position, power is supplied
- to front combination lamp LH terminal 15
- through AFS control unit terminal 24.

When ignition switch is turn to ON position, swivel position sensor signal input is supplied
- to AFS control unit terminal 29
- through front combination lamp LH terminal 14.

Ground is supplied
- to front combination lamp LH terminal 19
- through AFS control unit terminal 27.

The low beam headlamp LH starts to swivel to the left.
The swivel motor driving signals are blocked and the swivel motion stops when the steering angle reaches approximately more than 80 degrees (predetermined). The low beam headlamp will not swivel any further no matter how further left. As the steering wheel is turned back to the right, the swivel motor driving signals (both 1-phase and 2-phase) will be reversed, causing low beam headlamp LH to start swiveling to the right. When steering angle becomes smaller than predetermined value, the low beam headlamp is set in the straight ahead position, swivel motor driving signals are blocked and low beam headlamps stop swiveling.

When The Steering Wheel Is Turned To The Right




Swivel motor driving signal (1-phase) is transmitted when the steering wheel is turned to right approximately more than 10° degrees (predetermined), with headlamps (HIGH/LOW) illuminated, AFS switch ON, the engine running and the A/T select lever in any position except range P or R.
*: Slightly different from the case when it is turned to the left.

Swivel motor driving signal (1-phase) is sent
- to front combination lamp RH terminal 16
- through AFS control unit terminal 34,
- to AFS control unit terminal 11
- through front combination lamp RH terminal 20.

And swivel motor driving signal (2-phase) is sent
- to front combination lamp RH terminal 17
- through AFS control unit terminal 32,
- to AFS control unit terminal 13
- through front combination lamp RH terminal 21.

Swivel position sensor detects swivel angle during ignition switch ON, and transmits swivel position sensor signals to the AFS control unit:
When ignition switch is turn to ON position, power is supplied
- to front combination lamp RH terminal 15
- through AFS control unit terminal 4.

When ignition switch is turn to ON position, swivel position sensor input signal is supplied
- to AFS control unit terminal 9
- through front combination lamp RH terminal 14.

Ground is supplied
- to front combination lamp RH terminal 19
- through AFS control unit terminal 2.

The low beam headlamp RH starts to swivel to the right.
The swivel motor driving signals are blocked and the swivel motion stops when the steering angle reaches approximately more than 80 degrees (predetermined). The low beam headlamp will not swivel any further no matter how further right. As the steering wheel is turned back to the left, the swivel motor driving signals (both 1-phase and 2-phase) will be reversed, causing low beam headlamp RH to start swiveling to the left. When steering angle becomes smaller than predetermined value, the low beam headlamp is set in the straight ahead position, swivel motor driving signals are blocked and low beam headlamps stop swiveling.

AFS OFF INDICATOR OPERATION




In response to the state of control, AFS control unit switches commands of AFS off indicator signal sent to unified meter and A/C amp. via CAN communication; and then turns on/off or blinks AFS off indicator lamp built in the combination meter depending on the following condition.
- Bulb check operation
AFS off indicator lamp is turned off after illuminating for one second as a bulb check for AFS off indicator lamp when turn ignition switch ON is detected.

NOTE: AFS off indicator lamp is turned off without a lapse of one second when start of the engine is detected.

- AFS switch operation
AFS off indicator lamp is illuminated while AFS switch is OFF.
AFS off indicator lamp is turned off while AFS switch is ON.

- System warning operation
AFS off indicator lamp illuminates at intervals of approximately one second when AFS control unit detects any specific DTC (diagnosis trouble code), or when unified meter and A/C amp. cannot receive AFS off indicator signals.

NOTE: Unified meter and A/C amp. transmits a command to combination meter to blink AFS off indicator lamp when they cannot receive AFS off indicator signal.

SWIVEL ACTUATOR INITIALIZATION
AFS control unit performs swivel operation to initialize swivel actuator when start of the engine is detected. Straight-ahead position of low beam headlamps is adjusted by turning low beam headlamps to outside vehicle with specified swivel angle after turning it to the center of vehicle and making sure that it reaches the stopper. Swivel actuator initialization shall be performed every time when start of the engine is detected.

HEADLAMP AUTO AIMING OPERATION
The height sensor detects a change in height of rear vehicle with ignition switch ON, and transmits signals to the AFS control unit:
When ignition switch is turn to ON position, power is supplied
- to height sensor terminal 1
- through AFS control unit terminal 6.

When ignition switch is turned to ON position, height sensor input signal is supplied
- to AFS control unit terminal 28
- through height sensor terminal 2.

Ground is supplied
- to height sensor terminal 3
- through AFS control unit terminal 8.

Aiming motor driving signal (voltage signal that corresponds to the vehicle height) is transmitted depending on the height sensor signal at the start of the engine
- to front combination lamp LH (aiming motor) terminal 12
- through AFS control unit terminal 40,
- to front combination lamp RH (aiming motor) terminal 12
- through AFS control unit terminal 19.

Output of aiming motor driving signal is maintained unless headlamp (HIGH/LOW) illuminate detected.
Auto aiming control operation starts when headlamps (HIGH/LOW) illuminate detected.
When headlamps (HIGH/LOW) illuminate, output of aiming motor driving signal is changed according to the height sensor signal. After the change, it is changed according to height sensor signals with predetermined timing based on driving condition while headlamps are ON.

Auto Aiming Operation
AFS control unit starts outputting aiming motor drive signal when the engine starts, and continues to output it until the engine stops. Aiming motor drive signal changes output when the specified conditions described below are met.
Headlamp aiming motors set the low beam projectors according to aiming motor drive signals received from AFS control unit, both headlamp aiming motors cause the low beam projectors to move to the position commanded by the signal.
The aiming motor drive signal level retains when the following conditions are not met.
- AFS control unit operation when the vehicle is stopped (low beam headlamps illuminated)
Headlamp aiming motor drive signal is changed when vehicle height is stabilized with a parked condition, depending on the height sensor signal detected with height sensor signal by AFS control unit.

- AFS control unit operation when the vehicle is running (low beam headlamps illuminated)
When vehicle is running, headlamp aiming motor drive signal is changed depending on the height sensor signal which is detected when AFS control unit detects constant steady speed of vehicle.
When the vehicle is accelerating or decelerating, AFS control unit keeps headlamp aiming motor drive signal voltage level rather than changing it, so that the low beam projectors of both headlamps do not operate.

CAN COMMUNICATION SYSTEM DESCRIPTION
CAN (Controller Area Network) is a serial communication line for real time application. It is an on-vehicle multiplex communication line with high data communication speed and excellent error detection ability. Many electronic control units are equipped onto a vehicle, and each control unit shares information and links with other control units during operation (not independent). In CAN communication, control units are connected with 2 communication lines (CAN H line, CAN L line) allowing a high rate of information transmission with less wiring. Each control unit transmits/receives data but selectively reads required data only.

Component Parts Description

AFS CONTROL UNIT
AFS control unit determines current vehicle conditions by received signals and controls AFS and headlamp auto aiming.

SWIVEL ACTUATOR




Swivel actuator is configured with swivel motor and swivel position sensor and is built in headlamps.






- Swivel motor (step motor)
Swivel motor is a two-phase step motor. It is driven according to drive signals from AFS control unit when two drive windings are energized in set sequences, and adjusts low beam projector of headlamp.
The direction of actuator rotation can be changed as desired by selecting appropriate energizing sequences.

- Swivel position sensor
Swivel position sensor detects swivel angle and transmits a swivel position sensor signal to the AFS control unit.

AIMING MOTOR




Aiming motor is installed outside the headlamps. Headlamp aiming motors set the low beam projectors according to headlamp aiming motor drive signals received from AFS control unit.

AFS SWITCH




AFS switch transmits state of ON/OFF as AFS switch signals to AFS control unit.
- AFS control unit performs AFS operation when AFS switch is ON and turns off AFS off indicator lamp.
- AFS control unit does not perform AFS operation when AFS switch is OFF, and turns on AFS off indicator lamp.

HEIGHT SENSOR




The height sensor is located on the left side of the rear suspension member and detects rear vehicle height change by sensing the displacement of the rear suspension arm. And transmits a height sensor signal to the AFS control unit.

STEERING ANGLE SENSOR




The steering angle sensor is located combination switch and detects steering angle. And transmits a steering angle sensor signal to the AFS control unit.

IPDM E/R
IPDM E/R detects ON/OFF state of low beam headlamps. It transmits a low beam state signal to the AFS control unit.

ECM
ECM transmits an engine speed signal to the AFS control unit.

TCM
TCM transmits an A/T position indicator signal to the AFS control unit.

UNIFIED METER AND A/C AMP.
- Unified meter and A/C amp. transmits vehicle speed signals to the AFS control unit.
- Unified meter and A/C amp. transmits AFS off indicator signals received from the AFS control unit to the combination meter.

COMBINATION METER
Combination meter turns on/off or blinks built-in AFS off indicator lamp depending on AFS off indicator signal received from unified meter and A/C amp.