Curiosii for ever!: Car repair manuals for everyone.

Components

OVERHAUL

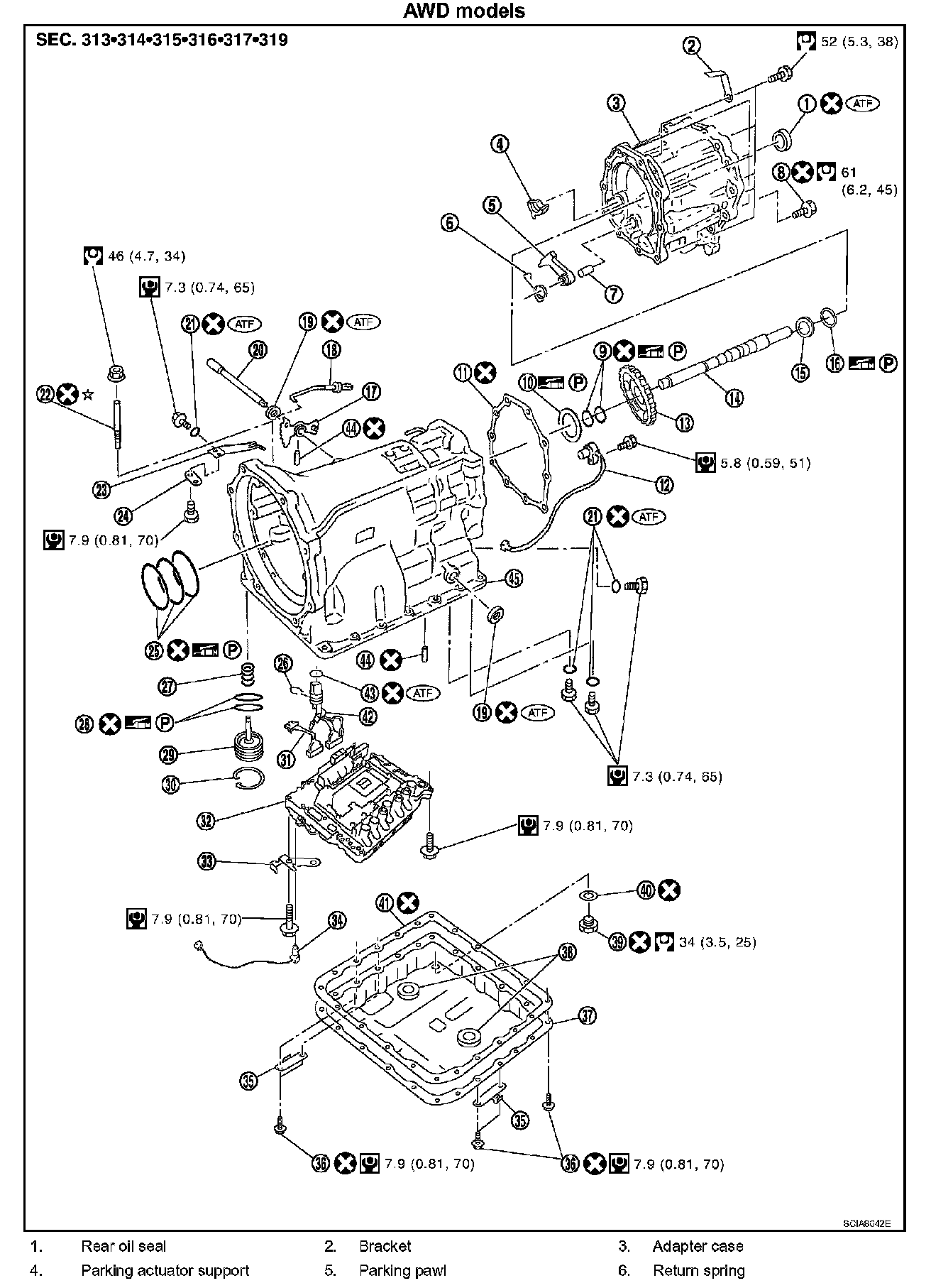
Exploded View AT-281 (Part 1):




Exploded View AT-281 (Part 2):




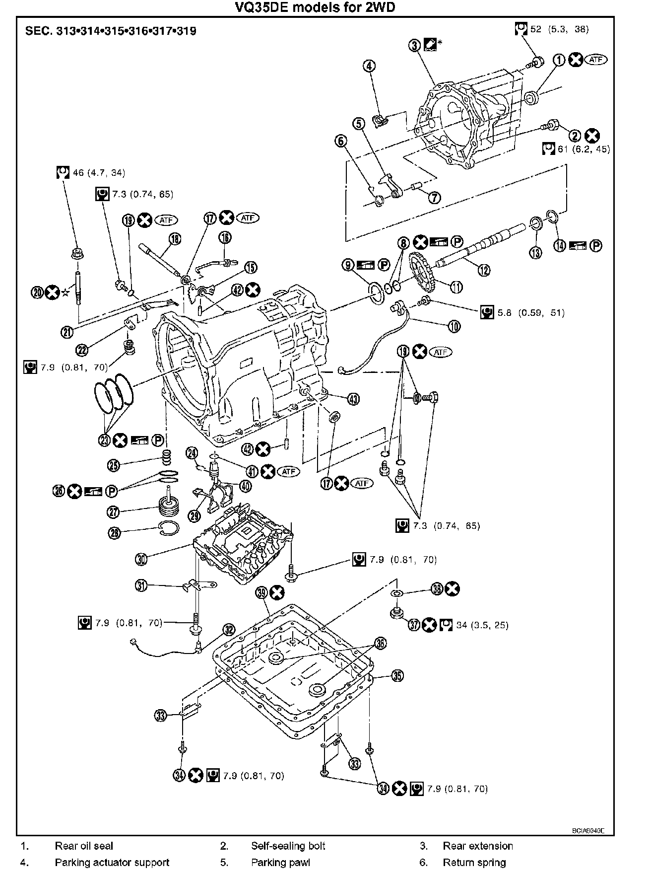
Exploded View AT-283 (Part 1):




Exploded View AT-283 (Part 2):




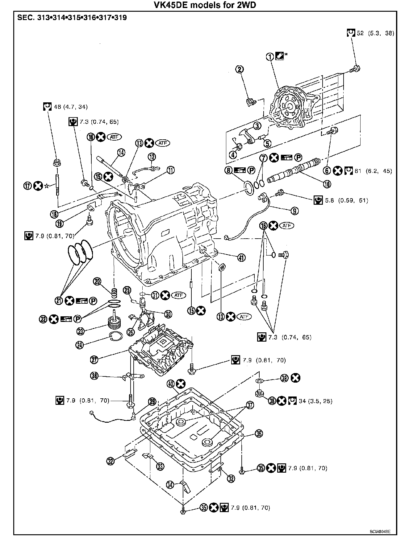
Exploded View AT-285 (Part 1):




Exploded View AT-285 (Part 2):




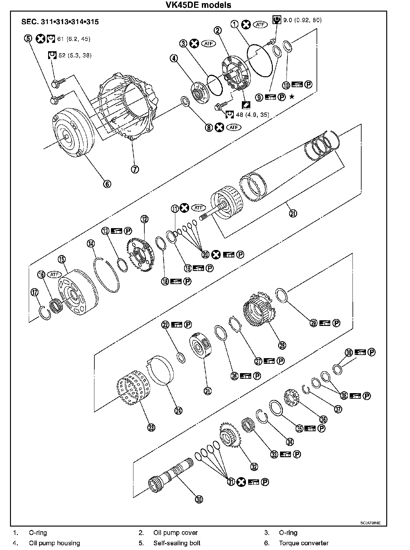
Exploded View AT-287 (Part 1):




Exploded View AT-287 (Part 2):




Exploded View AT-289 (Part 1):




Exploded View AT-289 (Part 2):




Exploded View AT-291 (Part 1):




Exploded View AT-291 (Part 2):




Exploded View AT-293 (Part 1):




Exploded View AT-293 (Part 2):