Curiosii for ever!: Car repair manuals for everyone.

Control Module: Service and Repair

ON-VEHICLE SERVICE

Control Valve With TCM and A/T Fluid Temperature Sensor 2

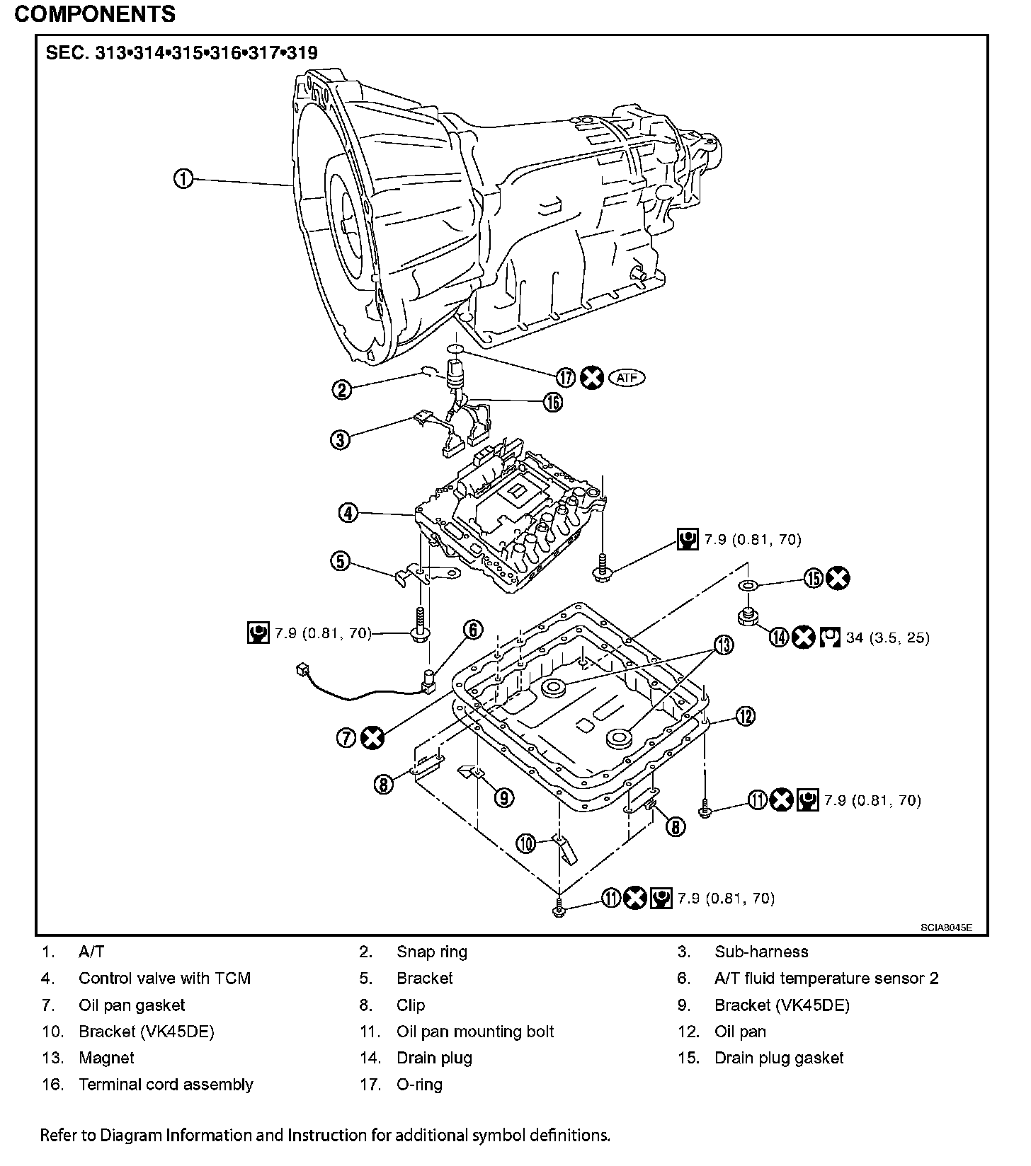
Exploded View AT-236:





CONTROL VALVE WITH TCM REMOVAL AND INSTALLATION

Removal
1. Disconnect the battery cable from the negative terminal.
2. Drain ATF through drain plug.
3. Disconnect heated oxygen sensor 2 harness connector.
4. Disconnect A/T assembly harness connector.





5. Remove snap ring from A/T assembly harness connector.





6. Push A/T assembly harness connector.

CAUTION: Be careful not to damage connector.

7. Remove oil pan, oil pan gasket and clips (VQ35DE models) or oil pan, oil pan gasket, brackets and clips (VK45DE models) according to the following procedures.
a. VQ35DE models





i. Remove clips (1).
ii. Remove oil pan (2) and oil pan gasket.
<=: Front
<=: Bolt (22)

b. VK45DE models





i. Remove clips (1) and brackets (2).
ii. Remove oil pan (3) and oil pan gasket.
<=: Front
<=: Bolt (22)





8. Check foreign materials in oil pan to help determine causes of malfunction. If the ATF is very dark, smells burned, or contains foreign particles, the frictional material (clutches, band) may need replacement. A tacky film that will not wipe clean indicates varnish build up. Varnish can cause valves, servo, and clutches to stick and can inhibit pump pressure.
^ If frictional material is detected, perform A/T fluid cooler cleaning. Refer to AT-14, "A/T Fluid Cooler Cleaning". A/T Fluid Cooler Cleaning





9. Remove magnets from oil pan.





10. Disconnect A/T fluid temperature sensor 2 connector.

CAUTION: Be careful not to damage connector.





11. Straighten terminal clip to free terminal cord assembly A/T fluid temperature sensor 2 harness.





12. Disconnect revolution sensor connector.

CAUTION: Be careful not to damage connector.





13. Straighten terminal clip to free revolution sensor harness.








14. Remove bolts A, B and C from control valve with TCM.





15. Remove control valve with TCM from transmission case.

CAUTION: When removing, be careful with the manual valve notch and manual plate height. Remove it vertically.





16. Remove A/T fluid temperature sensor 2 with bracket from control valve with TCM.





17. Remove bracket from A/T fluid temperature sensor 2.





18. Remove O-ring from A/T assembly harness connector.





19. Disconnect TCM connectors.

CAUTION: Be careful not to damage connectors.





20. Remove A/T assembly harness connector from control valve with TCM using flat-blade screwdriver.





21. Disconnect TCM connector and park/neutral position switch connector

CAUTION: Be careful not to damage connectors.

Installation

CAUTION: After completing installation, check A/T fluid leakage and A/T fluid level.





1. Connect TCM connector and park/neutral position switch connector.





2. Install A/T assembly harness connector to control valve with TCM.





3. Connect TCM connectors.





4. Install new O-ring in A/T assembly harness connector.

CAUTION:
^ Do not reuse O-ring.
^ Apply ATF to O-ring.






5. Install A/T fluid temperature sensor 2 to bracket.





6. Install A/T fluid temperature sensor 2 (with bracket) in control valve with TCM. Tighten A/T fluid temperature sensor 2 bolt to the specified torque. Refer to Exploded View AT-236.

CAUTION: Adjust bolt hole of bracket to bolt hole of control valve with TCM.

7. Install control valve with TCM in transmission case.

CAUTION:





^ Make sure that turbine revolution sensor securely installs turbine revolution sensor hole.
^ Hang down revolution sensor harness toward outside so as not to disturb installation of control valve with TCM.
^ Adjust A/T assembly harness connector of control valve with TCM to terminal hole of transmission case.





^ Assemble it so that manual valve cutout is engaged with manual plate projection.









8. Install bolts A, B and C in control valve with TCM.





9. Tighten bolt 1, 2 and 3 temporarily to prevent dislocation. After that tighten them in order (1 -> 2 -> 3), and then tighten other bolts. Tighten control valve with TCM bolts to the specified torque. Refer to Exploded View AT-236.





10. Connect A/T fluid temperature sensor 2 connector.





11. Securely fasten terminal cord assembly and A/T fluid temperature sensor 2 harness with terminal clips.





12. Connect revolution sensor connector.





13. Securely fasten revolution sensor harness with terminal clip.





14. Install magnets in oil pan.
15. Install oil pan, oil pan gasket and clips (VQ35DE models) or oil pan, oil pan gasket, brackets and clips (VK45DE models) according to the following procedures.
a. VQ35DE models
i. Install oil pan gasket to oil pan.

CAUTION:
^ Do not reuse oil pan gasket.
^ Install it in the direction to align hole positions.
^ Complete remove all moisture, oil and old gasket, etc. from oil pan gasket mounting surface.






ii. Install oil pan (2) (with oil pan gasket) and clips (1) to transmission case.
<=: Front
<=: Bolt (22)

CAUTION:
^ Install it so that drain plug comes to the position as shown in the figure.
^ Be careful not to pinch harnesses.
^ Completely remove all moisture, oil and old gasket, etc. from oil pan mounting surface.






iii. Tighten oil pan mounting bolts to the specified torque in numerical order shown in the figure after temporarily tightening them. Tighten oil pan mounting bolts to the specified torque. Refer to Exploded View AT-236.

CAUTION: Do not reuse oil pan mounting bolts.

b. VK45DE models
i. Install oil pan gasket to oil pan.

CAUTION:
^ Do not reuse oil pan gasket.
^ Install it in the direction to align hole positions.
^ Complete remove all moisture, oil and old gasket, etc. from oil pan gasket mounting surface.






ii. Install oil pan (3) (with oil pan gasket), clips (1) and brackets (2) to transmission case.
<=: Front
<=: Bolt (22)

CAUTION:
^ Install it so that drain plug comes to the position as shown in the figure.
^ Be careful not to pinch harnesses.
^ Completely remove all moisture, oil and old gasket, etc. from oil pan mounting surface.
^ Be careful with installation direction of brackets (2).






iii. Tighten oil pan mounting bolts to the specified torque in numerical order shown in the figure after temporarily tightening them. Tighten oil pan mounting bolts to the specified torque. Refer to Exploded View AT-236.

CAUTION: Do not reuse oil pan mounting bolts.

16. Install drain plug to oil pan. Tighten drain plug to the specified torque. Refer to Exploded View AT-236.

CAUTION: Do not reuse drain plug gasket.





17. Pull up A/T assembly harness connector.

CAUTION: Be careful not to damage connector.





18. Install snap ring to A/T assembly harness connector.
19. Connect A/T assembly harness connector.
20. Connect heated oxygen sensor 2 harness connector.
21. Pour ATF into A/T assembly.
22. Connect the battery cable to the negative terminal.

A/T FLUID TEMPERATURE SENSOR 2 REMOVAL AND INSTALLATION

Removal
1. Disconnect the battery cable from the negative terminal.
2. Drain ATF through drain plug.
3. Disconnect heated oxygen sensor 2 harness connector.
4. Remove oil pan, oil pan gasket and clips (VQ35DE models) or oil pan, oil pan gasket, brackets and clips (VK45DE models) according to the following procedures.
a. VQ35DE models





i. Remove clips (1).
ii. Remove oil pan (2) and oil pan gasket.
<=: Front
<=: Bolt (22)

b. VK45DE models





i. Remove clips (1) and brackets (2).
ii. Remove oil pan (3) and oil pan gasket.
<=: Front
<=: Bolt (22)





5. Check foreign materials in oil pan to help determine causes of malfunction. If the ATF is very dark, smells burned, or contains foreign particles, the frictional material (clutches, band) may need replacement. A tacky film that will not wipe clean indicates varnish build up. Varnish can cause valves, servo, and clutches to stick and can inhibit pump pressure.
^ If frictional material is detected, perform A/T fluid cooler cleaning. Refer to AT-14, "A/T Fluid Cooler Cleaning". A/T Fluid Cooler Cleaning





6. Disconnect A/T fluid temperature sensor 2 connector.

CAUTION: Be careful not to damage connector.





7. Straighten terminal clip to free A/T fluid temperature sensor 2 harness.





8. Remove A/T fluid temperature sensor 2 with bracket from control valve with TCM.





9. Remove bracket from A/T fluid temperature sensor 2.

Installation

CAUTION: After completing installation, check for A/T fluid leakage and A/T fluid level.





1. Install A/T fluid temperature sensor 2 to bracket.





2. Install A/T fluid temperature sensor 2 (with bracket) in control valve with TCM. Tighten A/T fluid temperature sensor 2 bolts to the specified torque. Refer to Exploded View AT-236.





3. Connect A/T fluid temperature sensor 2 connector.





4. Securely fasten A/T fluid temperature sensor 2 harness with terminal clip.
5. Install oil pan, oil pan gasket and clips (VQ35DE models) or oil pan, oil pan gasket, brackets and clips (VK45DE models) according to the following procedures.
a. VQ35DE models
i. Install oil pan gasket to oil pan.

CAUTION:
^ Do not reuse oil pan gasket.
^ Install it in the direction to align hole positions.
^ Complete remove all moisture, oil and old gasket, etc. from oil pan gasket mounting surface.






ii. Install oil pan (2) (with oil pan gasket) and clips (1) to transmission case.
<=: Front
<=: Bolt (22)

CAUTION:
^ Install it so that drain plug comes to the position as shown in the figure.
^ Be careful not to pinch harnesses.
^ Completely remove all moisture, oil and old gasket, etc. from oil pan mounting surface.






iii. Tighten oil pan mounting bolts to the specified torque in numerical order shown in the figure after temporarily tightening them. Tighten oil pan mounting bolts to the specified torque. Refer to Exploded View AT-236.

CAUTION: Do not reuse oil pan mounting bolts.

b. VK45DE models
i. Install oil pan gasket to oil pan.

CAUTION:
^ Do not reuse oil pan gasket.
^ Install it in the direction to align hole positions.
^ Complete remove all moisture, oil and old gasket, etc. from oil pan gasket mounting surface.






ii. Install oil pan (3) (with oil pan gasket), clips (1) and brackets (2) to transmission case.
<=: Front
<=: Bolt (22)

CAUTION:
^ Install it so that drain plug comes to the position as shown in the figure.
^ Be careful not to pinch harnesses.
^ Completely remove all moisture, oil and old gasket, etc. from oil pan mounting surface.
^ Be careful with installation direction of brackets (2).






iii. Tighten oil pan mounting bolts to the specified torque in numerical order shown in the figure after temporarily tightening them. Tighten oil pan mounting bolts to the specified torque. Refer to Exploded View AT-236.

CAUTION: Do not reuse oil pan mounting bolts.

6. Install drain plug to oil pan. Tighten drain plug to the specified torque. Refer to Exploded View AT-236.

CAUTION: Do not reuse drain plug gasket.

7. Connect heated oxygen sensor 2 harness connector.
8. Pour ATF into A/T assembly.
9. Connect the battery cable to the negative terminal.