Curiosii for ever!: Car repair manuals for everyone.

BL-ENG/ST

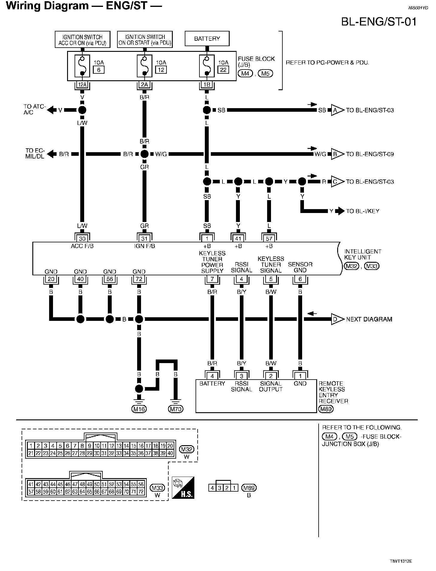
BL-ENG/ST-01:




BL-ENG/ST-02:




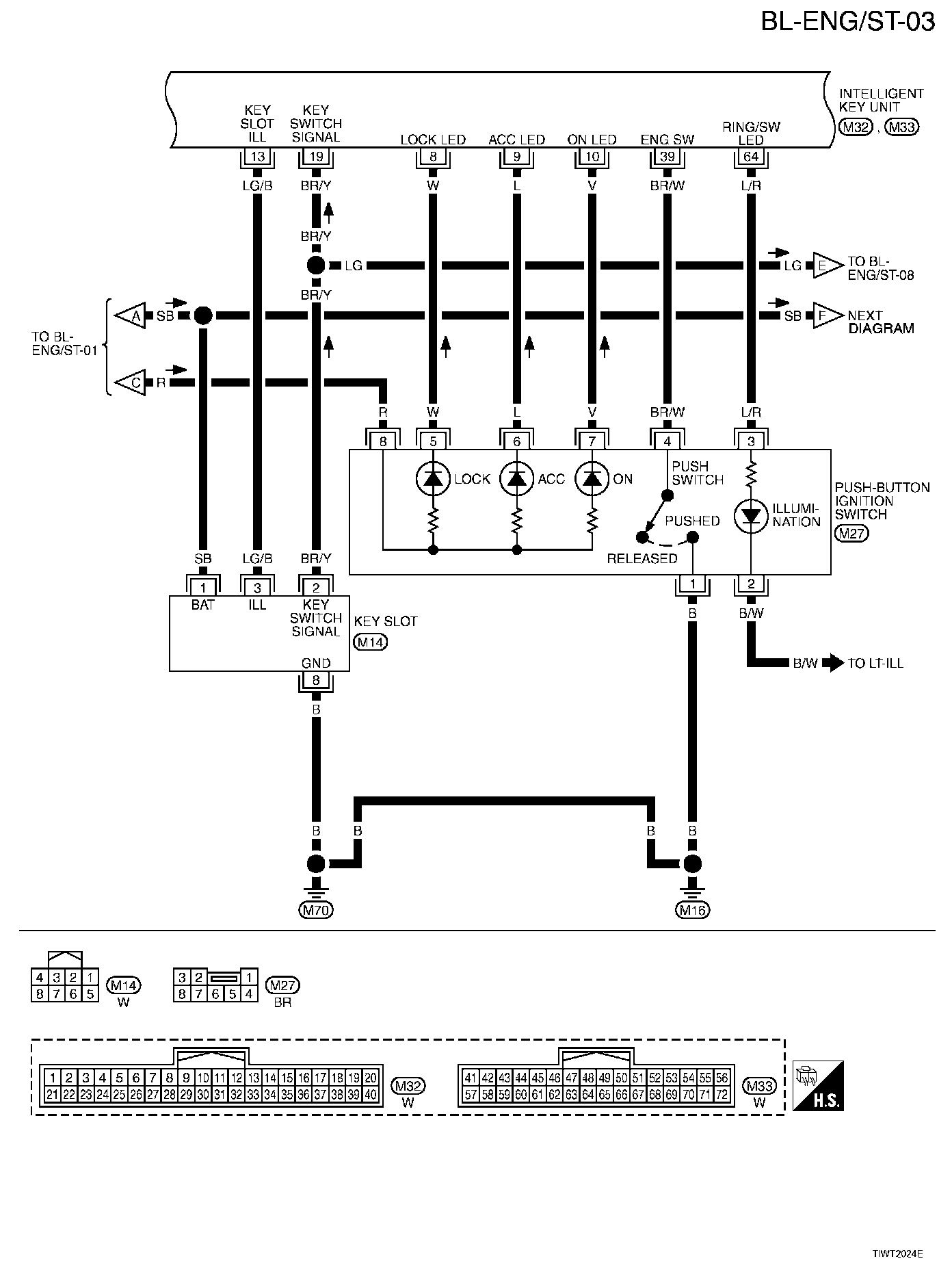
BL-ENG/ST-03:




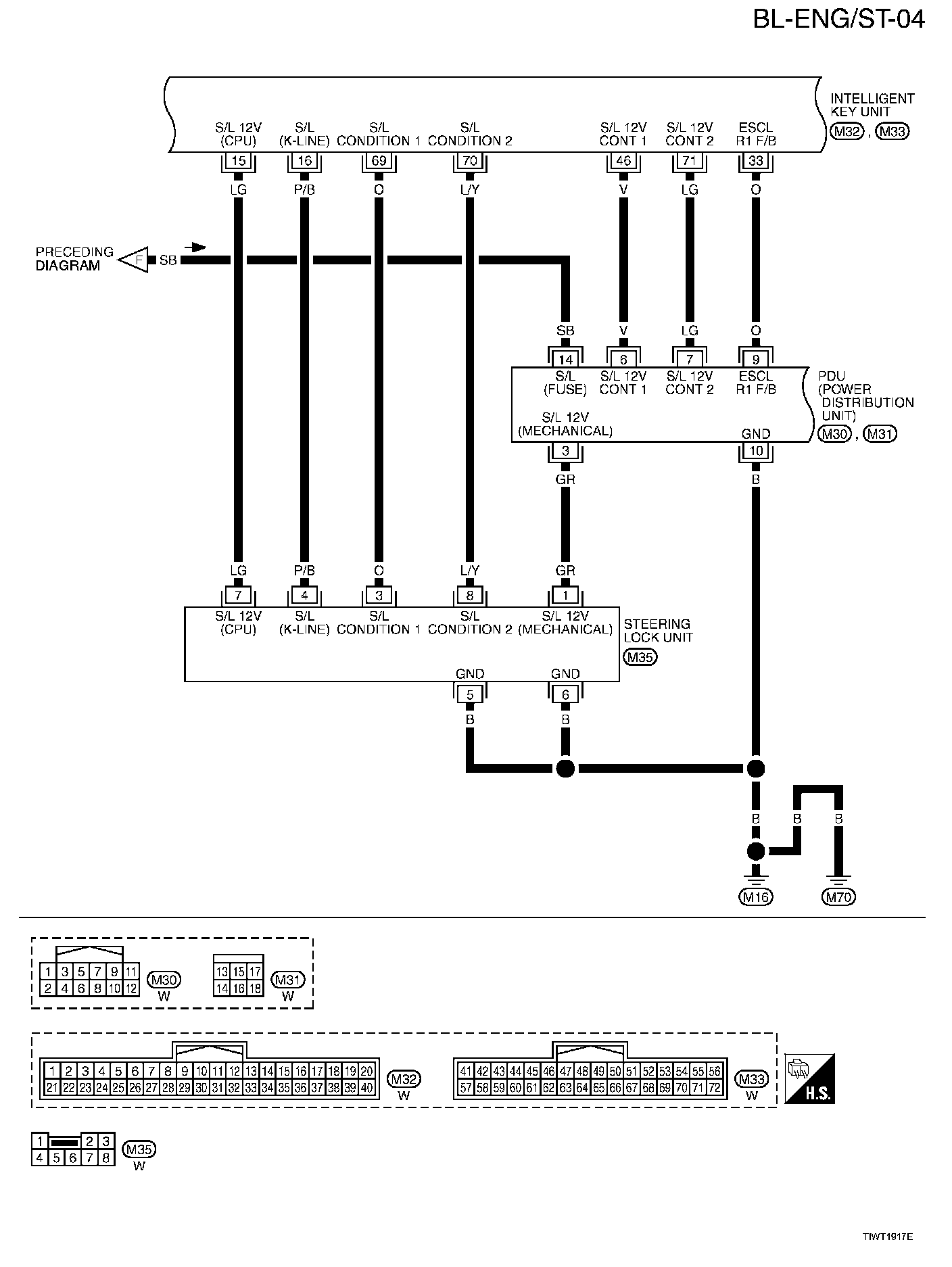
BL-ENG/ST-04:




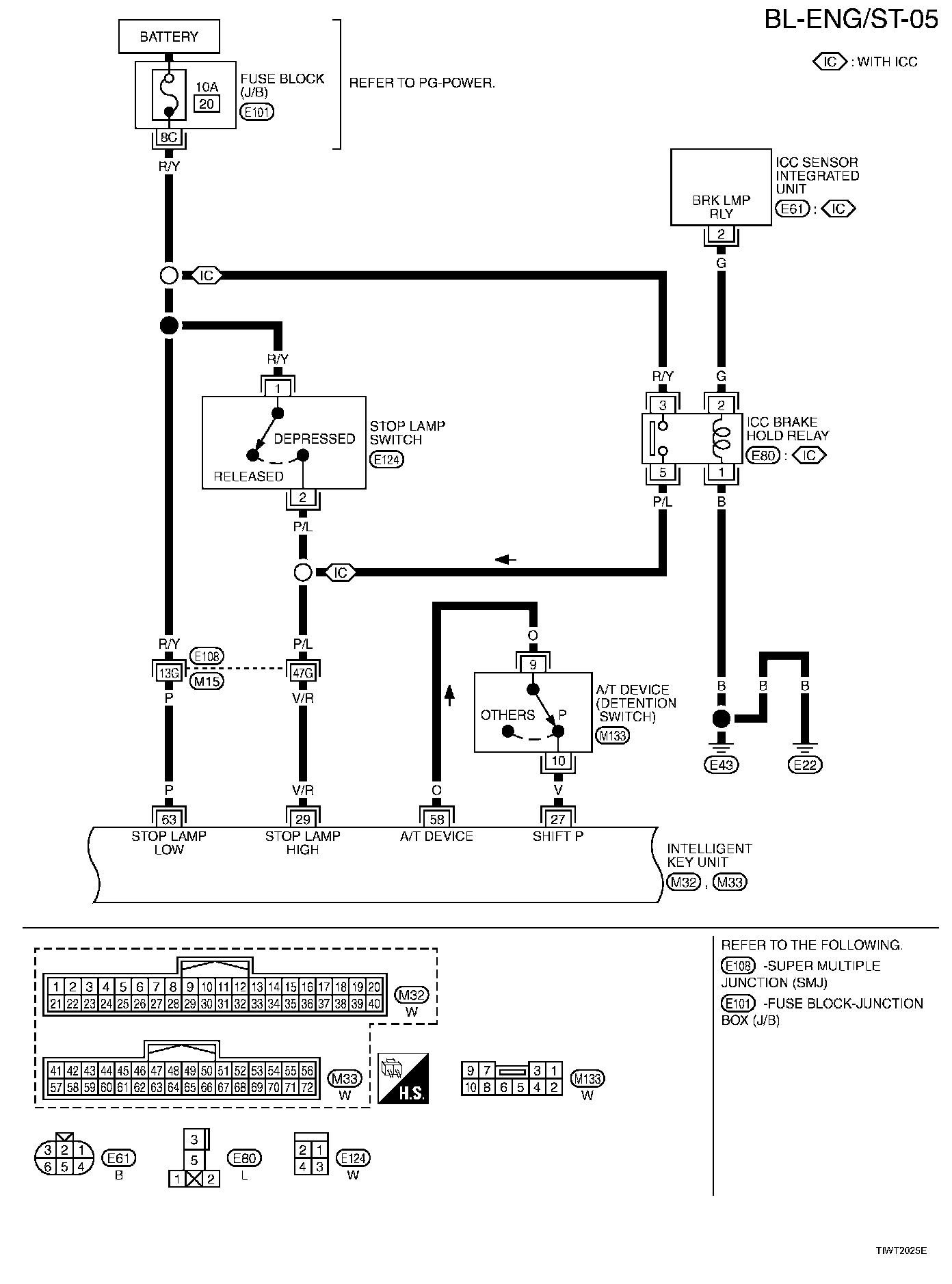
BL-ENG/ST-05:




BL-ENG/ST-06:




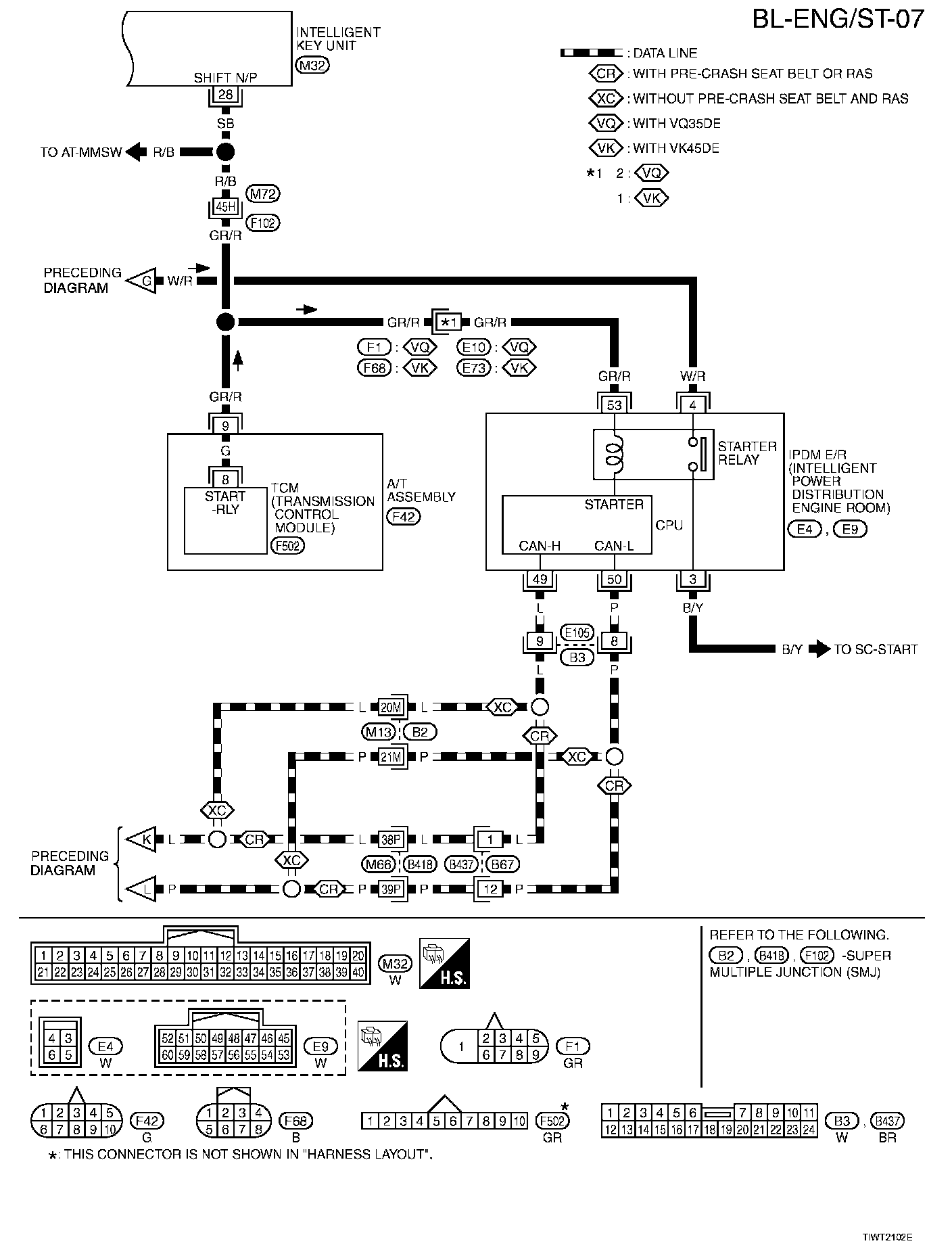
BL-ENG/ST-07:




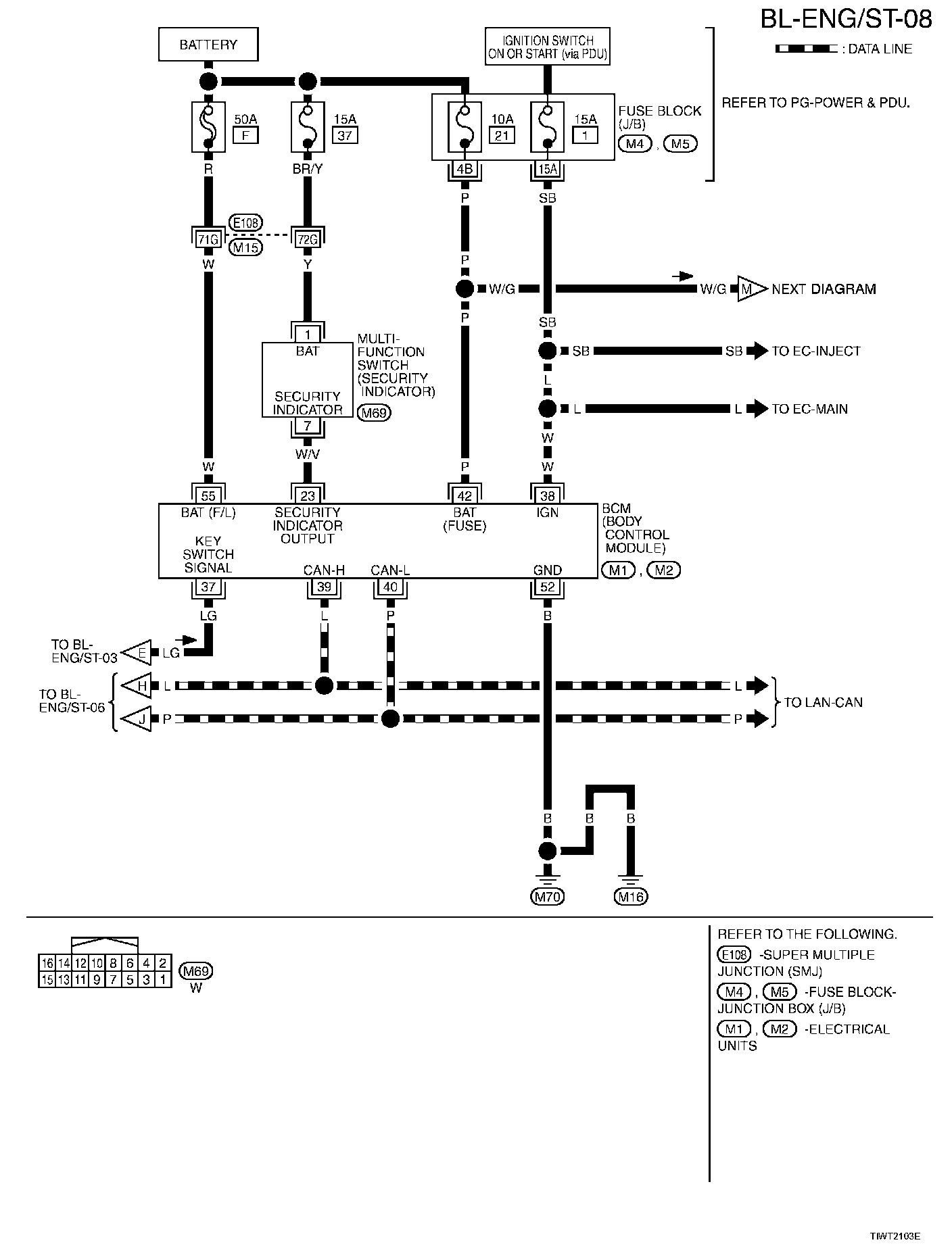
BL-ENG/ST-08:




BL-ENG/ST-09:






Diagrams: Other diagrams referred to by name within these diagrams can be found at Diagrams By Diagram Name. Diagrams By Diagram Name