Curiosii for ever!
: Car repair manuals for everyone.
Home
>>
Infiniti
>>
2007
>>
M45 V8-4.5L (VK45DE)
>>
Repair and Diagnosis
>>
Diagrams
>>
Electrical Diagrams
>>
Headlamp
>>
Headlamp Alignment Control Module
Headlamp Alignment Control Module
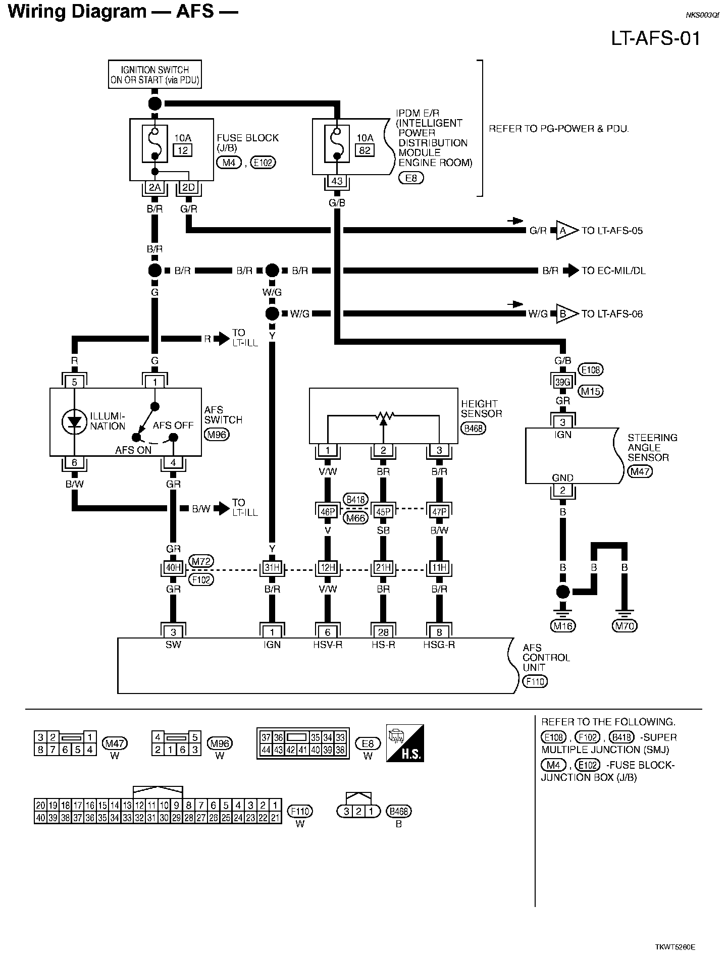
LT-AFS-01:
LT-AFS-02:
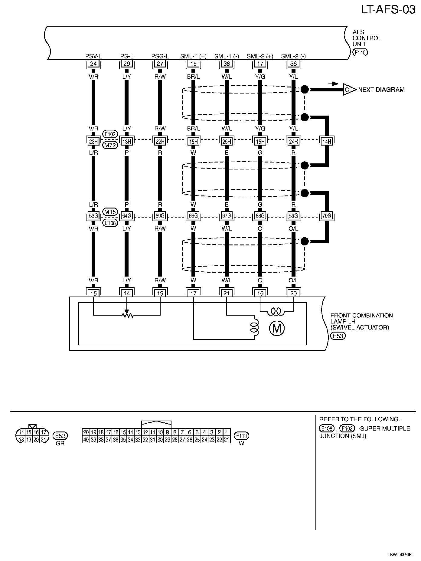
LT-AFS-03:
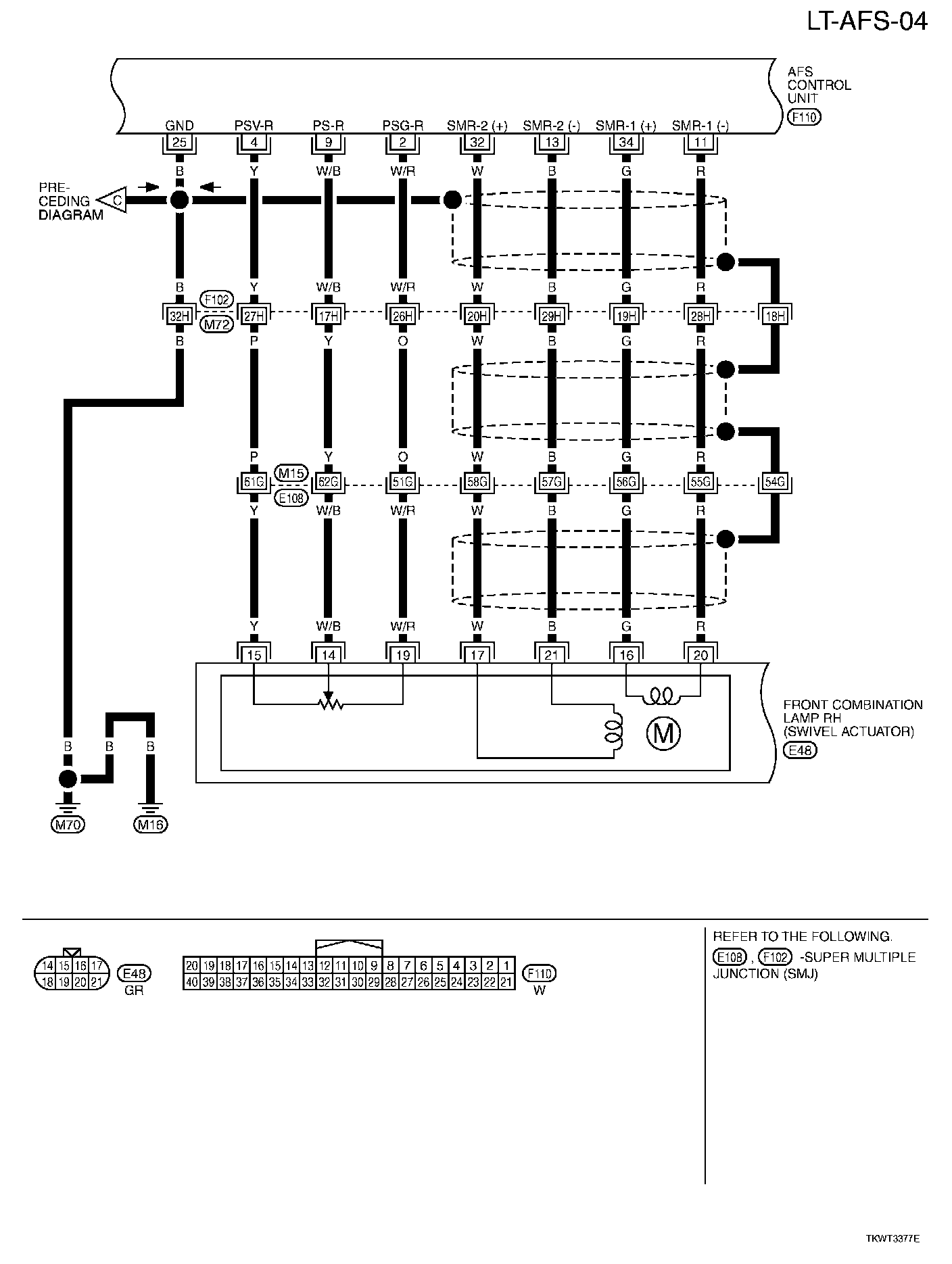
LT-AFS-04:
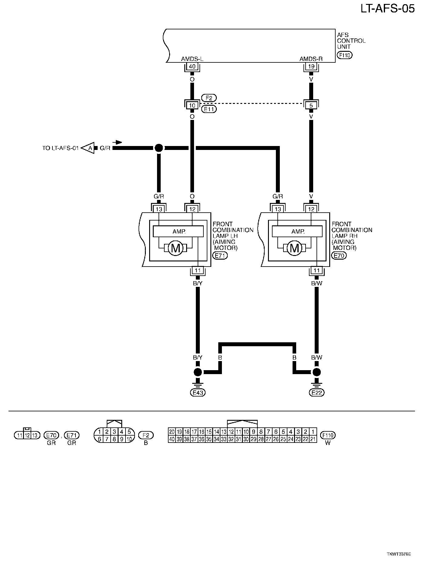
LT-AFS-05:
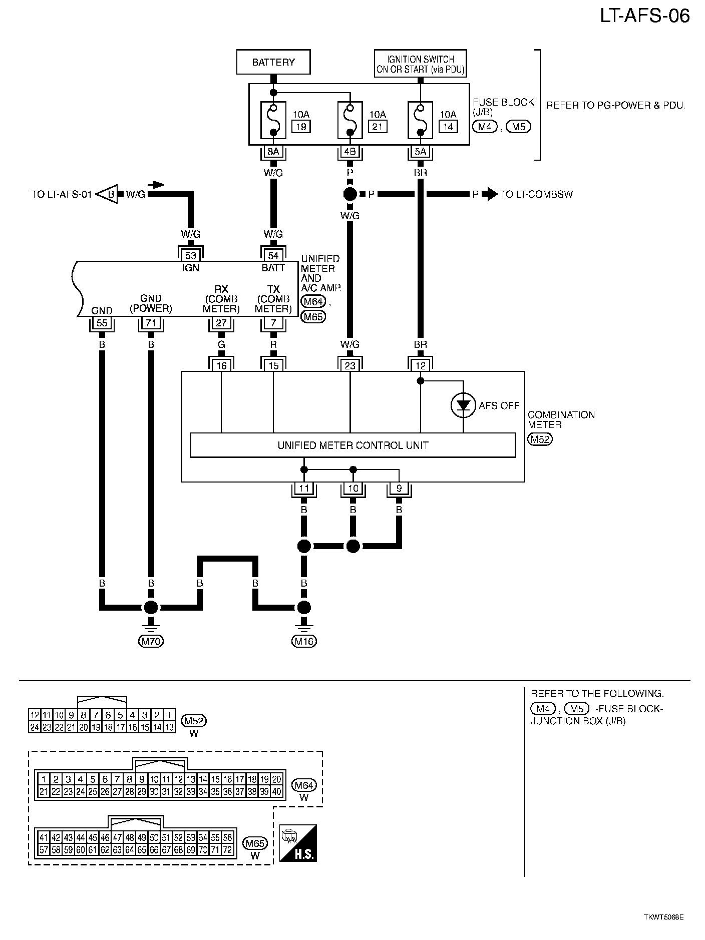
LT-AFS-06:
Diagrams:
Other diagrams referred to by name within these diagrams can be found at
Diagrams By Diagram Name.
Diagrams By Diagram Name