Curiosii for ever!
: Car repair manuals for everyone.
Home
>>
Infiniti
>>
2007
>>
M45 V8-4.5L (VK45DE)
>>
Repair and Diagnosis
>>
Accessories and Optional Equipment
>>
Antitheft and Alarm Systems
>>
Keyless Entry
>>
Diagrams
>>
Electrical Diagrams
>>
Intelligent Key System/Engine Start Function
>>
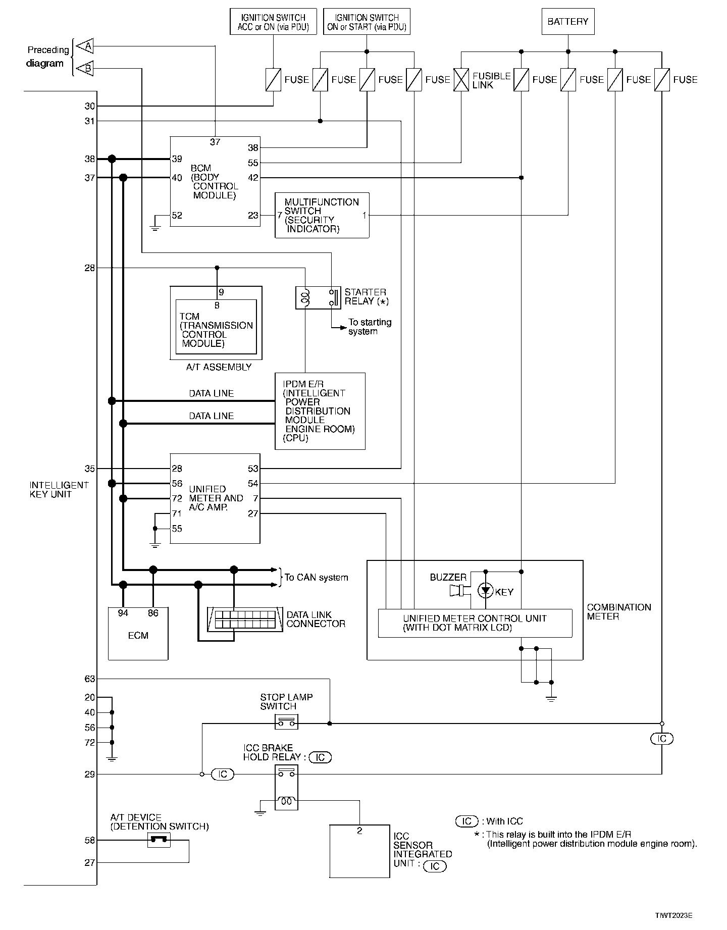
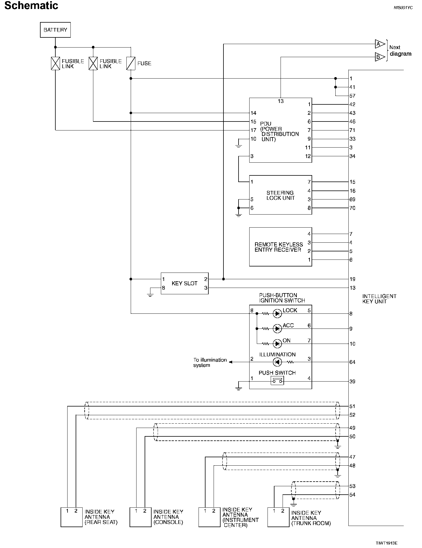
Intelligent Key System/Engine Start Function Schematic
Intelligent Key System/Engine Start Function Schematic
Intelligent Key System/Engine Start Function Schematic (Part 1):
Intelligent Key System/Engine Start Function Schematic (Part 2):