Curiosii for ever!
: Car repair manuals for everyone.
Home
>>
Infiniti
>>
2005
>>
Q45 V8-4.5L (VK45DE)
>>
Repair and Diagnosis
>>
Diagrams
>>
Electrical Diagrams
>>
Powertrain Management
>>
Engine Control Module
>>
EC-ECM/PW
EC-ECM/PW
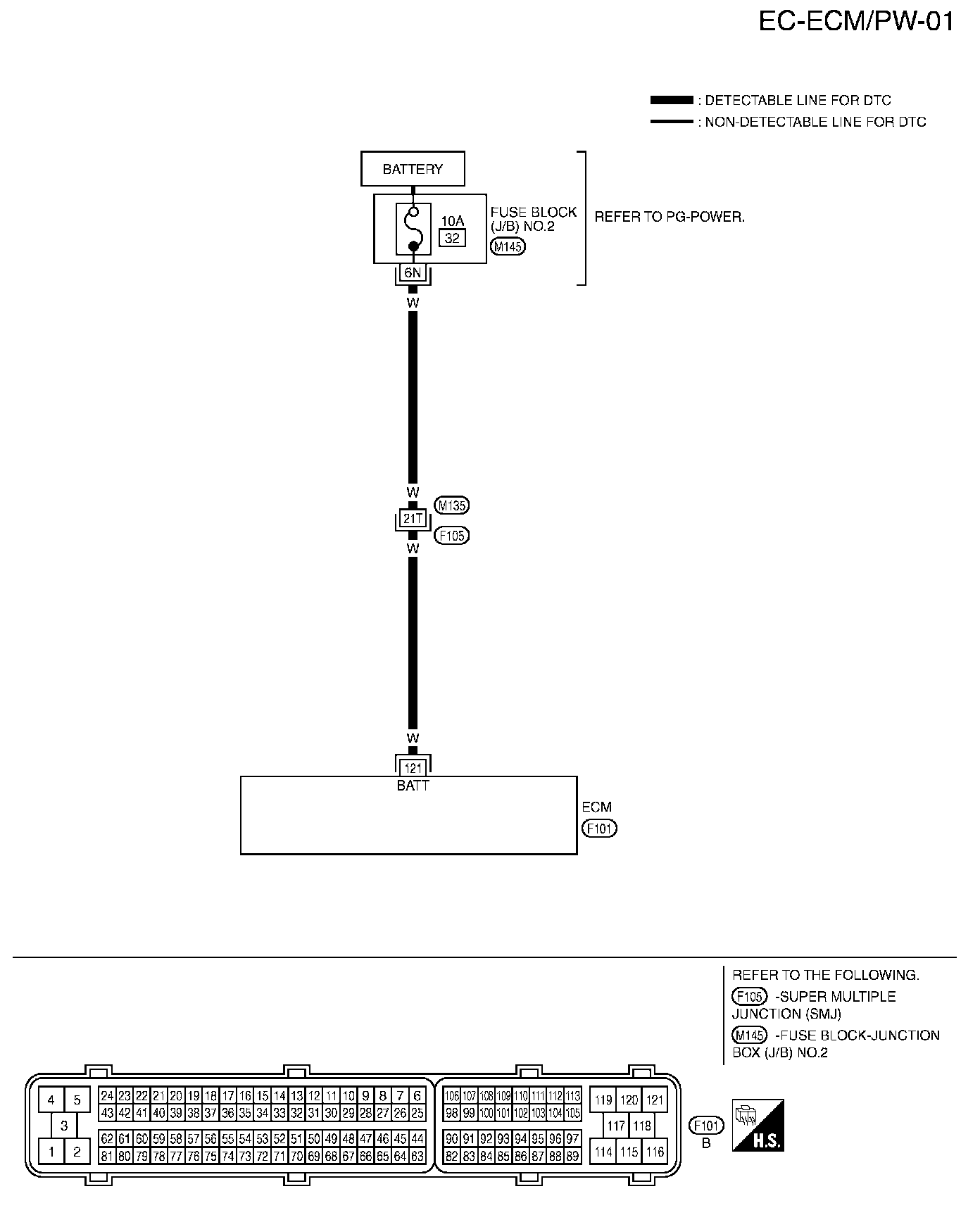
EC-ECM/PW-01:
Diagrams:
Other diagrams referred to by name within these diagrams can be found at
Diagrams By Diagram Name
.
Diagrams By Diagram Name