Curiosii for ever!
: Car repair manuals for everyone.
Home
>>
Infiniti
>>
2005
>>
Q45 V8-4.5L (VK45DE)
>>
Repair and Diagnosis
>>
Diagrams
>>
Electrical Diagrams
>>
Keyless Entry
>>
Remote Keyless Entry System
>>
Remote Keyless Entry System Schematic
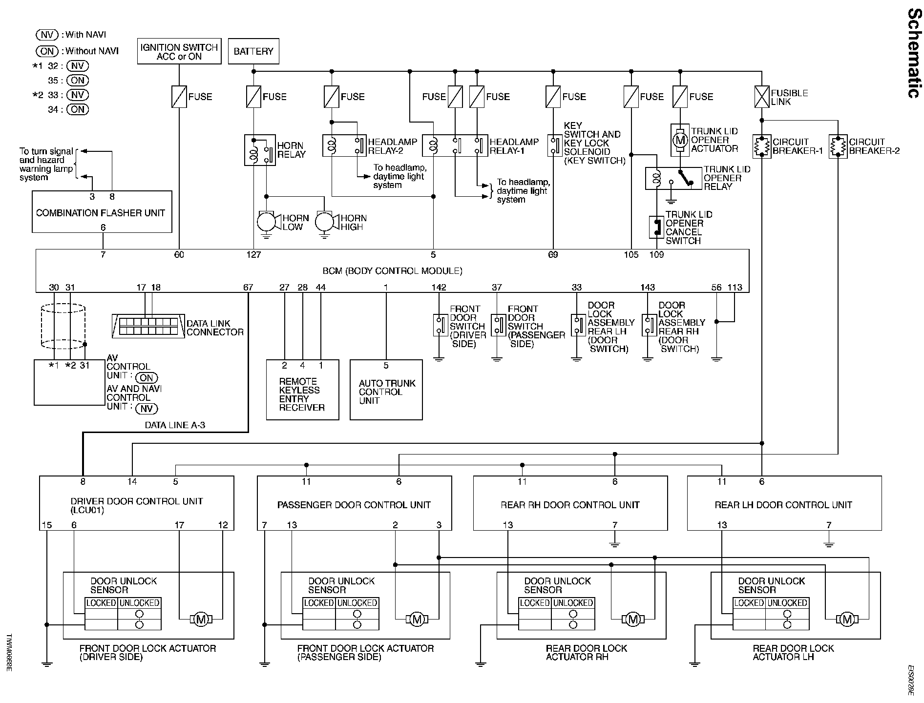
Remote Keyless Entry System Schematic
Remote Keyless Entry System Schematic: