Curiosii for ever!
: Car repair manuals for everyone.
Home
>>
Infiniti
>>
2004
>>
M45 V8-4.5L (VK45DE)
>>
Repair and Diagnosis
>>
Powertrain Management
>>
Computers and Control Systems
>>
Air Flow Meter/Sensor
>>
Diagrams
>>
Electrical Diagrams
Electrical Diagrams
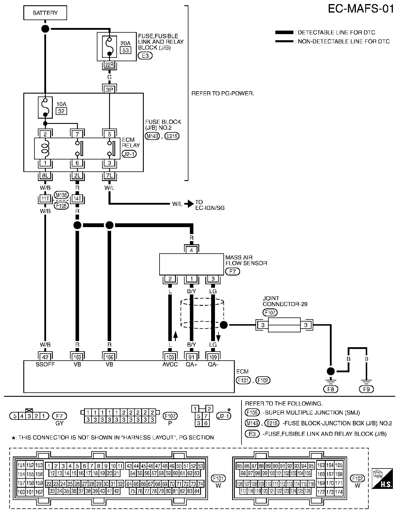
EC-MAFS-01:
Diagrams:
Other diagrams referred to by name within these diagrams can be found at
Diagrams By Diagram Name
.
Diagrams By Diagram Name