Curiosii for ever!
: Car repair manuals for everyone.
Home
>>
Infiniti
>>
2004
>>
M45 V8-4.5L (VK45DE)
>>
Repair and Diagnosis
>>
Diagrams
>>
Exploded Views
>>
Automatic Transmission/Transaxle
>>
System Diagram
>>
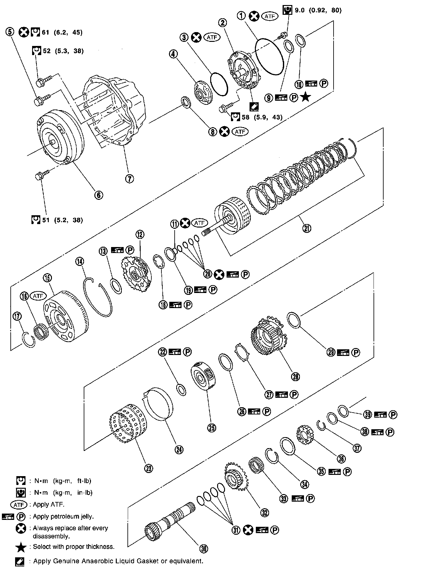
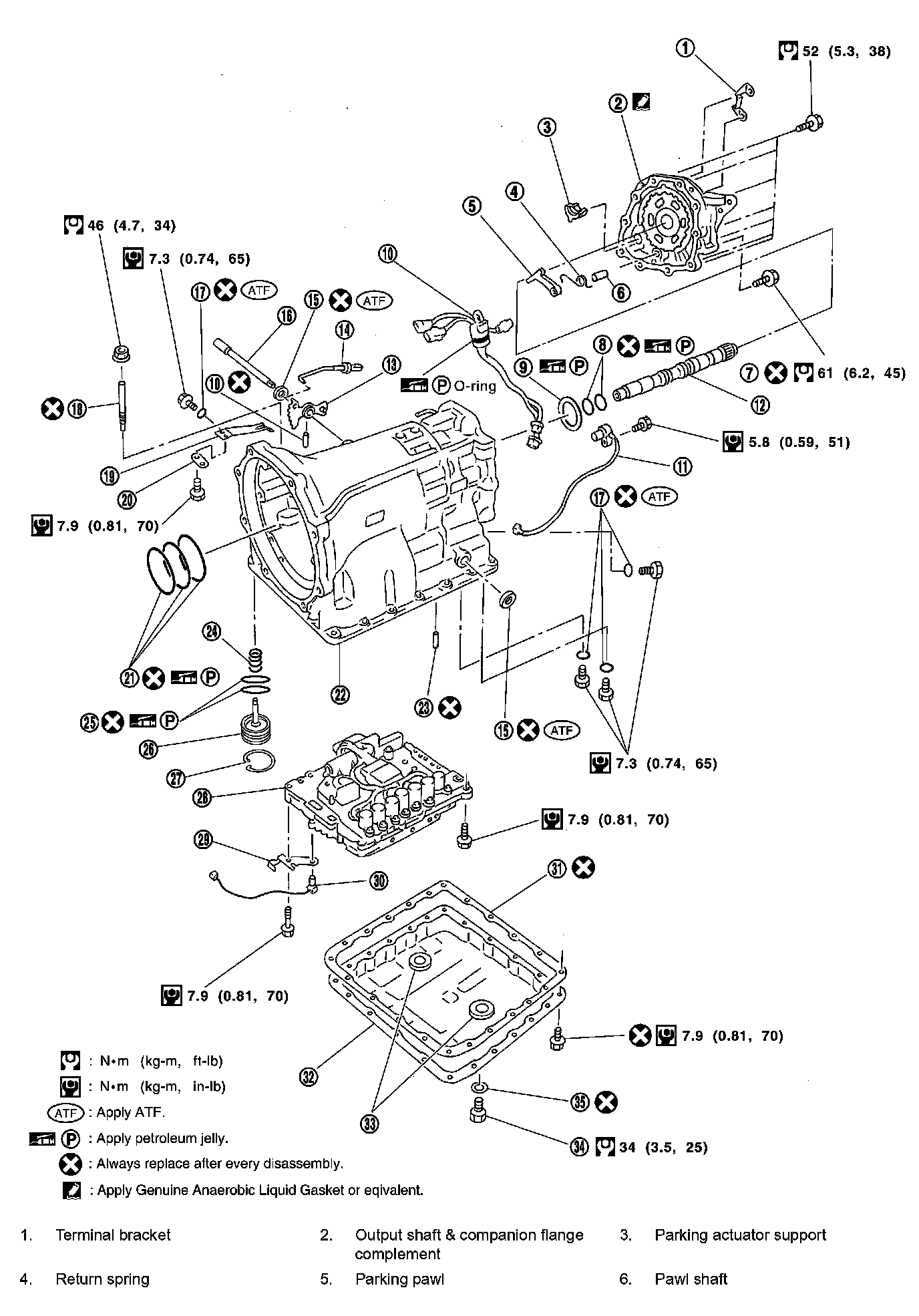
Components
Components
Components