Curiosii for ever!
: Car repair manuals for everyone.
Home
>>
Infiniti
>>
2003
>>
Q45 V8-4.5L (VK45DE)
>>
Repair and Diagnosis
>>
Powertrain Management
>>
Computers and Control Systems
>>
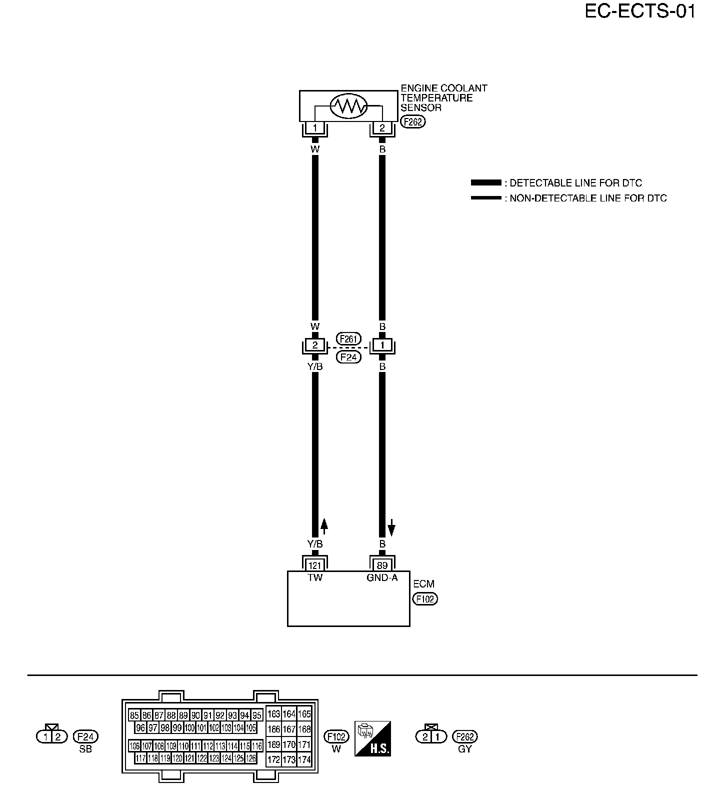
Coolant Temperature Sensor/Switch (For Computer)
>>
Diagrams
>>
Electrical Diagrams
Electrical Diagrams
EC-ECTS-01:
Diagrams:
Other diagrams referred to by name within these diagrams can be found at
Diagrams By Diagram Name
.
Diagrams By Diagram Name