Curiosii for ever!
: Car repair manuals for everyone.
Home
>>
Infiniti
>>
2003
>>
Q45 V8-4.5L (VK45DE)
>>
Repair and Diagnosis
>>
Cruise Control
>>
Cruise Control Module
>>
Service and Repair
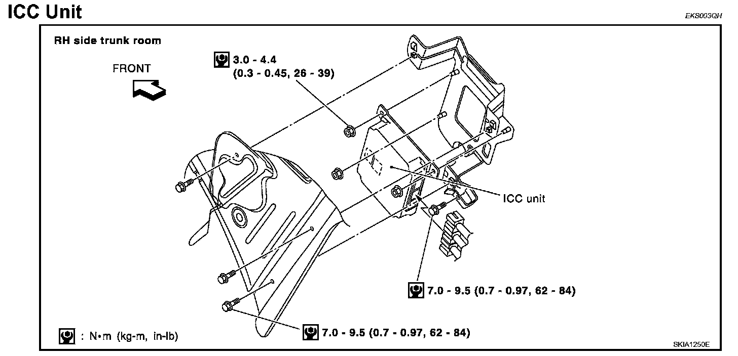
Cruise Control Module: Service and Repair