Curiosii for ever!: Car repair manuals for everyone.

Component Tests and General Diagnostics

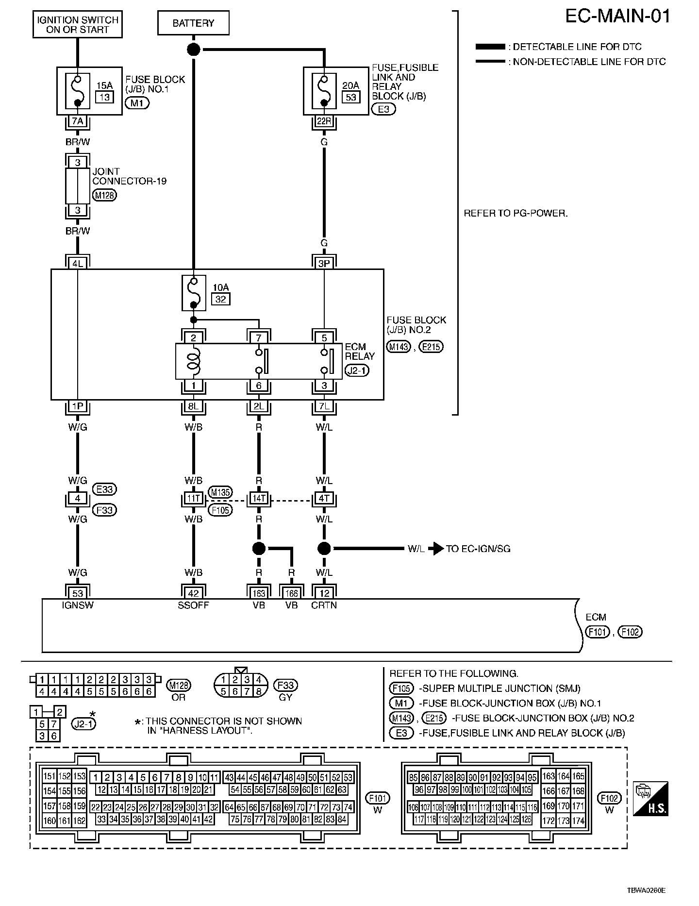
EC-MAIN-01:







EC-MAIN-02:







Wiring Diagram

Diagnostic Procedure Step 1 - 3:




Diagnostic Procedure Step 4 - 6:




Diagnostic Procedure Step 7 - 10:




Diagnostic Procedure Step 11 - 14:




Diagnostic Procedure Step 15 - 18:




Diagnostic Procedure