Curiosii for ever!
: Car repair manuals for everyone.
Home
>>
Infiniti
>>
2003
>>
I35 V6-3.5L (VQ35DE)
>>
Repair and Diagnosis
>>
Specifications
>>
Mechanical Specifications
>>
Brakes and Traction Control
>>
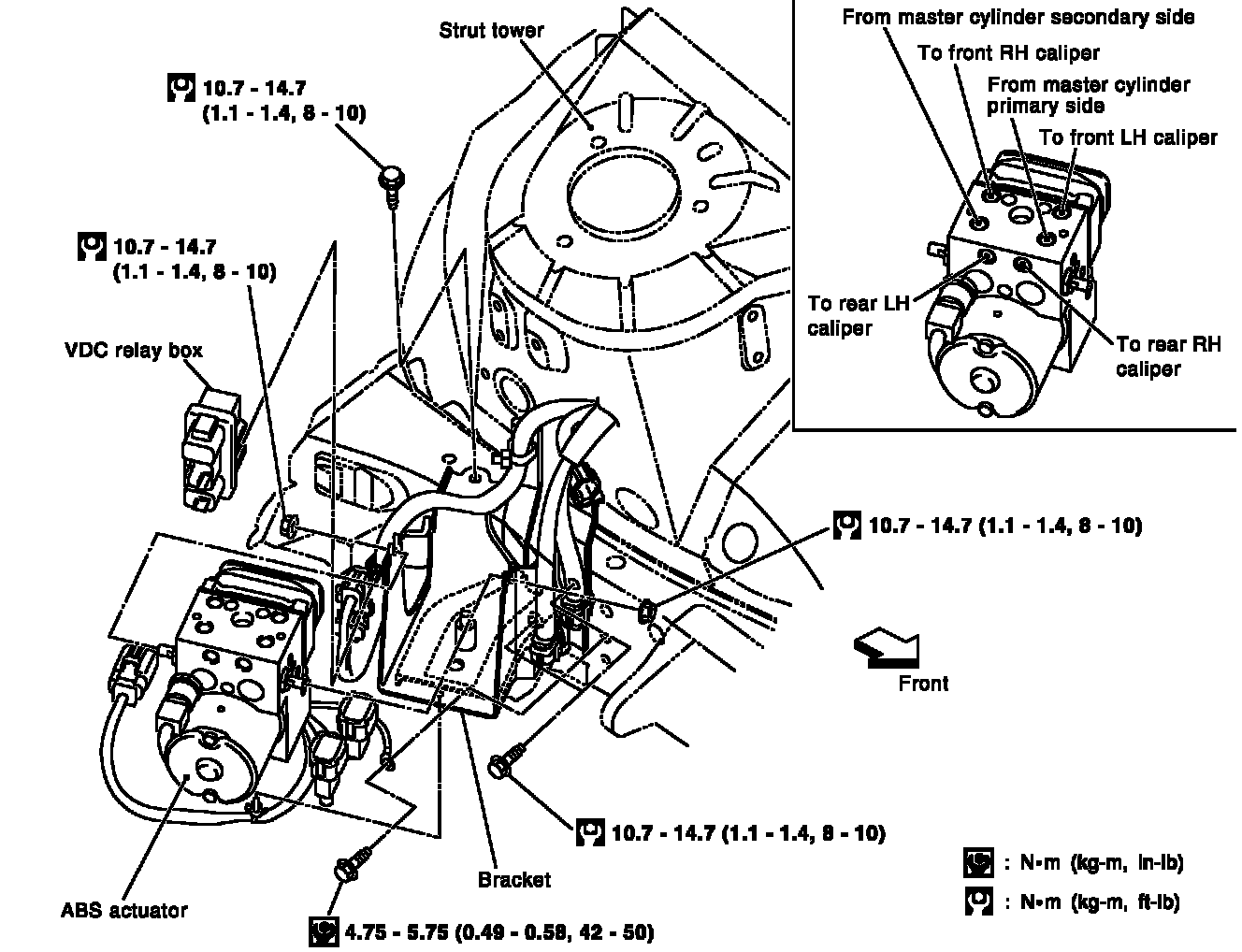
Electronic Brake Control Module
Electronic Brake Control Module
ABS Actuator and VDC Relay Box:
ABS ACTUATOR AND ELECTRIC UNIT (CONTROL UNIT):
VDC/TCS/ABS Control Unit: