Component Tests and General Diagnostics
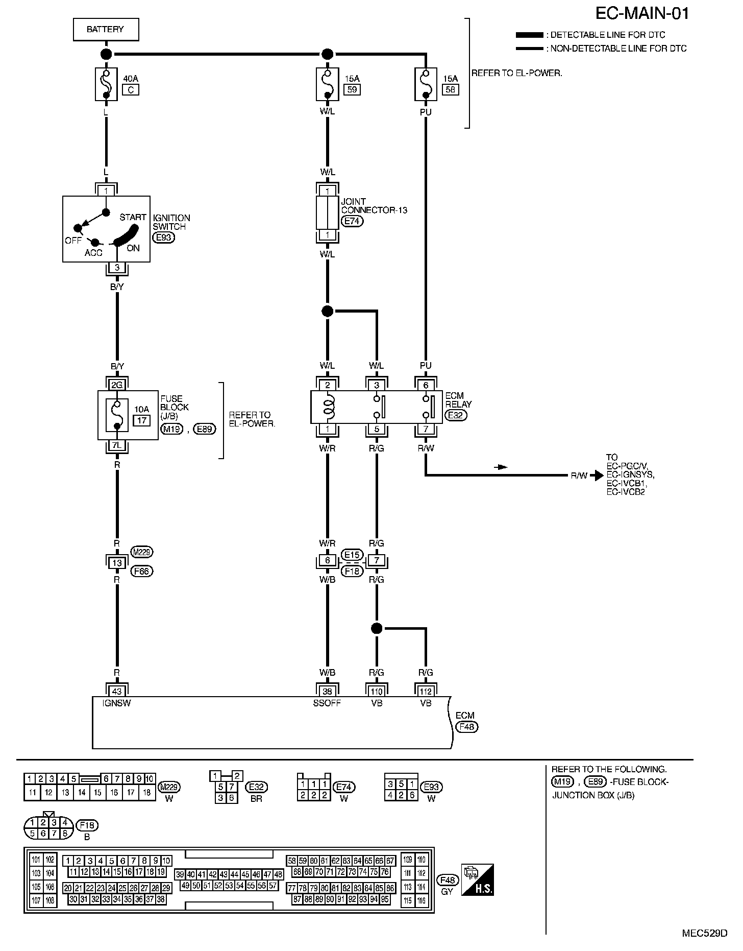
EC-MAIN-01 (Main Power Supply And Ground Circuit Check):
EC-MAIN-02 (Main Power Supply And Ground Circuit Check):
Wiring Diagram
Diagnostic Procedure Step 1 - 4:
Diagnostic Procedure Step 5 - 8:
Diagnostic Procedure Step 9 - 10:
Diagnostic Procedure Step 11 - 14:
Diagnostic Procedure Step 15 - 16:
Diagnostic Procedure