Curiosii for ever!
: Car repair manuals for everyone.
Home
>>
Infiniti
>>
2003
>>
I35 V6-3.5L (VQ35DE)
>>
Repair and Diagnosis
>>
Diagrams
>>
Exploded Views
>>
Engine
>>
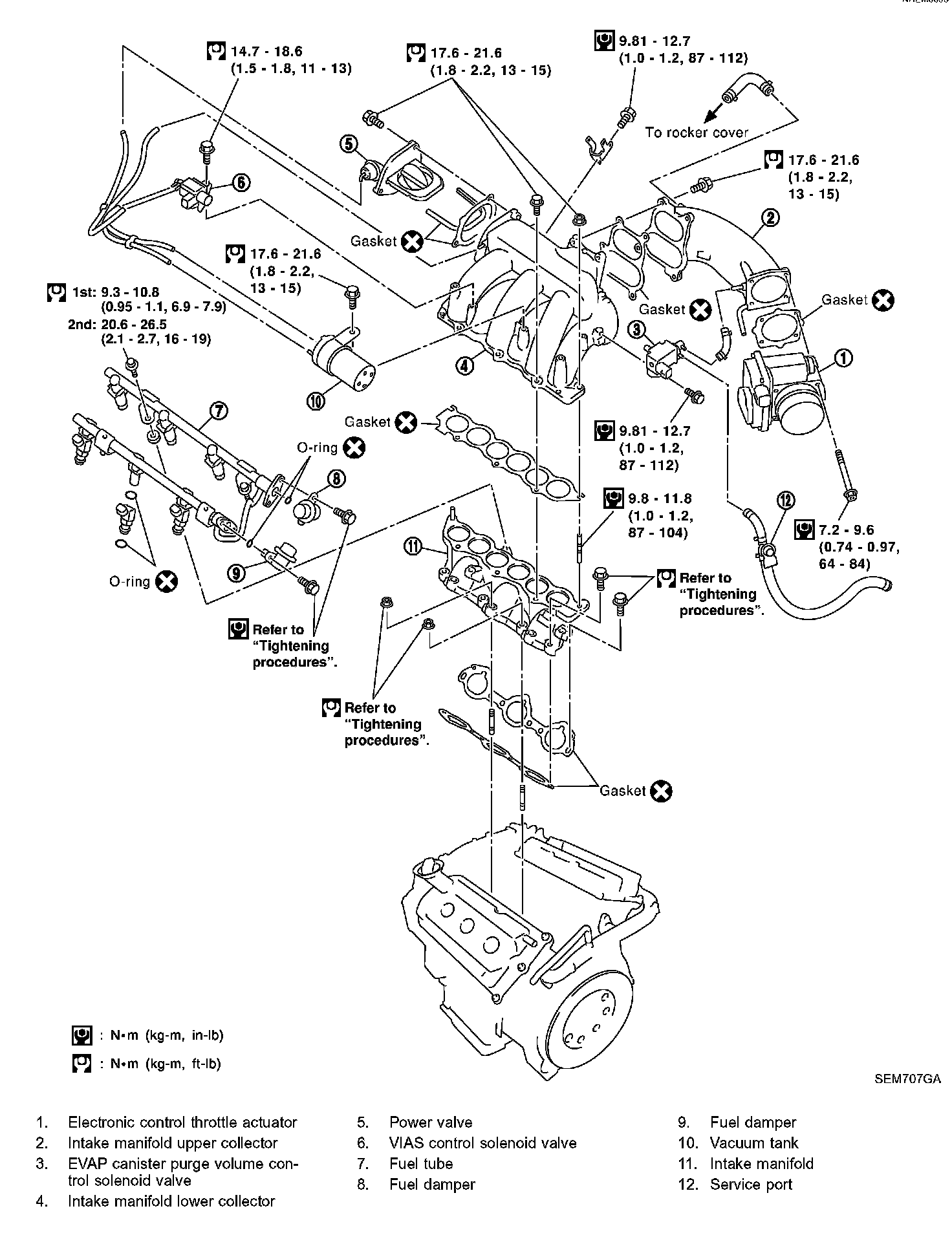
System Diagram
System Diagram
Removal and Installation