Curiosii for ever!
: Car repair manuals for everyone.
Home
>>
Infiniti
>>
2002
>>
Q45 V8-4.5L (VK45DE)
>>
Repair and Diagnosis
>>
Powertrain Management
>>
Computers and Control Systems
>>
Body Control Module
>>
Diagrams
>>
Electrical Diagrams
Electrical Diagrams
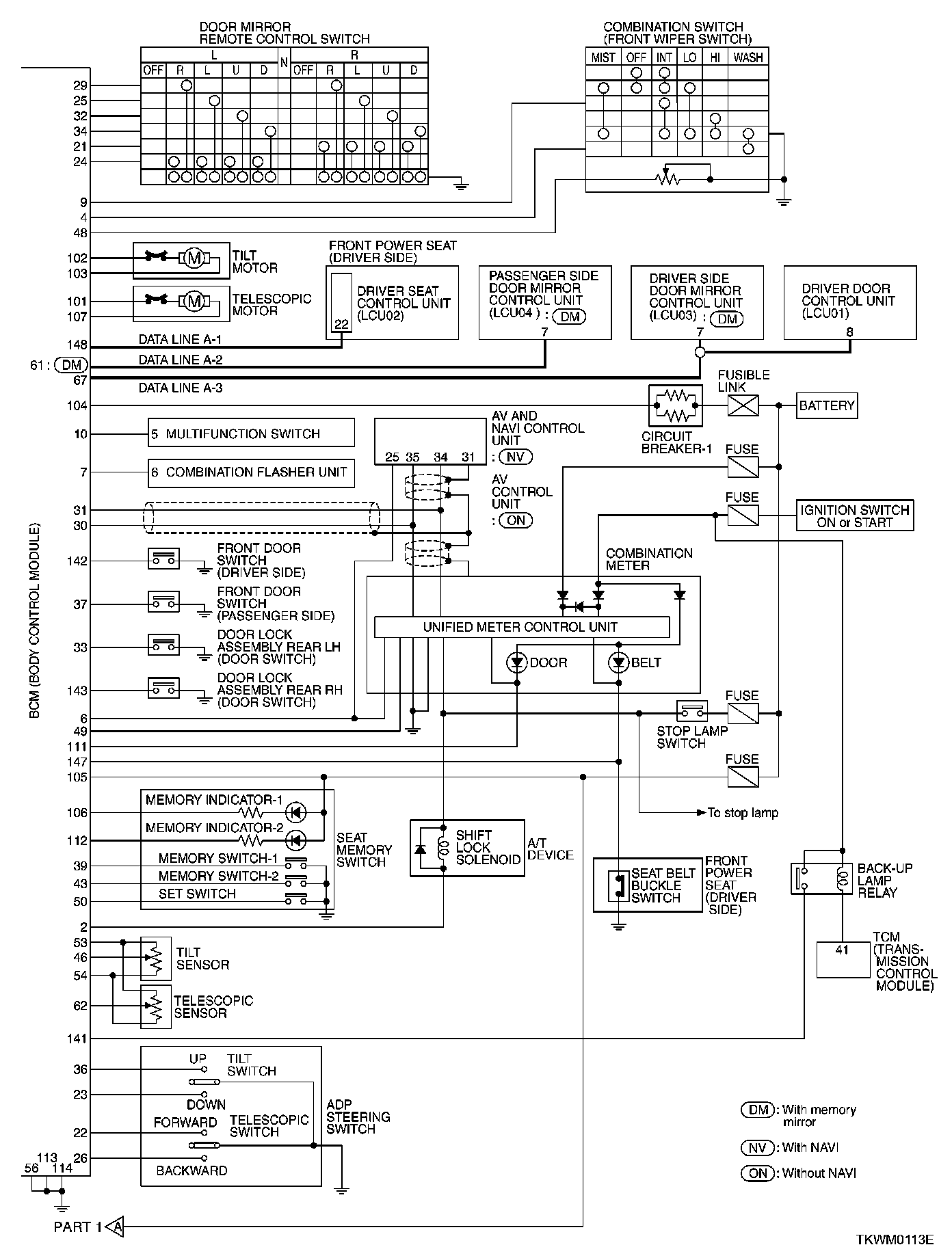
BCM Schematic Part 1:
BCM Schematic Part 2: