Curiosii for ever!: Car repair manuals for everyone.

Control Assembly: Locations

AUTOMATIC AIR CONDITIONER - Control Operation:



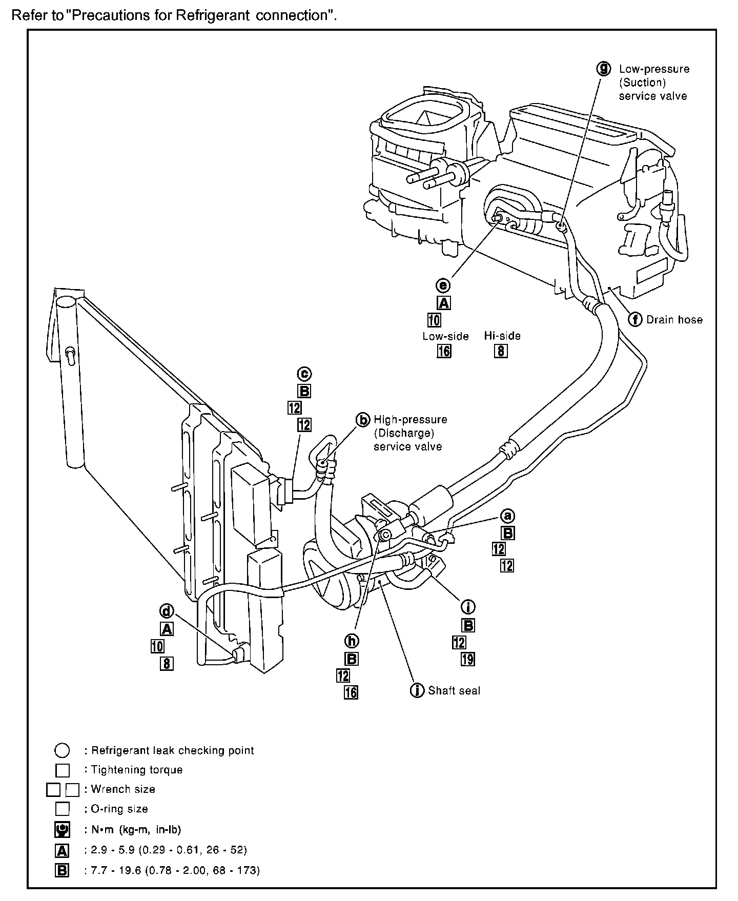
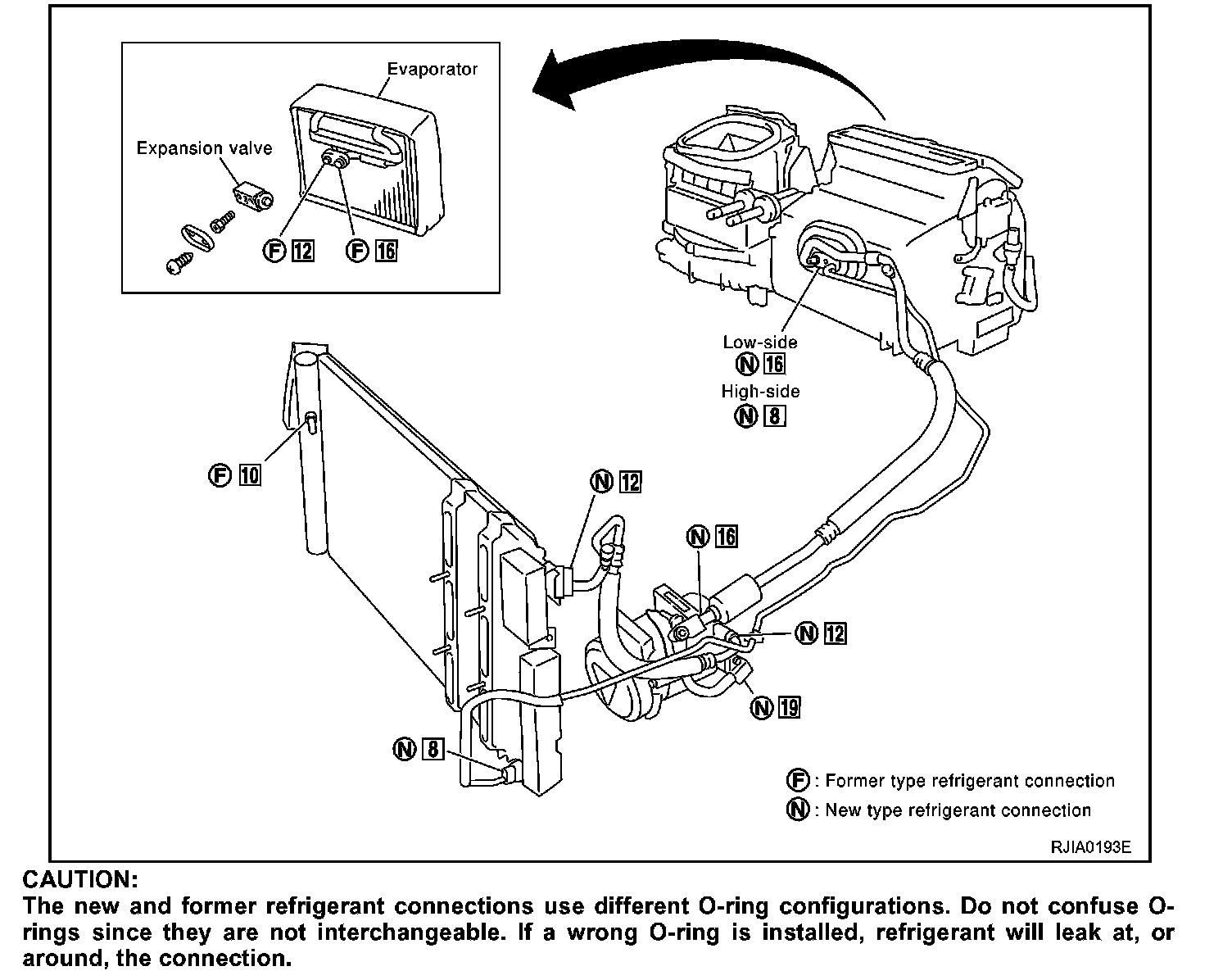
O-ring And Refrigerant Connection:



Pressure Hose/Pipe HVAC:



AUTOMATIC AIR CONDITIONER - Component Layout:



Engine Compartment:



Passenger Compartment:



Blower Unit:



Heater & Cooling Unit Assembly:



Ventilator Duct, Defroster Nozzle And Defroster Ducts: