Curiosii for ever!
: Car repair manuals for everyone.
Home
>>
Infiniti
>>
2002
>>
Q45 V8-4.5L (VK45DE)
>>
Repair and Diagnosis
>>
Heating and Air Conditioning
>>
Control Assembly
>>
Description and Operation
>>
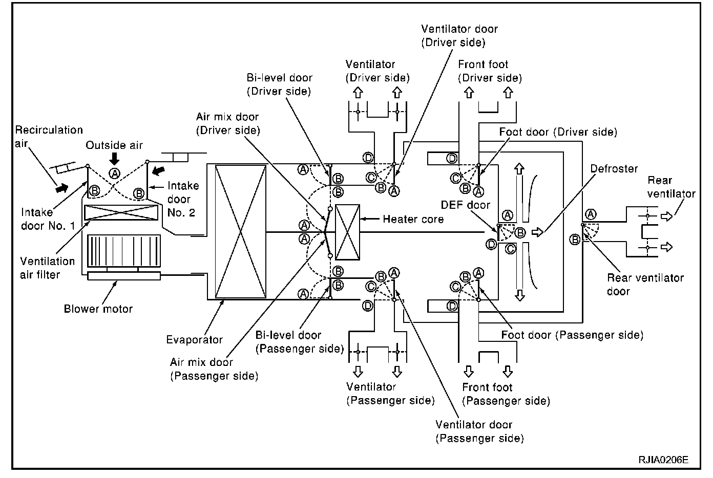
Switches and Their Control Functions
Switches and Their Control Functions
Switches And Their Control Function: